GM Service Manual Online
For 1990-2009 cars only
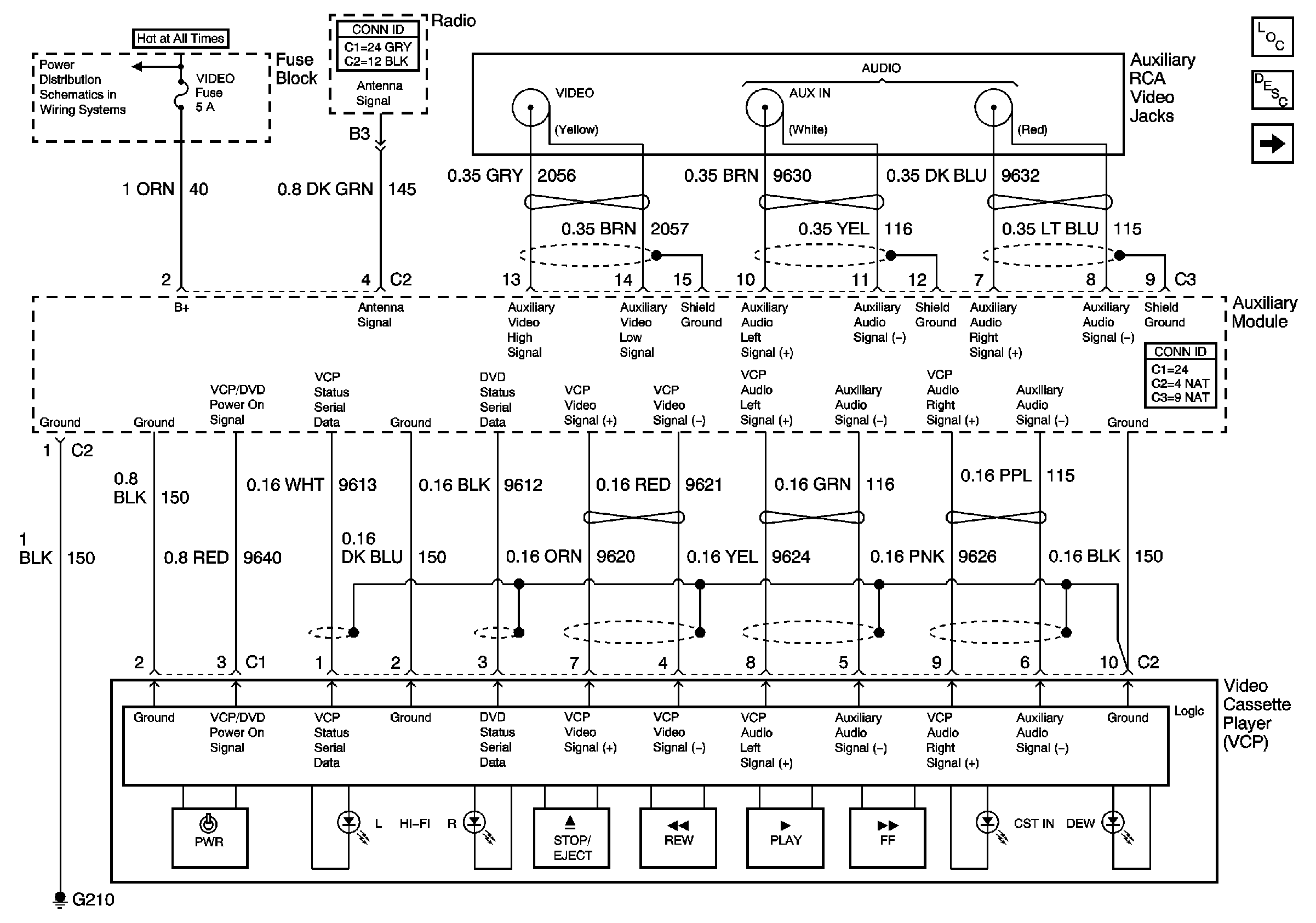
Figure 1:

Auxiliary RCA Video Jacks and Video Cassette Player (VCP)


Object Number: 732050  Size: FS
Master Electrical Component List
Video Entertainment System Description and Operation
VCP/DVD Audio/Video Signals
Figure 2:

VCP/DVD Audio/Video Signals


Object Number: 732053  Size: FS
Master Electrical Component List
Video Entertainment System Description and Operation
Speakers Signals and Overhead Console Speakers
Auxiliary RCA Video Jacks and Video Cassette Player (VCP)
Figure 3:

Speakers Signals and Overhead Console Speakers


Object Number: 732056  Size: FS
Master Electrical Component List
Video Entertainment System Description and Operation
Rear Seat Audio Control
VCP/DVD Audio/Video Signals
Windshield Antenna
Windshield Antenna
Windshield Antenna
Figure 4:

Rear Seat Audio Control


Object Number: 732057  Size: FS
Windshield Antenna
Windshield Antenna
Windshield Antenna
Windshield Antenna
Master Electrical Component List
Video Entertainment System Description and Operation
Speakers Signals and Overhead Console Speakers