GM Service Manual Online
For 1990-2009 cars only
Makes
🢒
Chevrolet
🢒
2001
🢒
Venture Ext.
🢒
Body and Accessories
🢒
Instrument Panel, Gauges, and Console
🢒 Instrument Panel Wiring Harness Replacement
Removal Procedure
Remove the instrument panel. Refer to
Instrument Panel Assembly Replacement
.
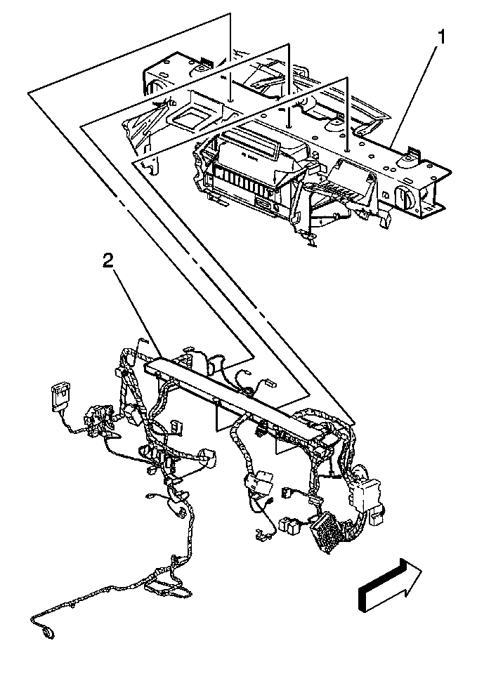
Pull on the wiring harness (2) in order to release the retainers.
Remove the wiring harness (2).
Installation Procedure
Align the wiring harness retainers.
Push in on the wiring harness (2) until the harness is secure.
Important:
Ensure that the electrical connectors are routed correctly through the instrument panel.
Install the instrument panel. Refer to
Instrument Panel Assembly Replacement
.