GM Service Manual Online
For 1990-2009 cars only
Makes
🢒
Chevrolet
🢒
2001
🢒
Venture Ext.
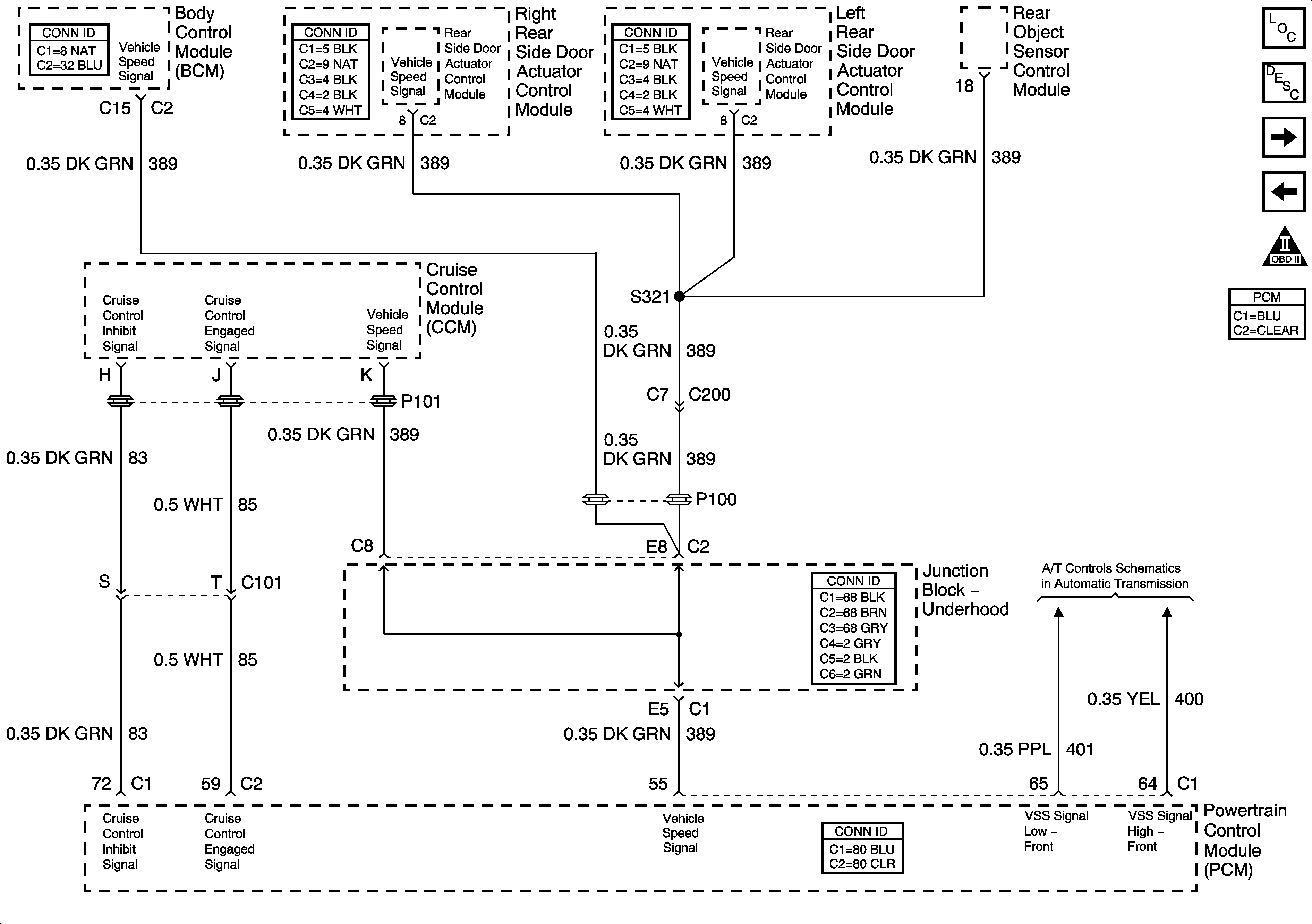
🢒 VSS
VSS
VSS
Master Electrical Component List
Powertrain Control Module Description
Automatic Transmission
Coolant Fans
OBD II Symbol Description Notice
Powertrain Control Module Connector End Views