GM Service Manual Online
For 1990-2009 cars only
Makes
🢒
Chevrolet
🢒
2001
🢒
Venture Ext.
🢒 Air Delivery System
Air Delivery System
Air Delivery System
Master Electrical Component List
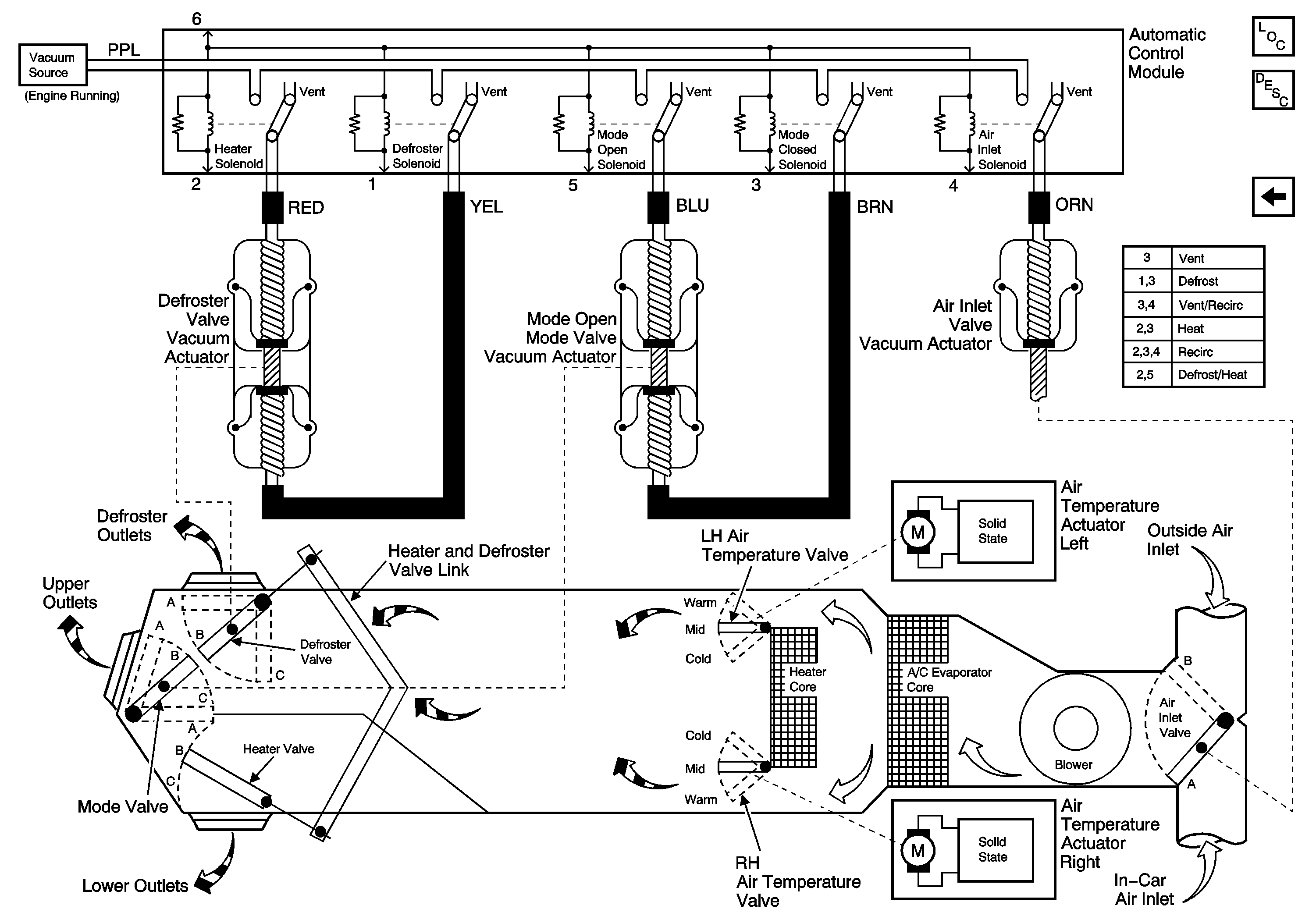
Air Delivery Description and Operation
Vacuum /Electric Solenoid