GM Service Manual Online
For 1990-2009 cars only
Makes
🢒
Chevrolet
🢒
2001
🢒
Venture Ext.
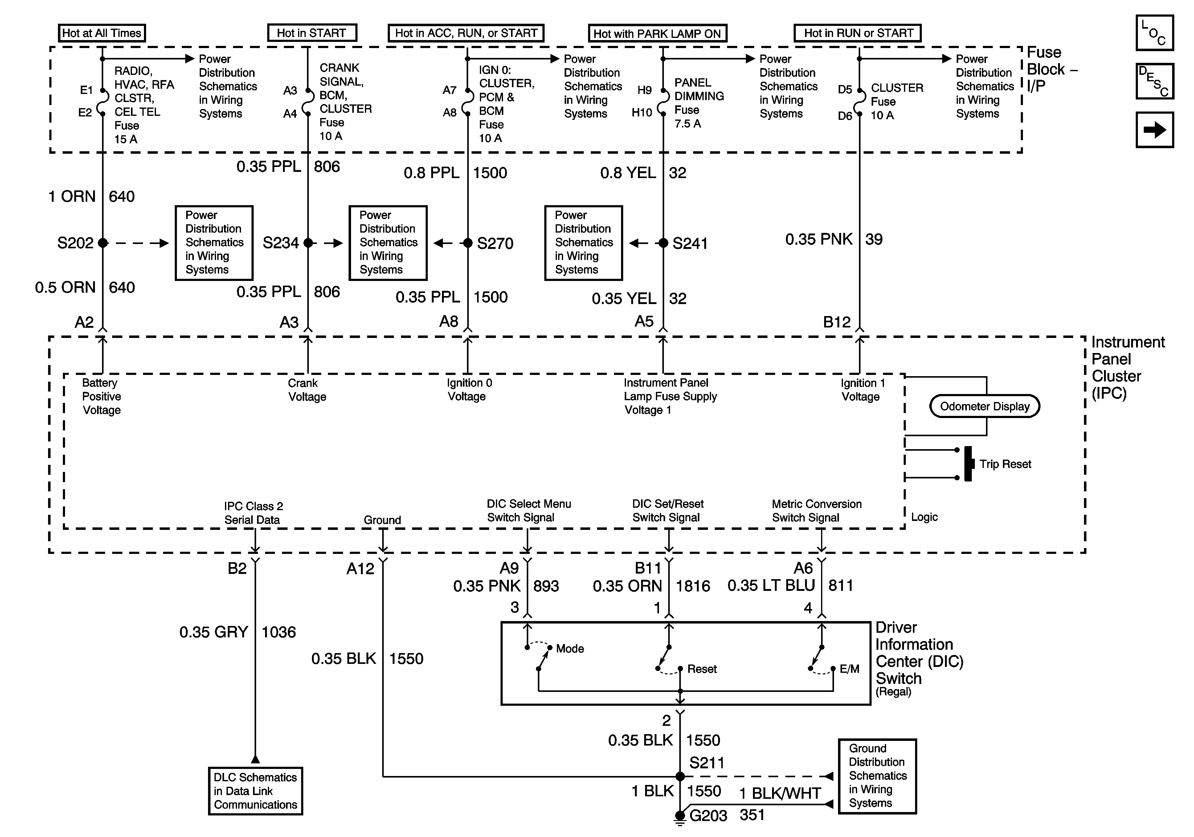
🢒 DID Switch, Power, Ground, and DLC
DID Switch, Power, Ground, and DLC
DID Switch, Power, Ground, and DLC
Master Electrical Component List
Instrument Cluster Description and Operation
Gauges
Batt 1 Fuse
IGN 1
Lighting
IGN 1
Batt 1 Fuse
Cluster, BCM, PCM, BTSI
Lighting
DLC
G203, Page 1 of 2