GM Service Manual Online
For 1990-2009 cars only
Makes
🢒
Chevrolet
🢒
2001
🢒
Venture Ext.
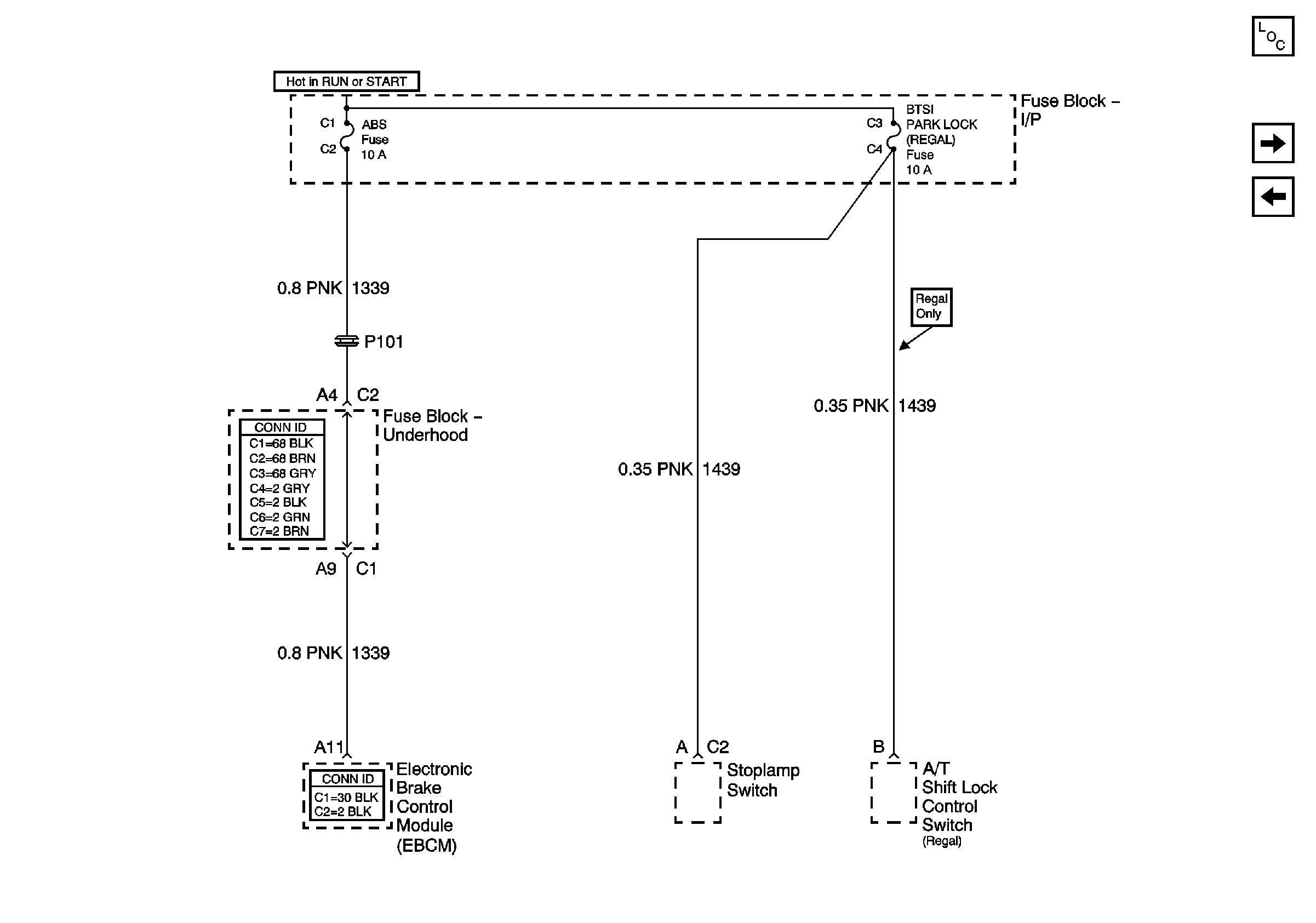
🢒 ABS, BTSI
ABS, BTSI
ABS,BTSI
Master Electrical Component List
Lighting, Power Windows
Cluster, BCM, PCM, BTSI