GM Service Manual Online
For 1990-2009 cars only
Makes
🢒
Chevrolet
🢒
2001
🢒
Venture Ext.
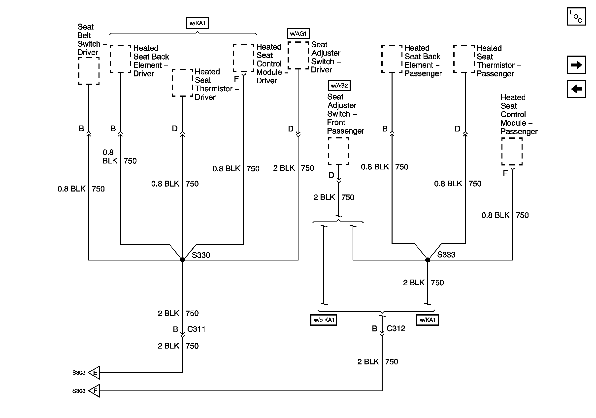
🢒 G301, Page 2 of 2
G301, Page 2 of 2
G301, Page 2 of 2
Master Electrical Component List
G401
G301, Page 1 of 2
G301, Page 1 of 2
G301, Page 1 of 2