GM Service Manual Online
For 1990-2009 cars only
Makes
🢒
Chevrolet
🢒
2001
🢒
Venture Ext.
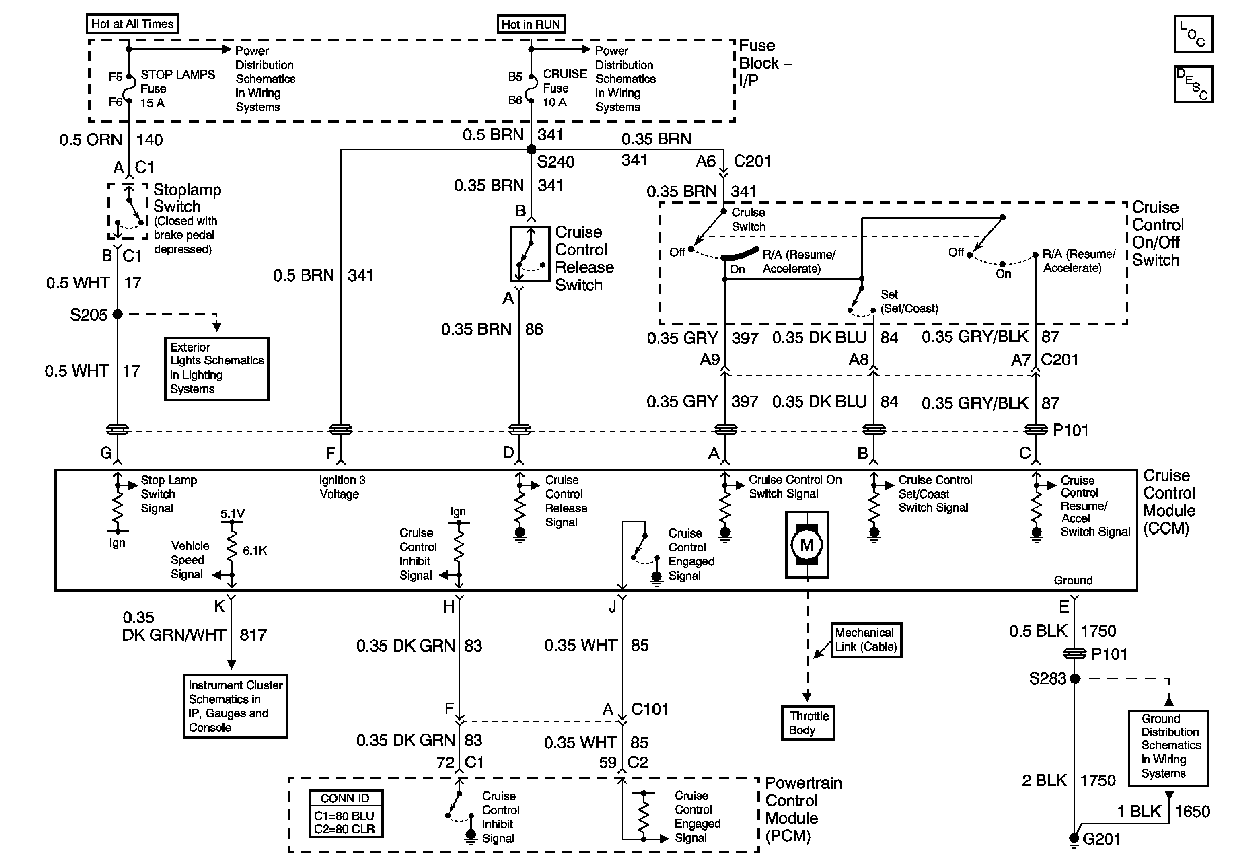
🢒 Cruse Control
Cruse Control
Master Electrical Component List
Cruise Control Description and Operation
Batt 2
IGN 2
Stoplamp and Rear Turn Lamps
Gauges
G201