GM Service Manual Online
For 1990-2009 cars only
Makes
🢒
Chevrolet
🢒
2001
🢒
Venture Ext.
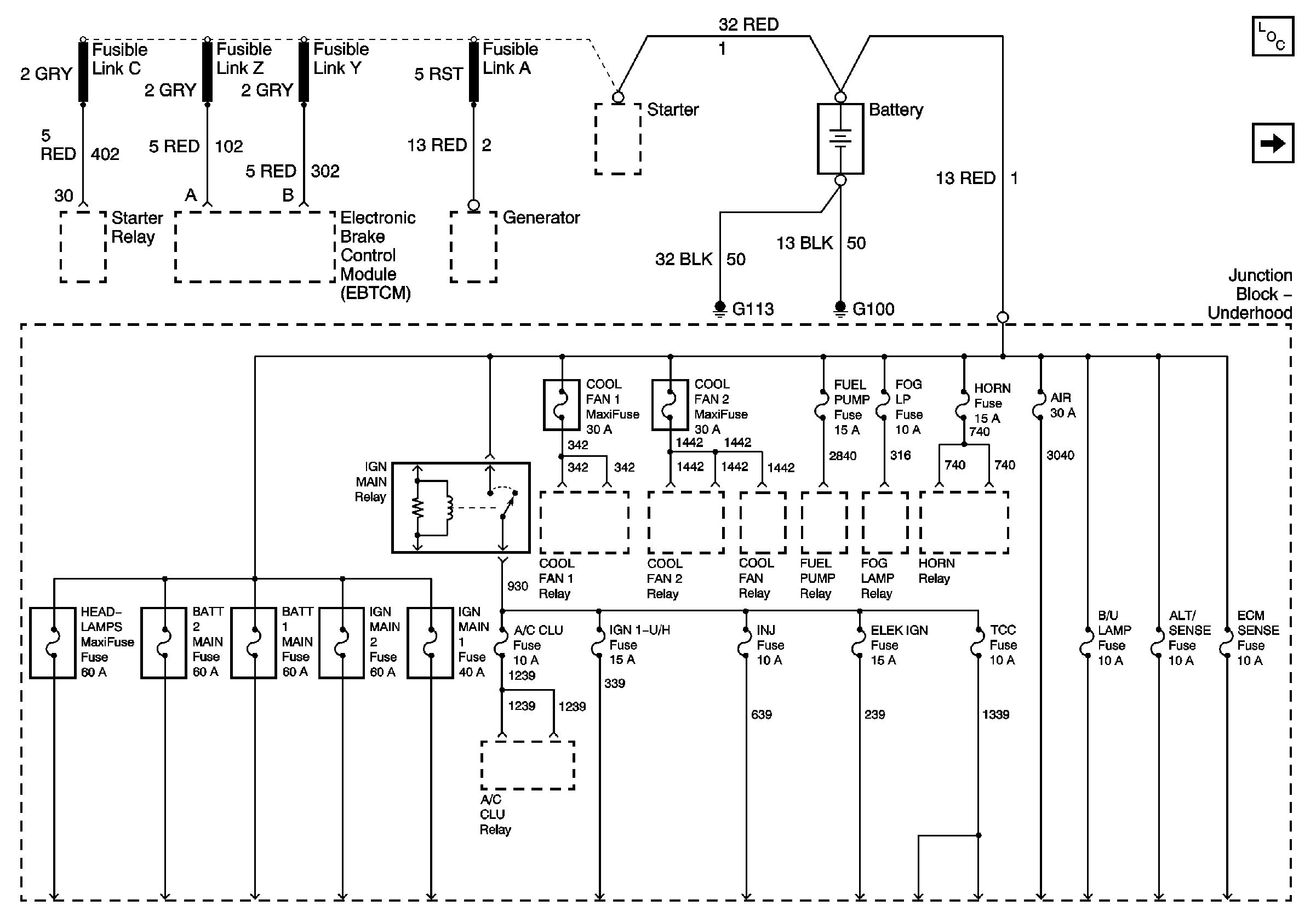
🢒 Junction Block - Underhood
Junction Block - Underhood
Junction Block -- Underhood
Master Electrical Component List
EBCM, BATT MAIN 1, RADIO and PARK LP Fuses