GM Service Manual Online
For 1990-2009 cars only
Makes
🢒
Chevrolet
🢒
2001
🢒
Venture Ext.
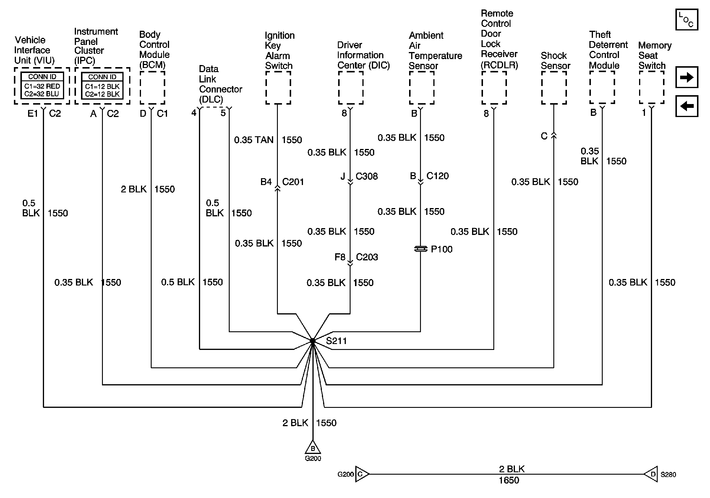
🢒 G200 (3 of 3)
G200 (3 of 3)
G200 (3 of 3)
G200 (1 of 3)
G200 (1 of 3)
G200 and G201
Master Electrical Component List
G200 and G201
G200 (2 of 3)