GM Service Manual Online
For 1990-2009 cars only
Makes
🢒
Chevrolet
🢒
2001
🢒
Venture Ext.
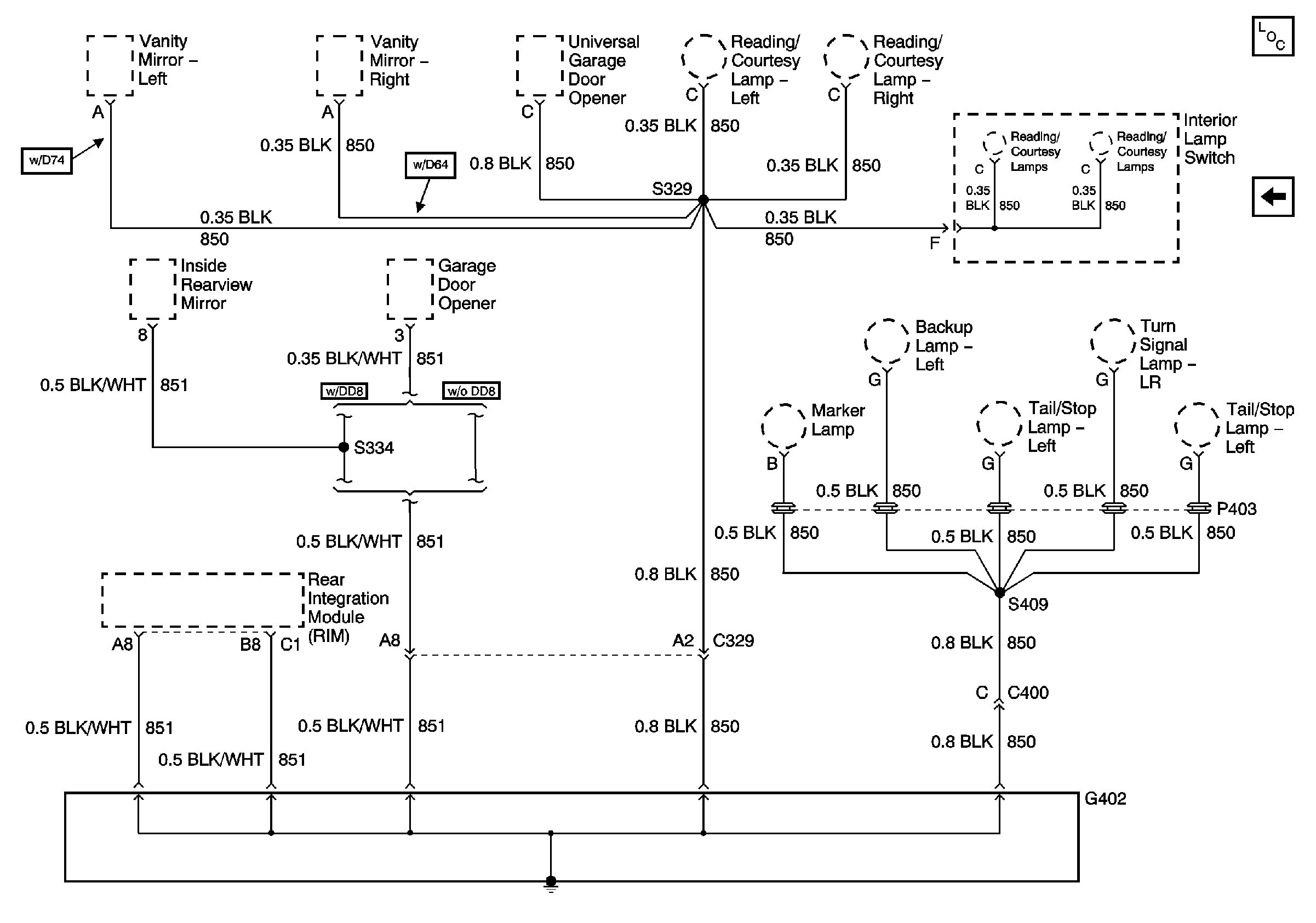
🢒 G402
G402
G402
Master Electrical Component List
G401 (2 of 2)