GM Service Manual Online
For 1990-2009 cars only
Makes
🢒
Chevrolet
🢒
2001
🢒
Venture Ext.
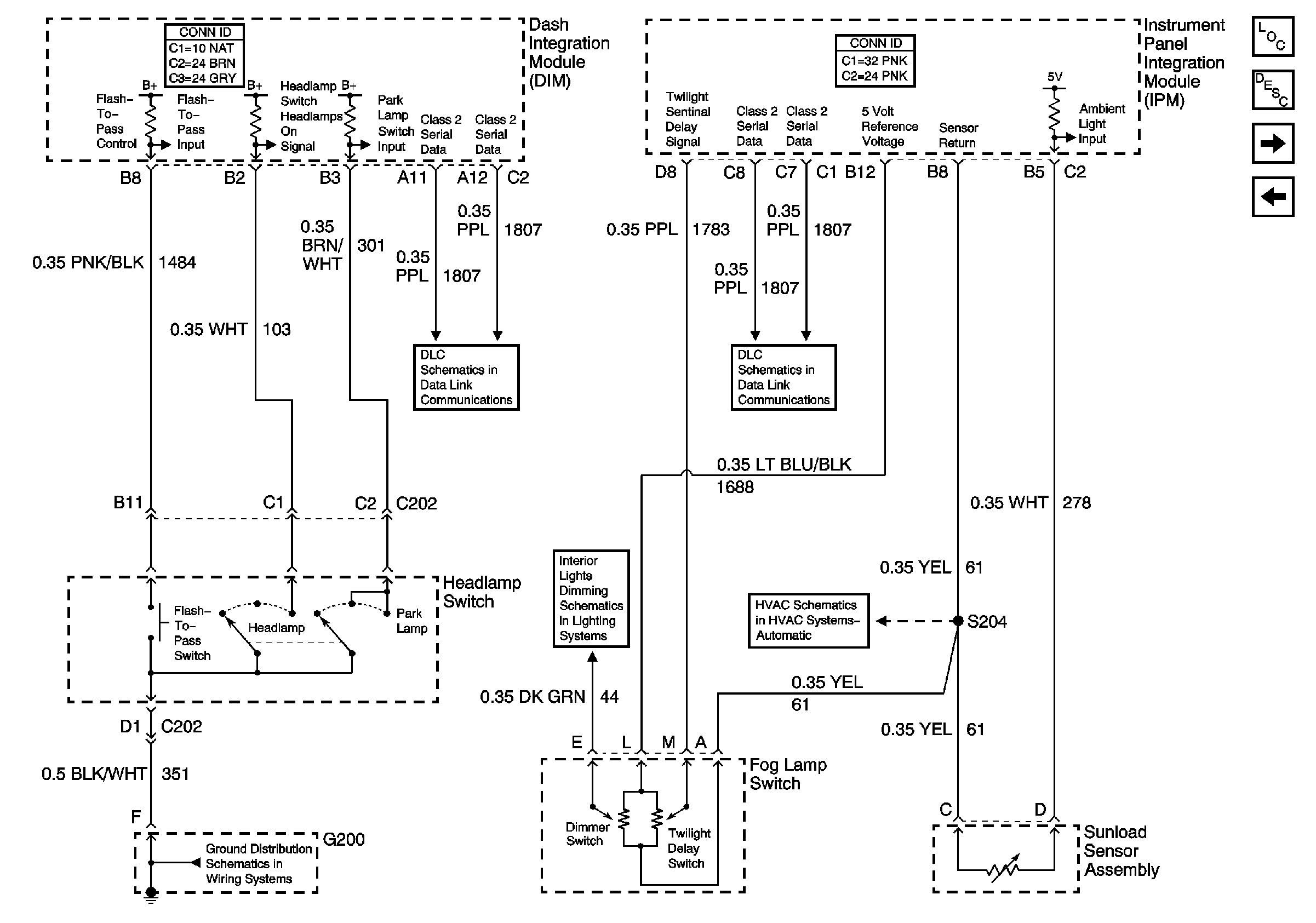
🢒 Headlamp, Foglamp, and Ambient Light Sensor Inputs (w/CJ2)
Headlamp, Foglamp, and Ambient Light Sensor Inputs (w/CJ2)
Headlamp, Foglamp, and Ambient Light Sensor Inputs (w/CJ2)
Master Electrical Component List
DRL Controls and High Beam Headlamps
Headlamp, Foglamp, and Ambient Light Sensor Inputs (w/C67)
Class 2 Serial Data
G200
Dimming Controls
Class 2 Serial Data
Temperature Sensors