GM Service Manual Online
For 1990-2009 cars only
Makes
🢒
Chevrolet
🢒
2002
🢒
Venture Ext.
🢒 Coolant Fans
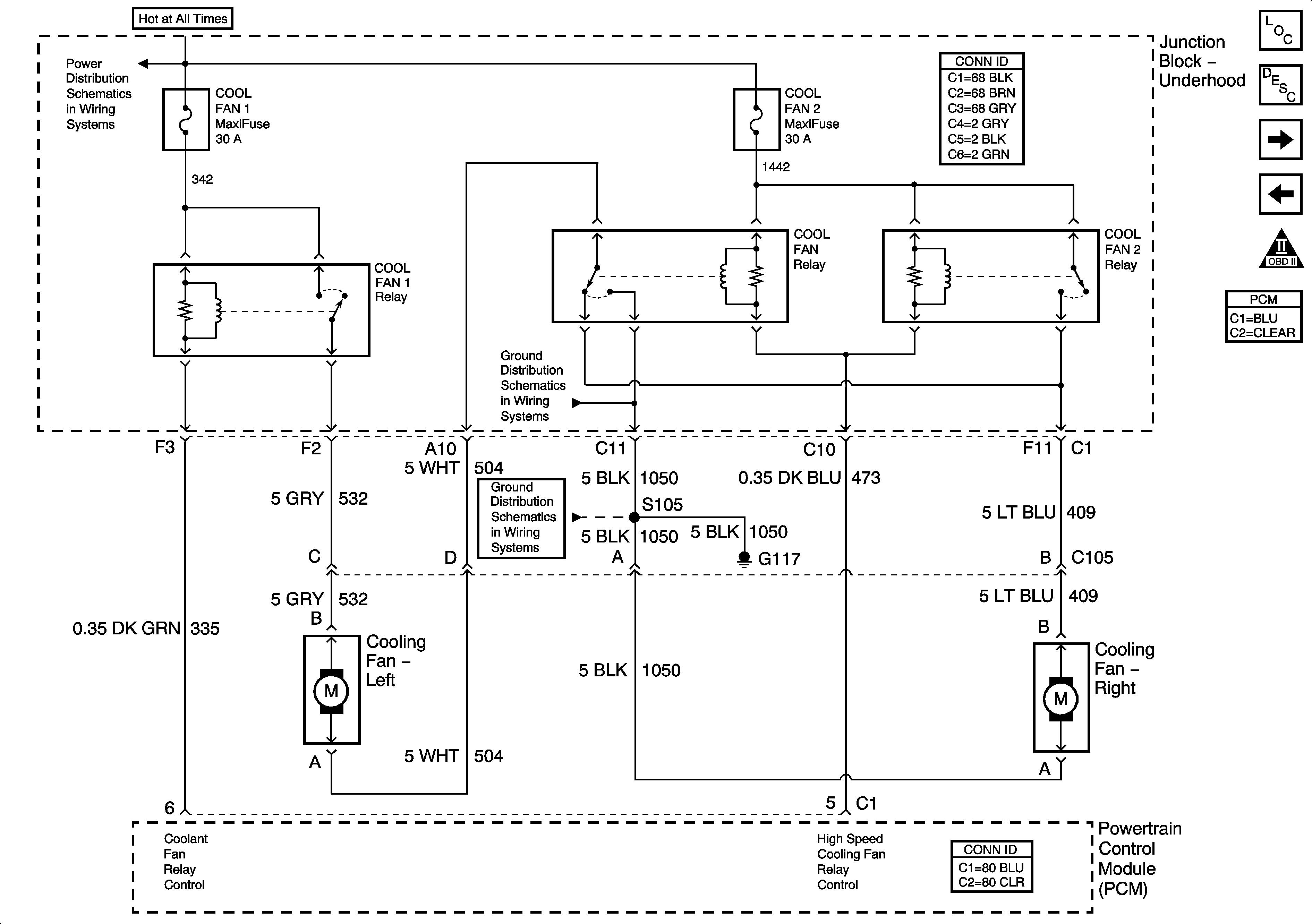
Coolant Fans
Coolant Fans
Junction Block - Underhood
G114 and G117
G114 and G117
Master Electrical Component List
Powertrain Control Module Description
VSS
A/C Compressor Controls
OBD II Symbol Description Notice
Powertrain Control Module Connector End Views