GM Service Manual Online
For 1990-2009 cars only
Makes
🢒
Chevrolet
🢒
2002
🢒
Venture Ext.
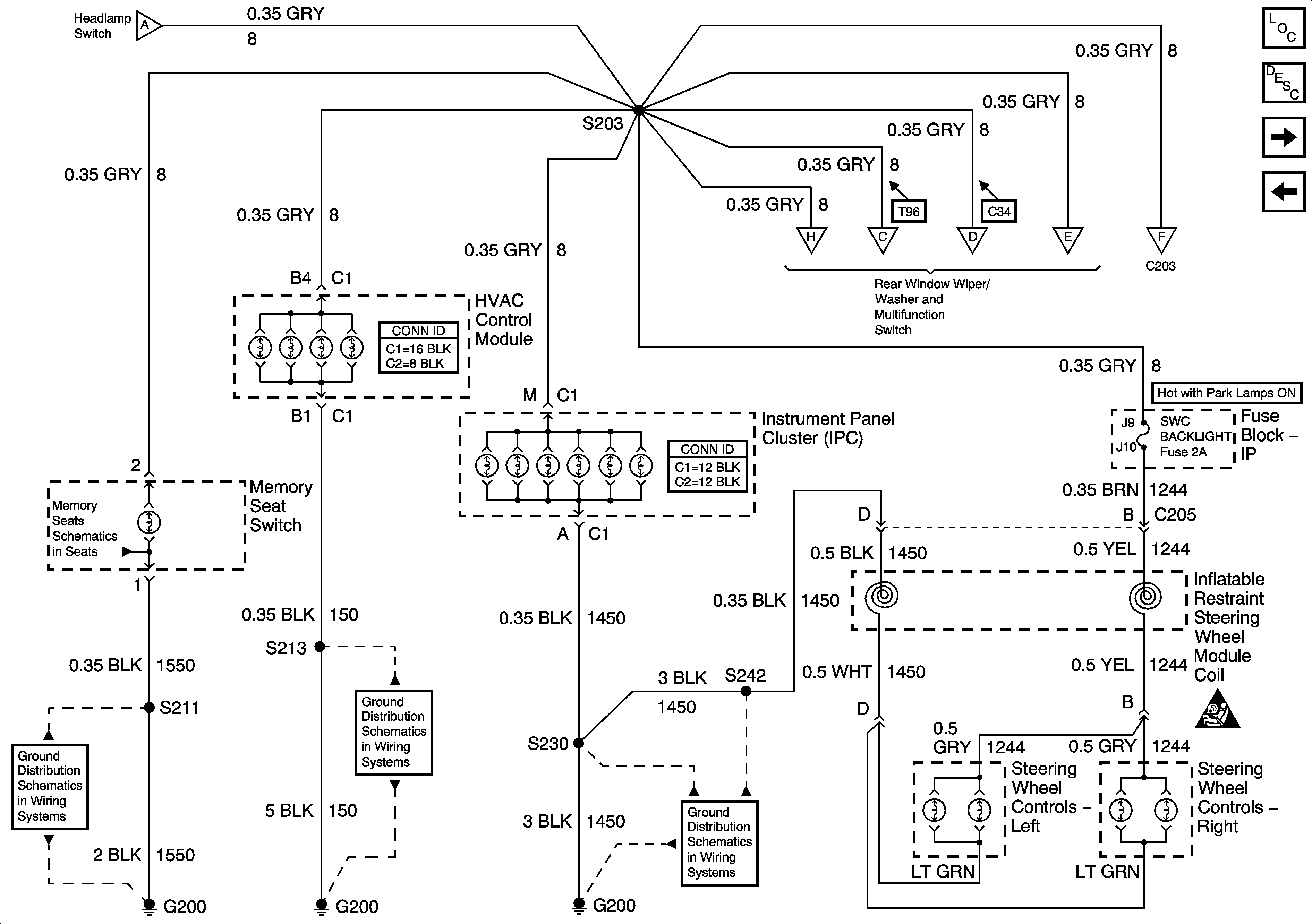
🢒 Heater-A/C Control Switches and Instrument Cluster
Heater-A/C Control Switches and Instrument Cluster
Heater-A/C Control Switches and Instrument Cluster
Headlamp and IP Lamp Dimmer Switch
Rear Window Wiper/Washer and Multifunction Switch, Window and Door Lock Switches
Rear Window Wiper/Washer and Multifunction Switch, Window and Door Lock Switches
Rear Window Wiper/Washer and Multifunction Switch, Window and Door Lock Switches
Rear Window Wiper/Washer and Multifunction Switch, Window and Door Lock Switches
Rear Window Wiper/Washer and Multifunction Switch, Window and Door Lock Switches
G200 (1 of 3)
G200 (2 of 3)
G200 (1 of 3)
SIR Caution
Master Electrical Component List
Interior Lighting Systems Description and Operation
Rear Window Wiper/Washer and Multifunction Switch, Window and Door Lock Switches
Headlamp and IP Lamp Dimmer Switch