GM Service Manual Online
For 1990-2009 cars only
Makes
🢒
Chevrolet
🢒
2002
🢒
Venture Ext.
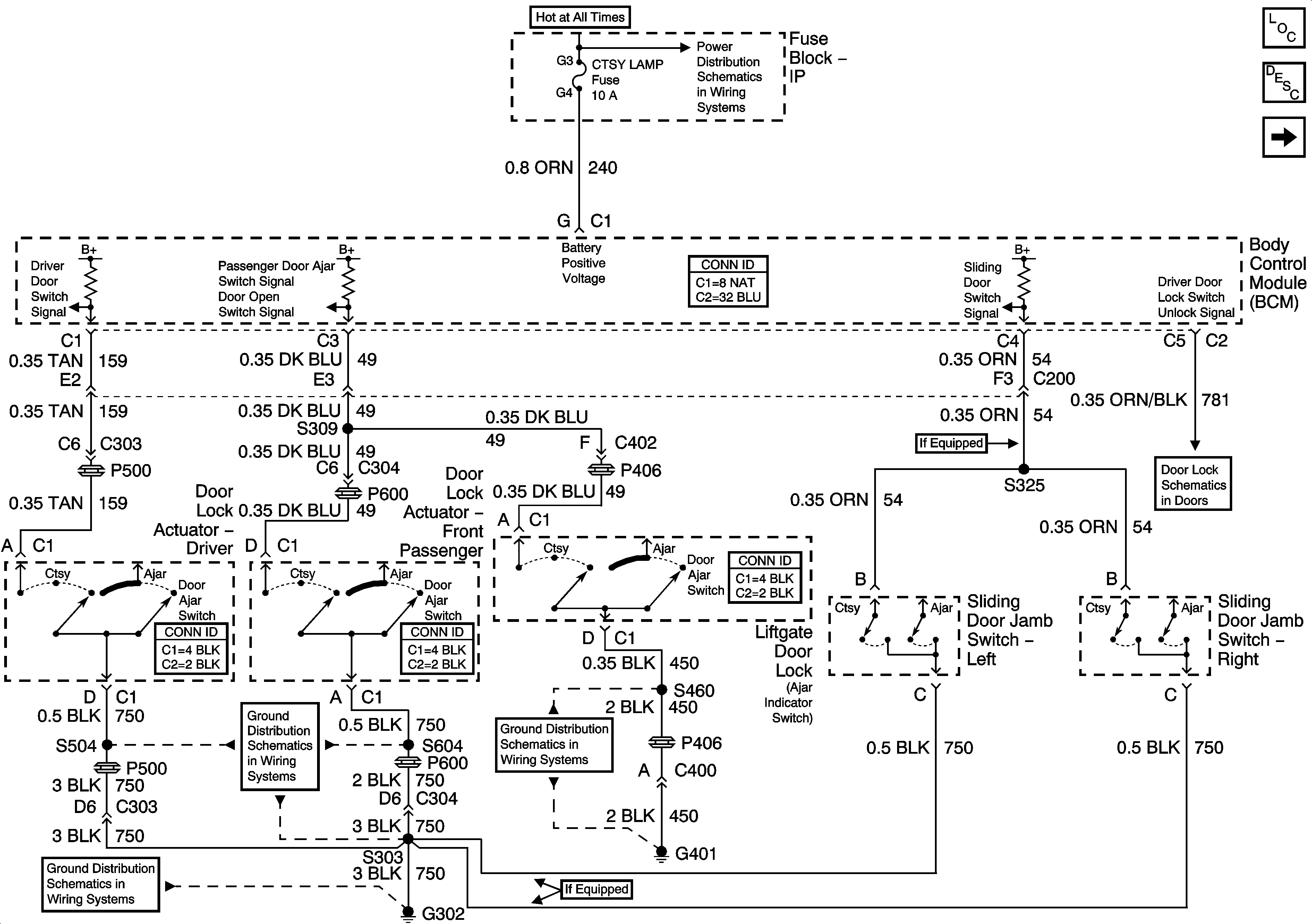
🢒 Door Locks, Sliding Door Jamb Switches and Liftgate Door Lock
Door Locks, Sliding Door Jamb Switches and Liftgate Door Lock
Door Locks, Sliding Door Jamb Switches and Liftgate Door Lock
IGN 1, SDM, T/SIG, CRUISE and PCM PASS KEY/CLUSTER Fuses
IGN 1, SDM, T/SIG, CRUISE and PCM PASS KEY/CLUSTER Fuses
BATT MAIN 1, CLUSTER BATT, RR PWR SCKT, PWR LOCK, RAP RELAY, CTSY LAMP, CTSY LAMP, ONSTAR, CIGAR DLC/APO FRT, and PWR MIRROR Fuses
IGN MAIN 2, BCM PRGRM, RR WPR/WSHR, MALL/CLUSTER and FRT/WPR/WSHR Fuses
G302 (2 of 2)
G302 (2 of 2)
G401
Master Electrical Component List
Interior Lighting Systems Description and Operation
Interior Lamp and Multifunction Switch and Sunshade Lighted Vanity Mirror