GM Service Manual Online
For 1990-2009 cars only
Makes
🢒
Chevrolet
🢒
2002
🢒
Venture Ext.
🢒 Fog Lights
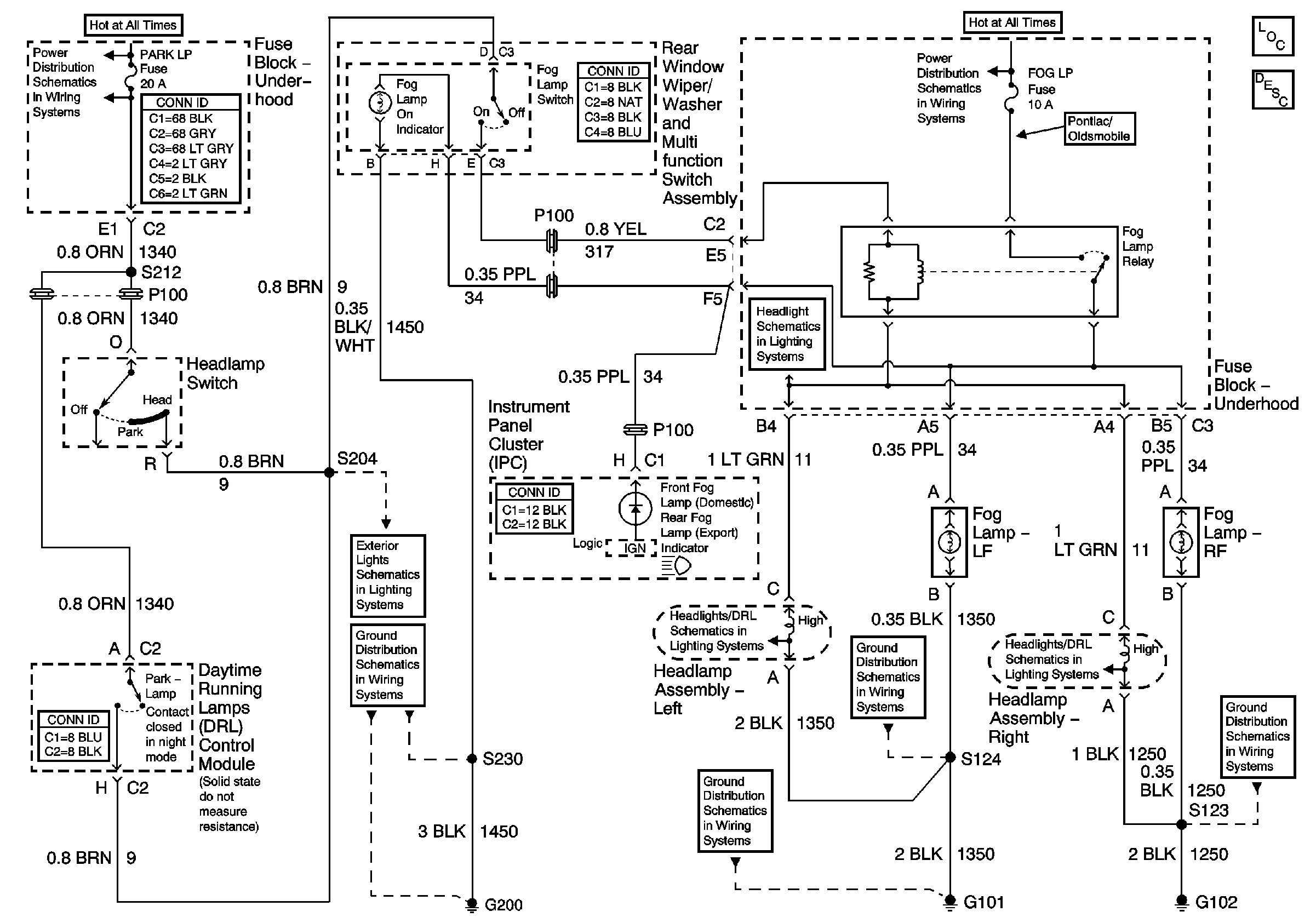
Fog Lights
Fog Lights
EBCM, BATT MAIN 1, RADIO and PARK LP Fuses
License Lamps and Relay Center
G200 (1 of 3)
Junction Block - Underhood
Headlamps
G101 and G102
G101 and G102
Master Electrical Component List
Exterior Lighting Systems Description and Operation