GM Service Manual Online
For 1990-2009 cars only
Makes
🢒
Chevrolet
🢒
2002
🢒
Venture Ext.
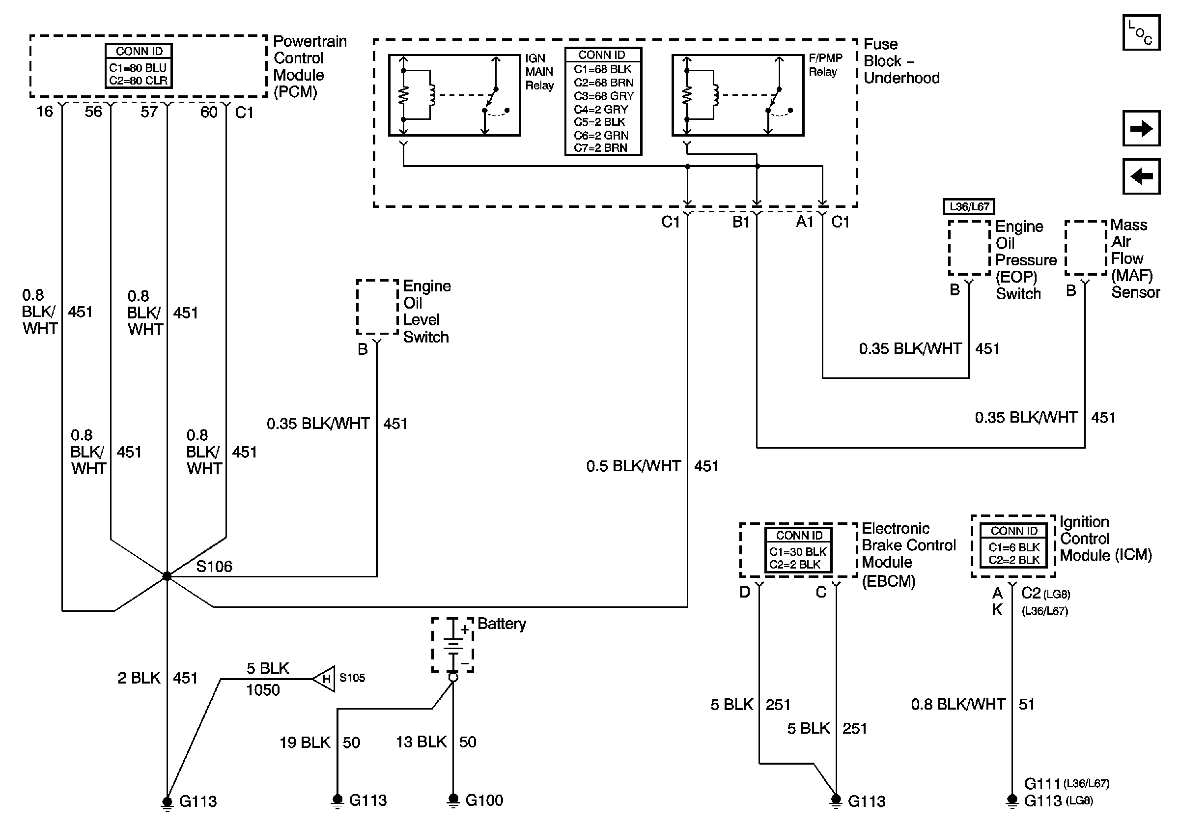
🢒 G100,G111 and G113
G100,G111 and G113
G100,G111 and G113
Master Electrical Component List
G113
G101
G113