GM Service Manual Online
For 1990-2009 cars only
Makes
🢒
Chevrolet
🢒
2002
🢒
Venture Ext.
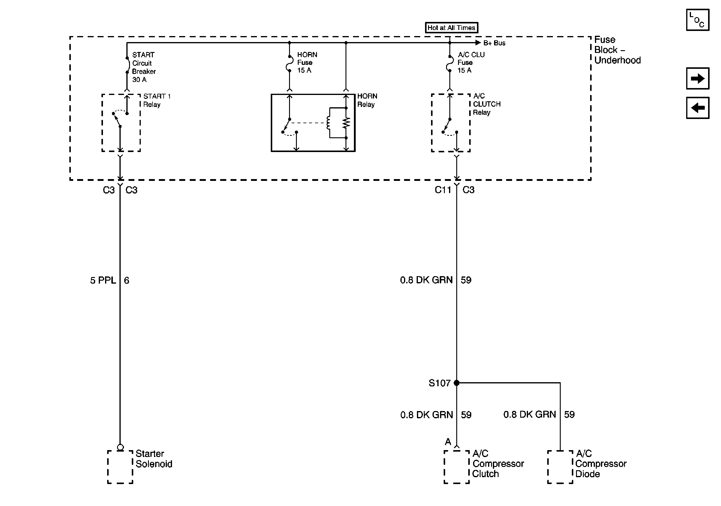
🢒 START, HORN, A/C CLU Fuses and Relays( Fuse Block - Underhood)
START, HORN, A/C CLU Fuses and Relays( Fuse Block - Underhood)
START, HORN, A/C CLU Fuses and Relays( Fuse Block -- Underhood)
Master Electrical Component List
Fog Lamp and Headlamp Fuses and Relays ( Fuse Block - Underhood)
INJR 2, PCM IGN, CR CONT, INJR 1 Fuses and the START 1 Relay( Fuse Block - Underhood)