GM Service Manual Online
For 1990-2009 cars only
Makes
🢒
Chevrolet
🢒
2002
🢒
Venture Ext.
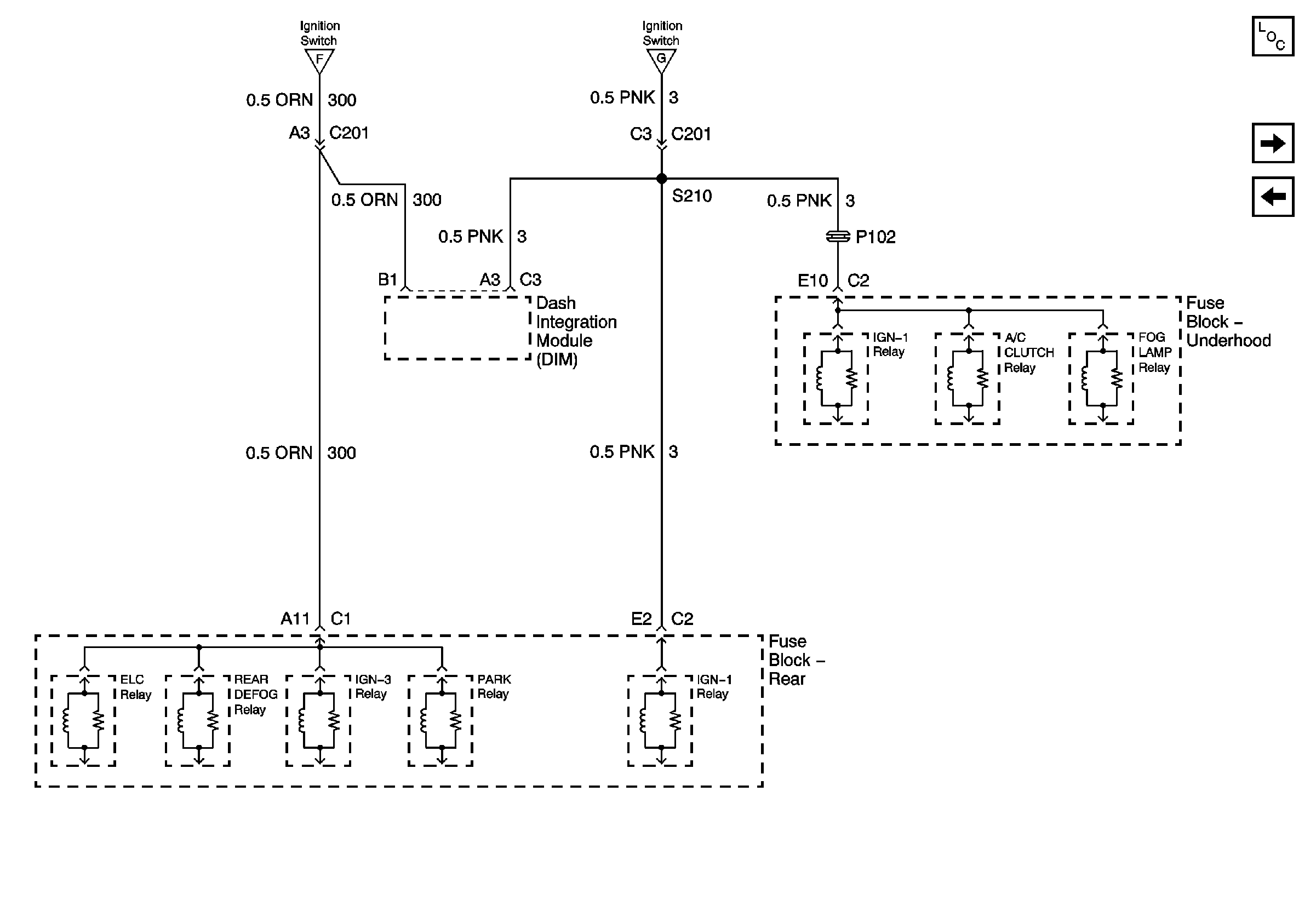
🢒 Ignition Switch RUN and START/RUN Positions
Ignition Switch RUN and START/RUN Positions
Ignition Switch RUN and START/RUN Positions
Master Electrical Component List
Ignition Switch Positions
Ignition Switch Positions
IGN 1, VENT SOL, and SIR Fuses (Fuse Block - Rear)
Ignition Switch Positions