GM Service Manual Online
For 1990-2009 cars only
Makes
🢒
Chevrolet
🢒
2002
🢒
Venture Ext.
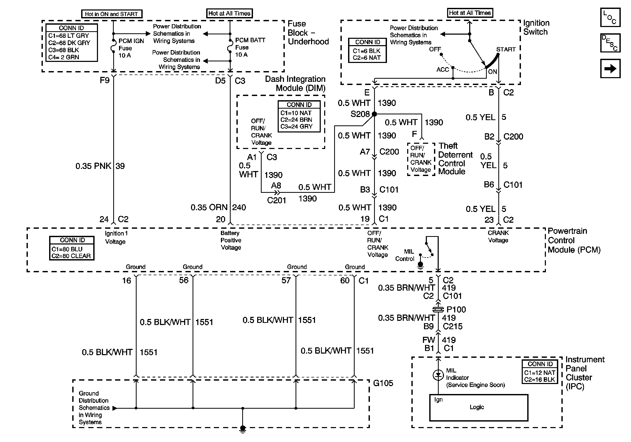
🢒 MIL Control, Ignition Switch, and PCM Power/Ground
MIL Control, Ignition Switch, and PCM Power/Ground
MIL Control, Ignition Switch, and PCM Power/Ground
Battery Feed to the Fuse Block - Underhood
ABS, PCM BATT Fuses and the COOLFAN 1 Relay ( Fuse Block - Underhood)
IGN SW, PRK/REV Fuses and the PARK and REVERSE Relays (Fuse Block -Rear)
Master Electrical Component List
IC Module Signals
G104 and G105