GM Service Manual Online
For 1990-2009 cars only
Makes
🢒
Chevrolet
🢒
2002
🢒
Venture Ext.
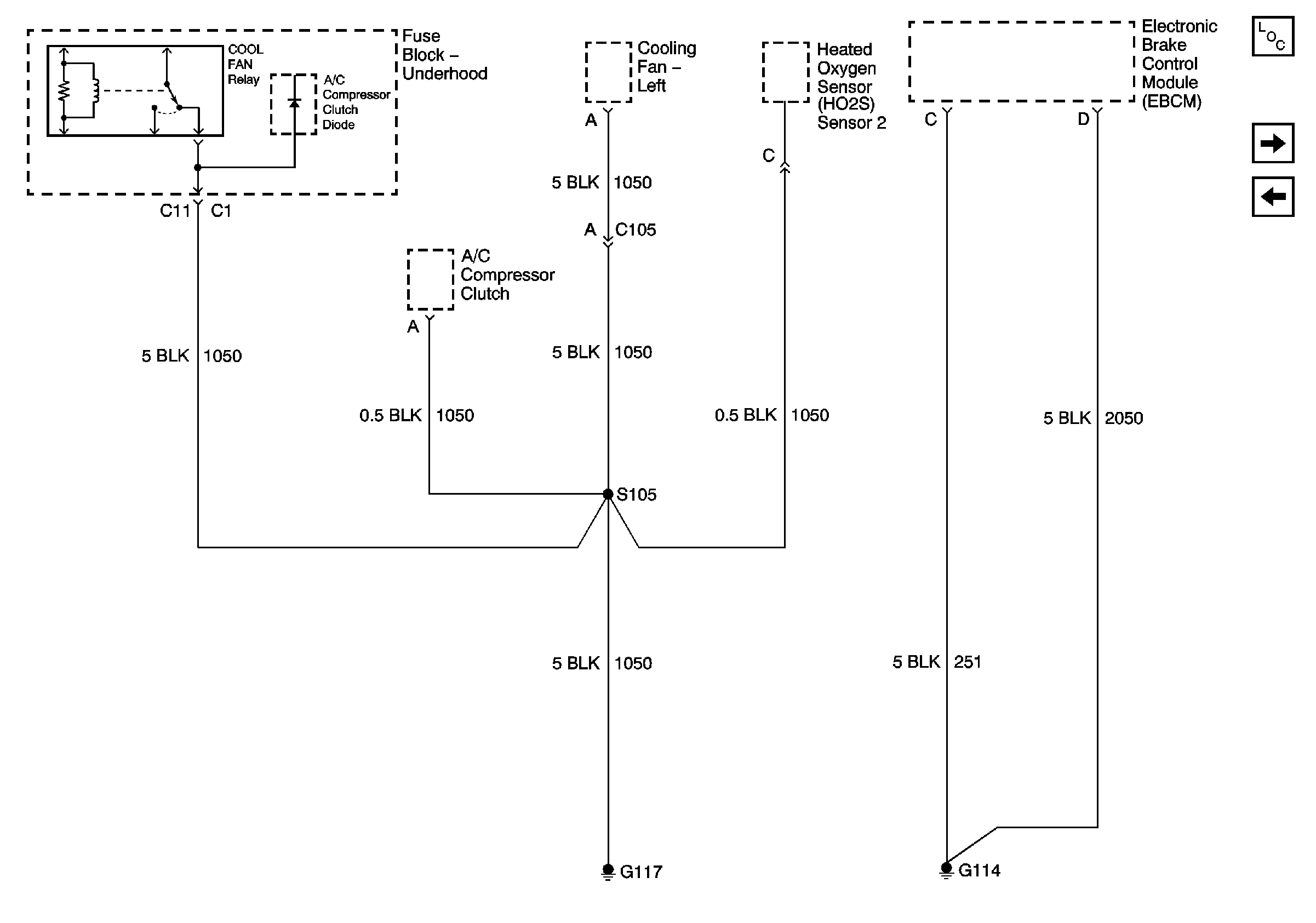
🢒 G114, G117
G114, G117
G114, G117
Master Electrical Component List
G200
G100, G111, G113