GM Service Manual Online
For 1990-2009 cars only
Makes
🢒
Chevrolet
🢒
2002
🢒
Venture Ext.
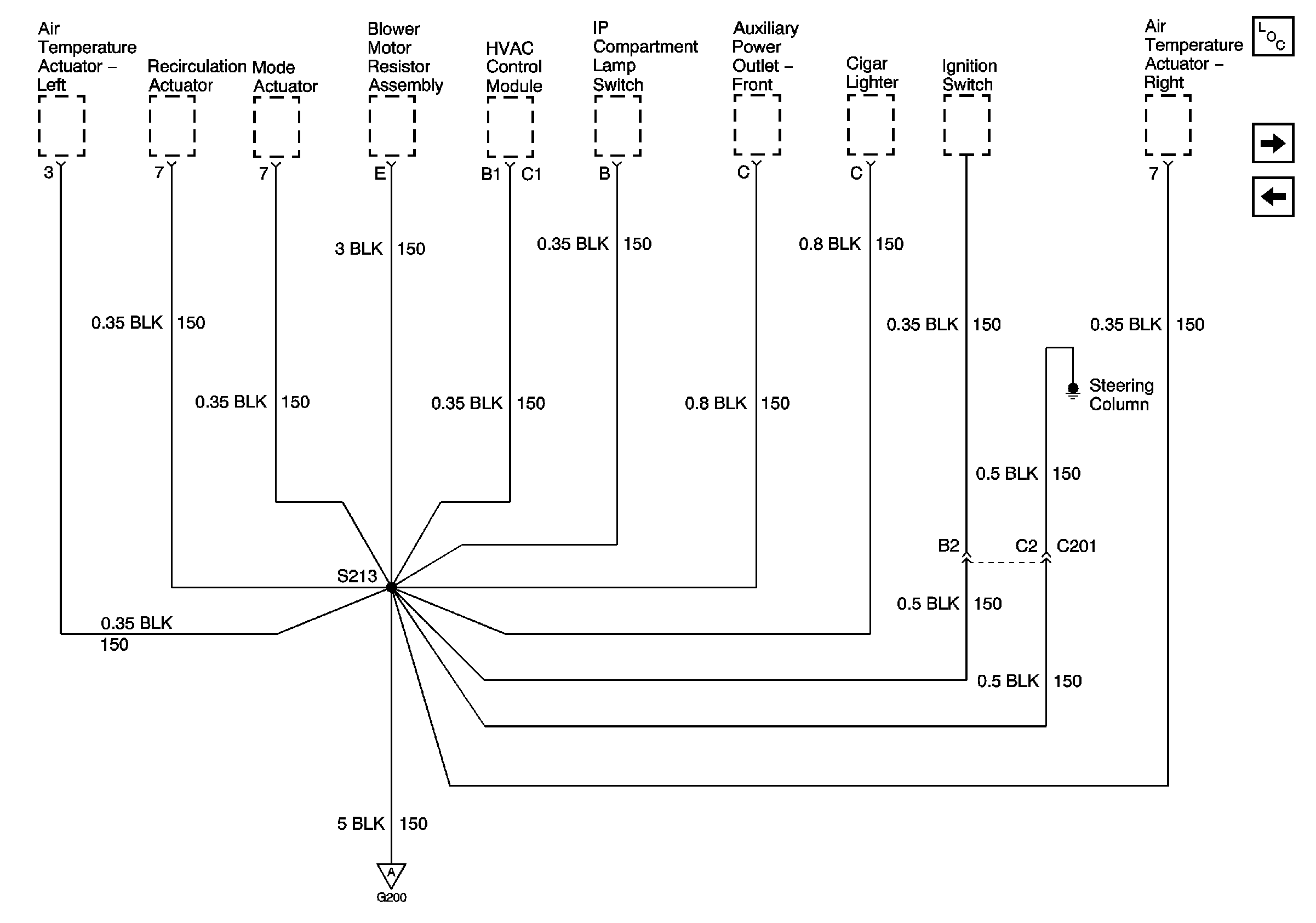
🢒 G200
G200
G200 - 2 of 3
Master Electrical Component List
G200
G200
G200