GM Service Manual Online
For 1990-2009 cars only
Makes
🢒
Chevrolet
🢒
2002
🢒
Venture Ext.
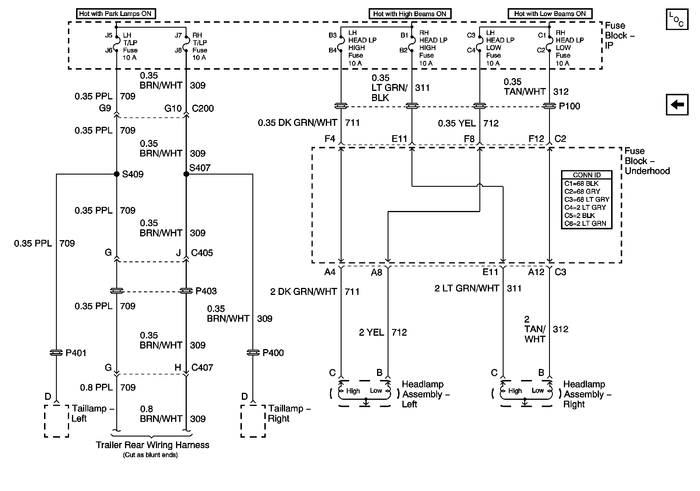
🢒 (Export Only) LH T/LP, HR T/LP, LH HEAD LP HIGH, RH HEAD LP HIGH, LH HEAD LP LOW, RH HEAD LP LOW fuses
(Export Only) LH T/LP, HR T/LP, LH HEAD LP HIGH, RH HEAD LP HIGH, LH HEAD LP LOW, RH HEAD LP LOW fuses
(Export Only) LH T/LP, RH T/LP, LH HEAD LP HIGH, RH HEAD LP HIGH, LH HEAD LP LOW, RH HEAD LP LOW
Master Electrical Component List
INJ fuse and Fuel Injectors