GM Service Manual Online
For 1990-2009 cars only
Makes
🢒
Chevrolet
🢒
2002
🢒
Venture Ext.
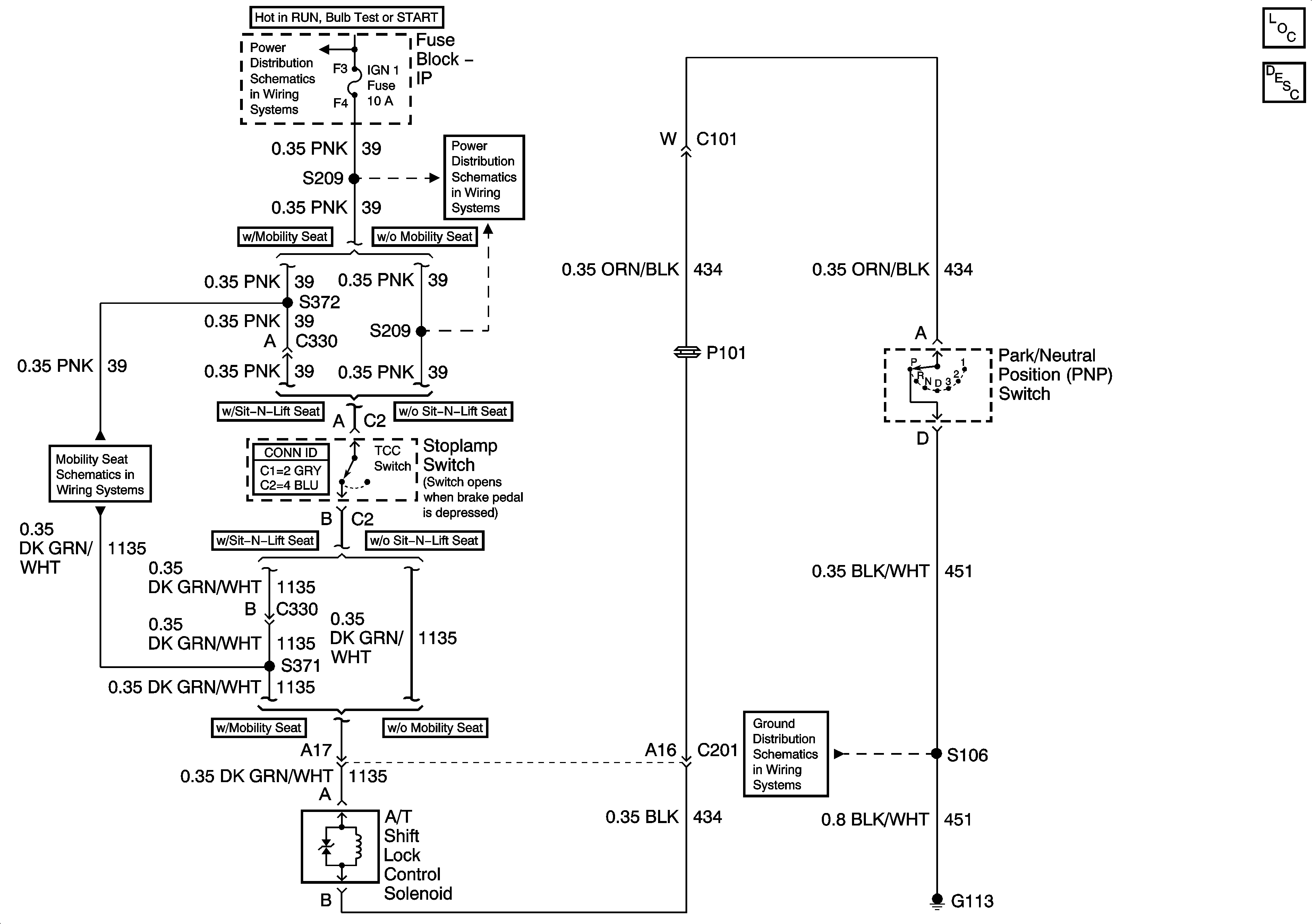
🢒 Automatic Transmission Shift Lock Control
Automatic Transmission Shift Lock Control
Master Electrical Component List
Automatic Transmission Shift Lock Control Description and Operation
IGN1, SDM, T/SIG, CRUISE, PCM PASSKEY/CLUSTER fuses
IGN1, SDM, T/SIG, CRUISE, PCM PASSKEY/CLUSTER fuses
G100, G111, G113