GM Service Manual Online
For 1990-2009 cars only
Makes
🢒
Chevrolet
🢒
2002
🢒
Venture Ext.
🢒 Rear Air Delivery Controls with Video Entertainment
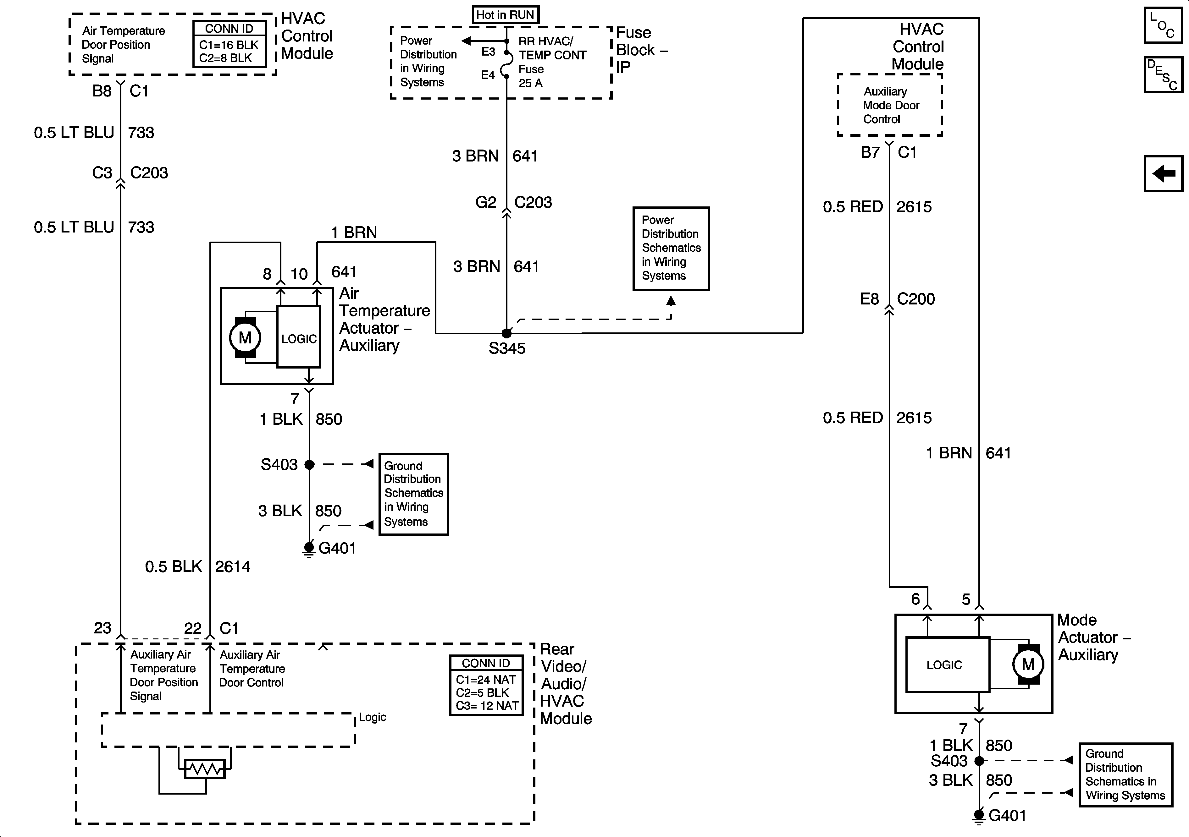
Rear Air Delivery Controls with Video Entertainment
Rear Air Delivery Controls with Video Entertainment
Master Electrical Component List
Air Temperature Description and Operation
Rear Air Delivery
DRL/HVAC/TEMP/HTD ST, HVAC BLOWER, RR HVAC/TEMP CONT fuses
DRL/HVAC/TEMP/HTD ST, HVAC BLOWER, RR HVAC/TEMP CONT fuses
G401
G401