GM Service Manual Online
For 1990-2009 cars only
Makes
🢒
Chevrolet
🢒
2003
🢒
Venture Ext.
🢒
Suspension
🢒
Automatic Level Control
🢒 Automatic Level Control Schematics
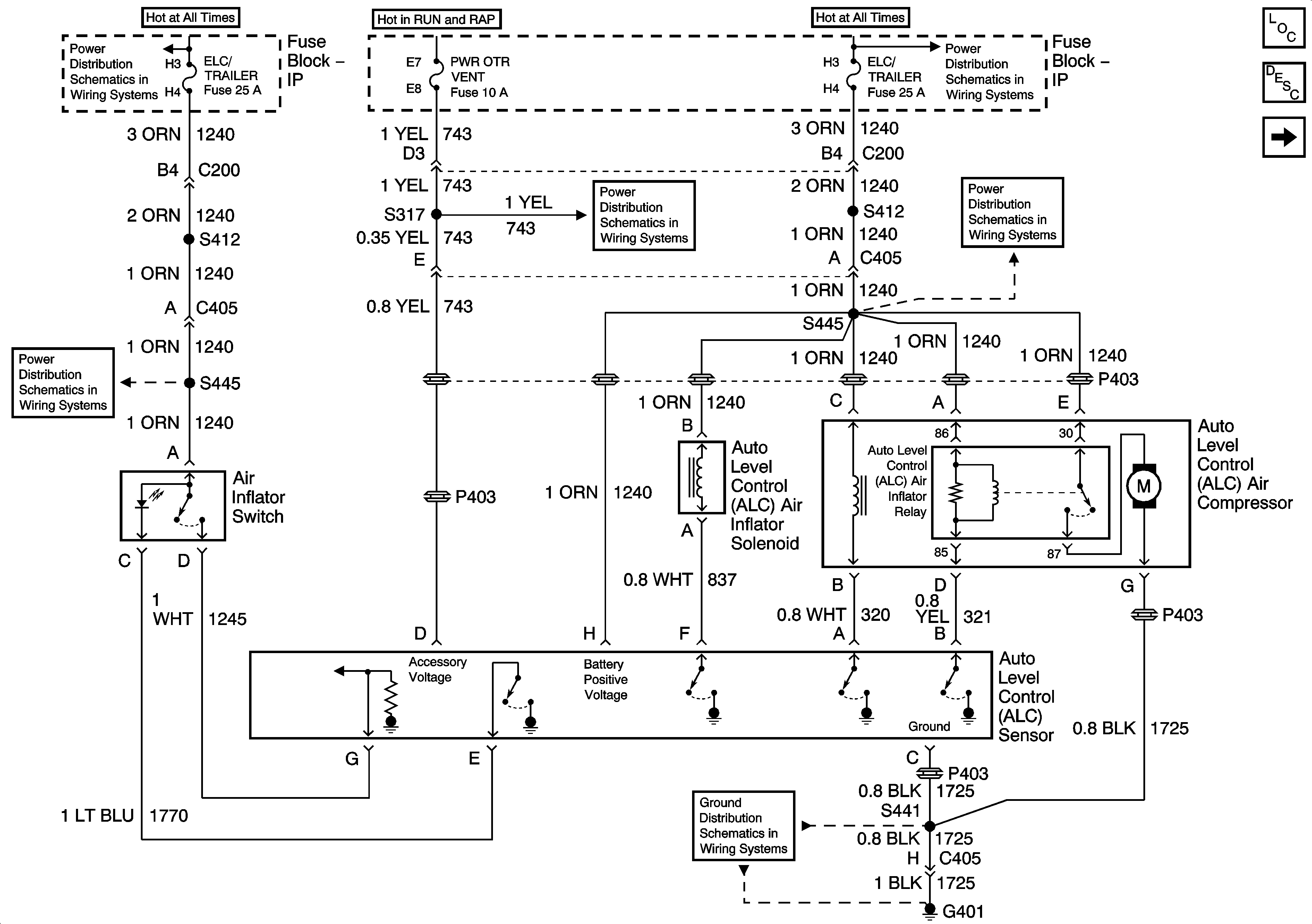
Figure
1:
With Inflator
Master Electrical Component List
Automatic Level Control Description and Operation
ELC - Without Inflator
BATT Main 2, ELC/TRAILER, RR FOG LP Fuses
BATT Main 2, ELC/TRAILER, RR FOG LP Fuses
RAP Relay, Fuse Block - Underhood, and Fuse Block - I/P Fuses
G401
BATT Main 2, ELC/TRAILER, RR FOG LP Fuses
BATT Main 2, ELC/TRAILER, RR FOG LP Fuses
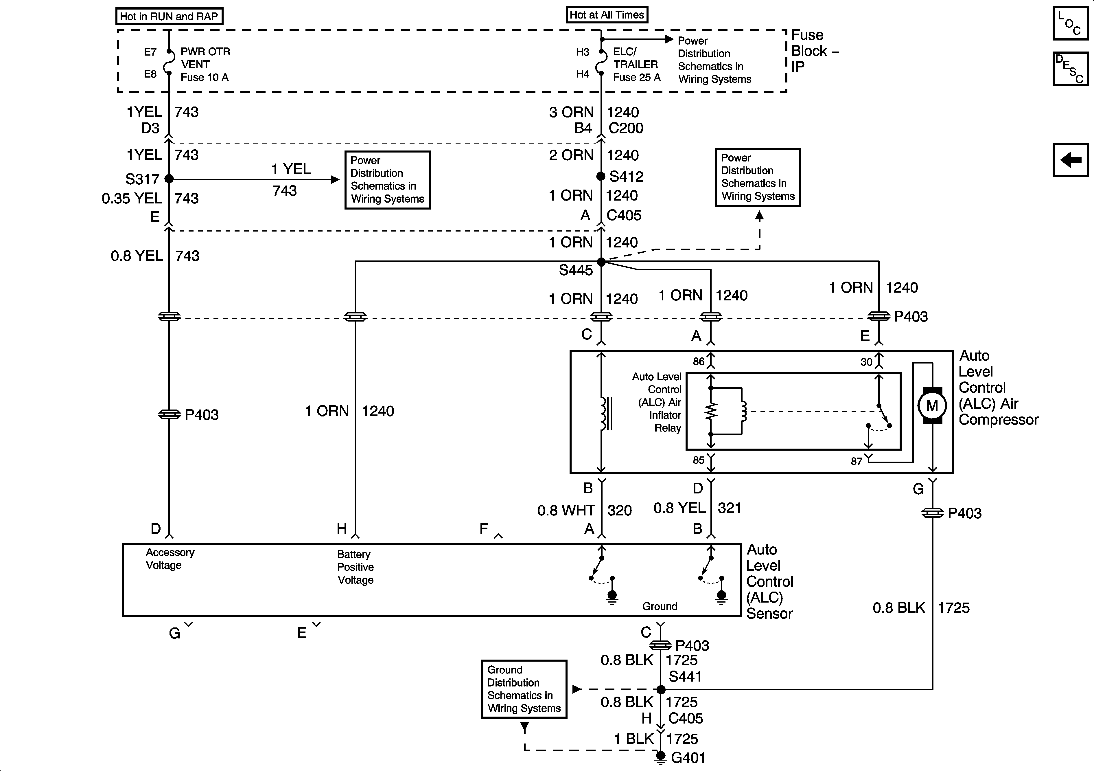
Figure
2:
Without Inflator
Master Electrical Component List
Automatic Level Control Description and Operation
ELC - With Inflator
RAP Relay, Fuse Block - Underhood, and Fuse Block - I/P Fuses
BATT Main 2, ELC/TRAILER, RR FOG LP Fuses
BATT Main 2, ELC/TRAILER, RR FOG LP Fuses
G401