GM Service Manual Online
For 1990-2009 cars only
Makes
🢒
Chevrolet
🢒
2003
🢒
Venture Ext.
🢒
Body and Accessories
🢒
Cellular Communication
🢒 OnStar Schematics
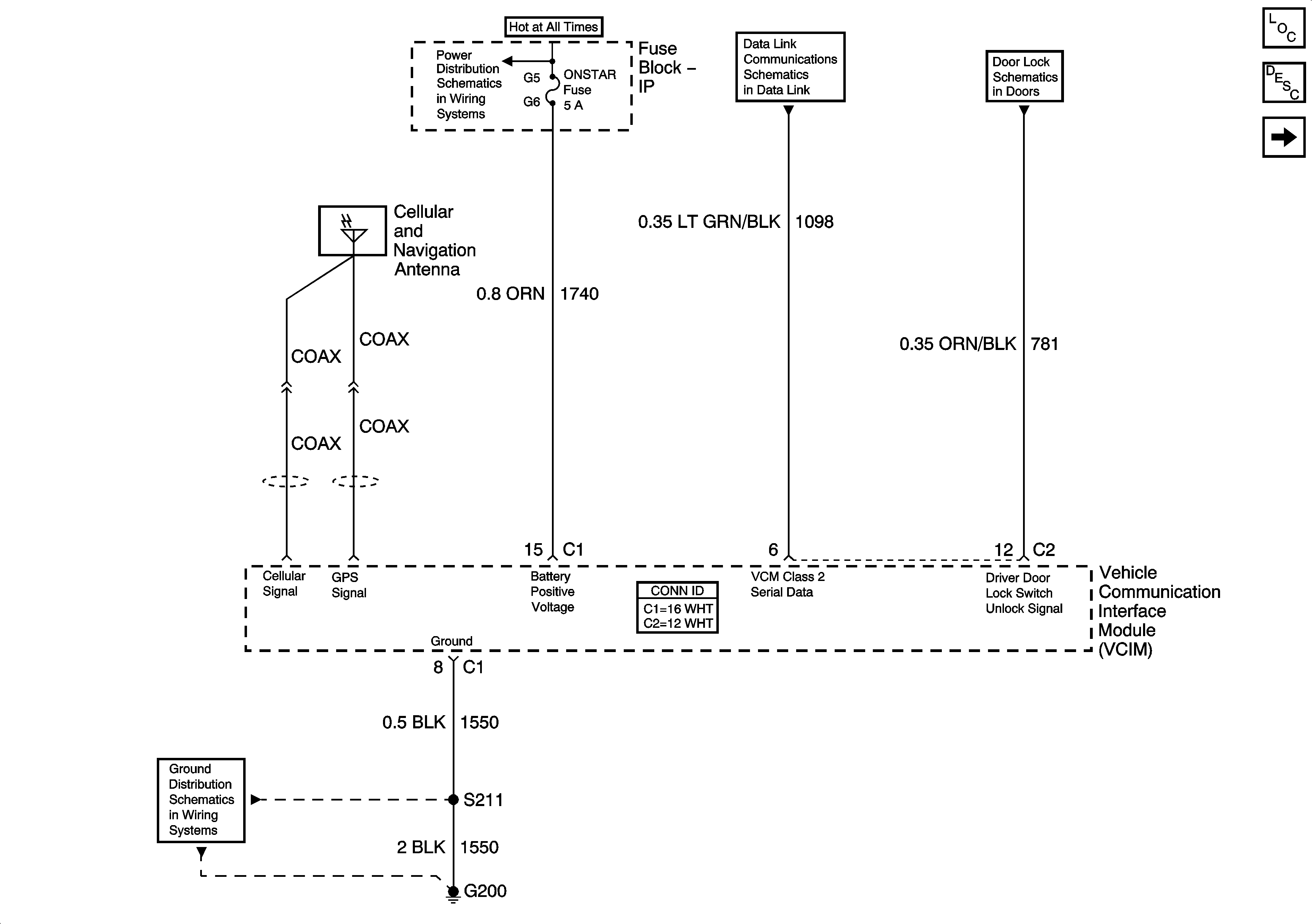
Figure
1:
Onstar Power and Grounds
Master Electrical Component List
OnStar Description and Operation
Onstar Inputs and Outputs
BATT Main 1 and Fuse Block - I/P Fuses
Data Link Connector (DLC)
Key Cylinder Switches
G200, Page 1 of 3
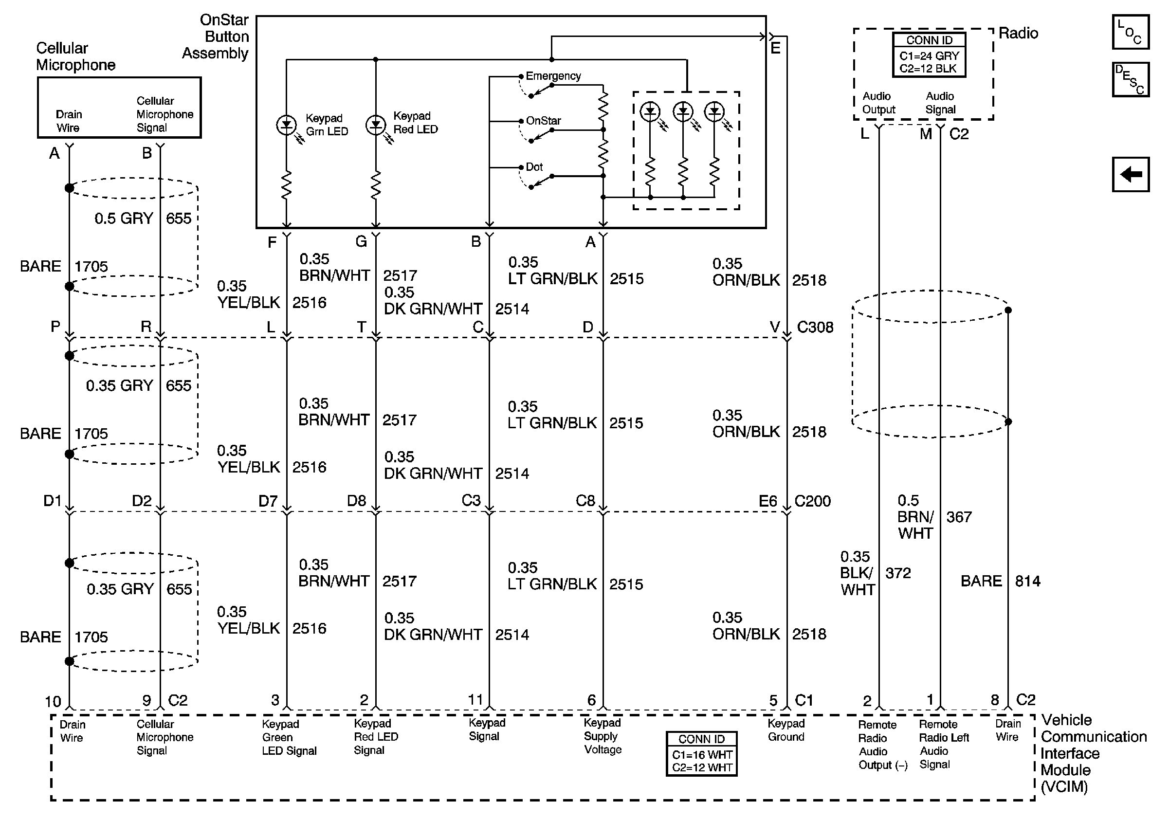
Figure
2:
Onstar Inputs and Outputs
Master Electrical Component List
OnStar Description and Operation
Onstar Power and Ground