GM Service Manual Online
For 1990-2009 cars only
Makes
🢒
Chevrolet
🢒
2003
🢒
Venture Ext.
🢒 Video Disc Player and Rear Video/Audio/HVAC Module, Page 2 of 2
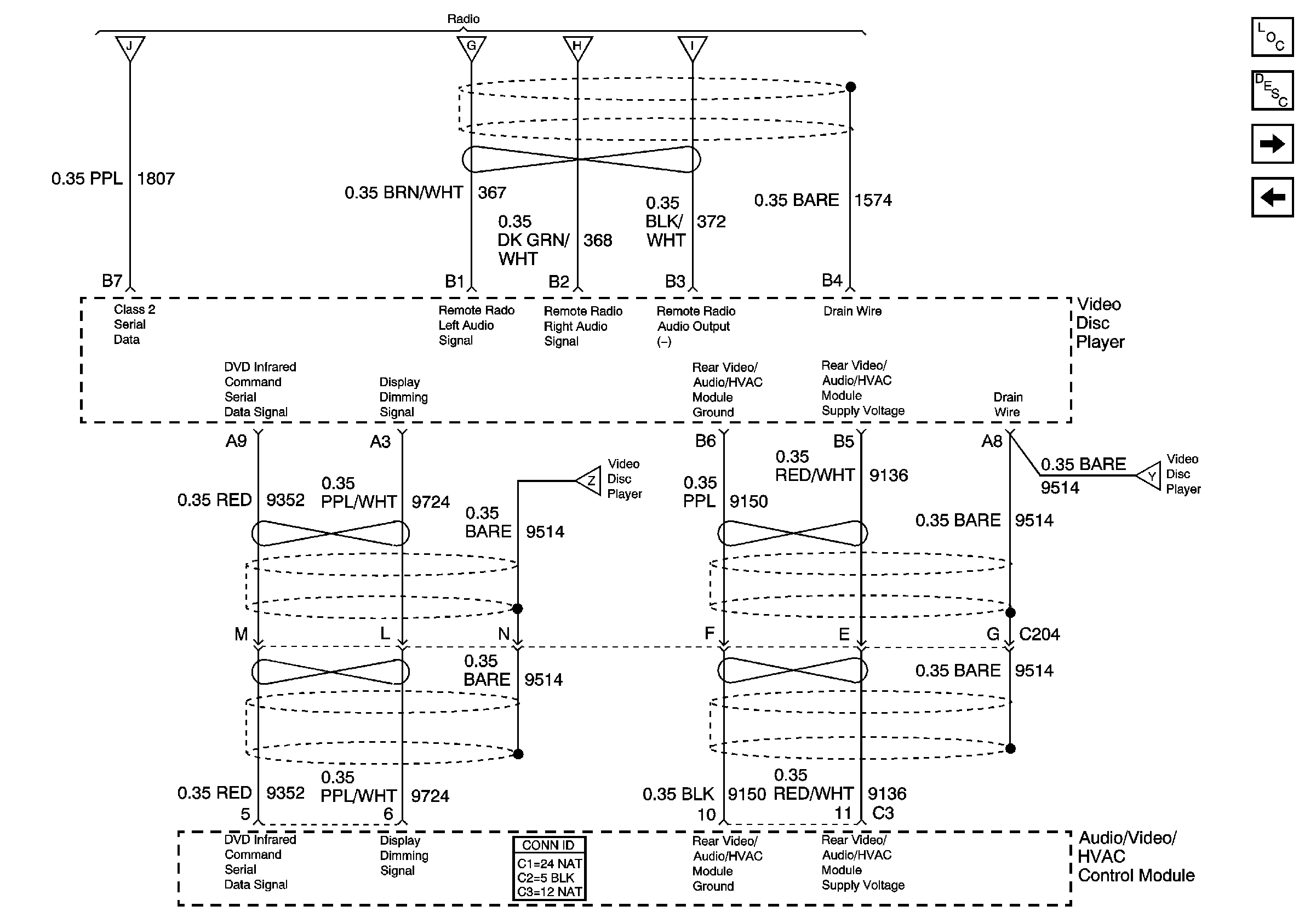
Video Disc Player and Rear Video/Audio/HVAC Module, Page 2 of 2
Video Disc Player and Rear Video/Audio HVAC Control Module, Page 2 of 2
Master Electrical Component List
Video Entertainment System Description and Operation
Radio with U32
Video Disc Player and Rear Video/Audio/HVAC Module, Page 1 of 2
Radio with U32
Radio with U32
Radio with U32
Radio with U32
Video Disc Player and Rear Video/Audio/HVAC Module, Page 1 of 2
Video Disc Player and Rear Video/Audio/HVAC Module, Page 1 of 2