GM Service Manual Online
For 1990-2009 cars only
Makes
🢒
Chevrolet
🢒
2003
🢒
Venture Ext.
🢒 Heated Seats
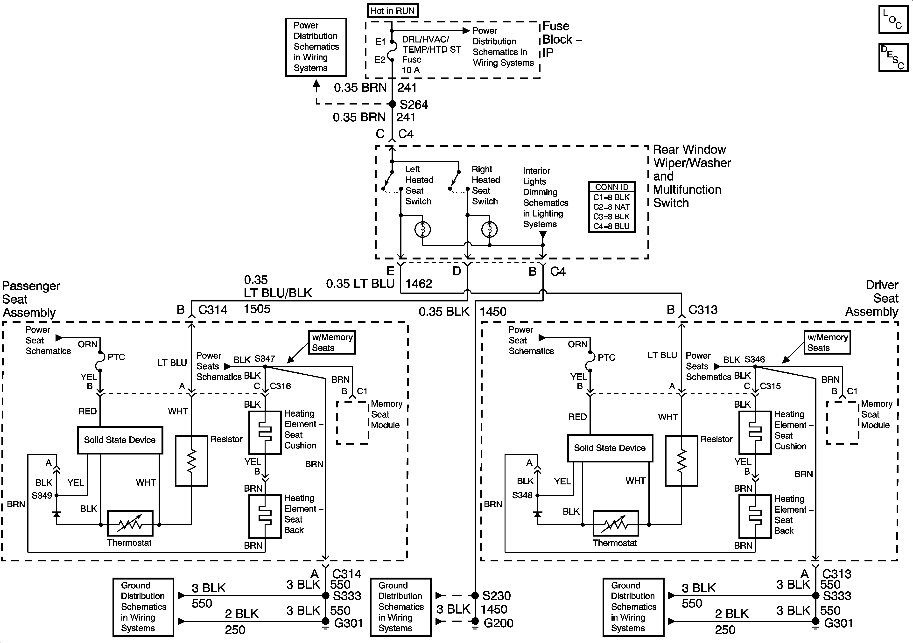
Heated Seats
Master Electrical Component List
Heated Seats Description and Operation
DRL/HVAC/TEMP/HTD ST, HVAC BLOWER and RR HVAC/TEMP CONT Fuses
DRL/HVAC/TEMP/HTD ST, HVAC BLOWER and RR HVAC/TEMP CONT Fuses
Rear Window Wiper/Washer and Multifunction Switch, Window and Door Lock Switches
Passenger Side Power Seat, Ground and Switches
Driver Side Power Seat, Ground and Switches
G210 and G301
G200, Page 1 of 3
G210 and G301