GM Service Manual Online
For 1990-2009 cars only
Makes
🢒
Chevrolet
🢒
2003
🢒
Venture Ext.
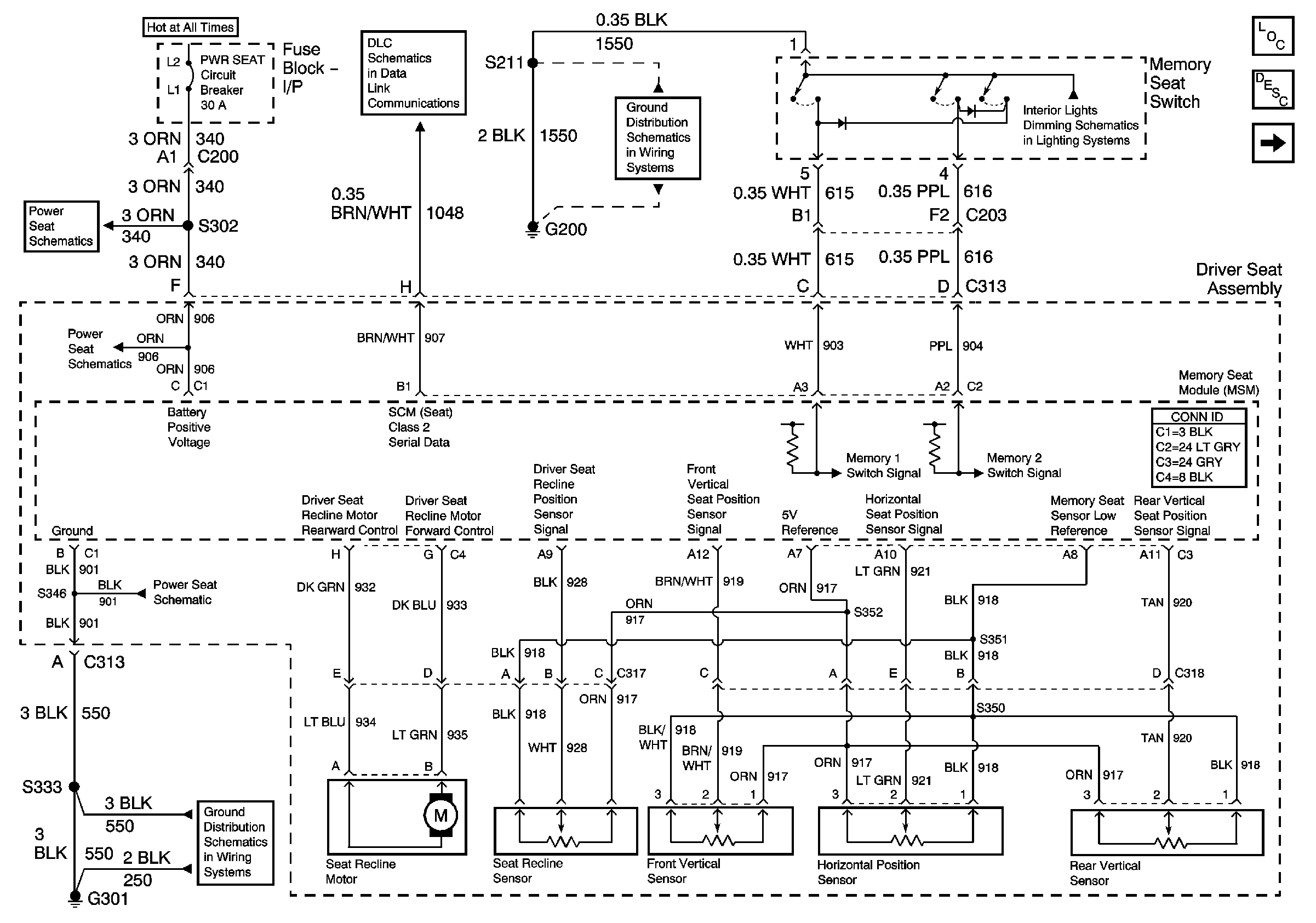
🢒 Ground, Memory Seat Switch, and Memory Seat Module (MSM)
Ground, Memory Seat Switch, and Memory Seat Module (MSM)
Ground, Memory Seat Switch, and Memory Seat Module (MSM)
Master Electrical Component List
Memory Seats Description and Operation
Memory Seat Module (MSM) and Seat Horizontal Motor
Data Link Connector (DLC)
Driver Side Power Seat, Ground and Switches
Heater-AC Control Switches and Instrument Panel Cluster
Heater-AC Control Switches and Instrument Panel Cluster
Driver Side Power Seat, Ground and Switches
Driver Side Power Seat, Ground and Switches
G210 and G301