GM Service Manual Online
For 1990-2009 cars only
Figure 1:

Power and Grounds


Object Number: 800869  Size: FS
Master Electrical Component List
Radio/Audio System Description and Operation
Windshield Antenna
Steering Wheel Controls
Data Link Connector (DLC) Schematics
EBCM, BATT Main 1, RADIO and PARK LP Fuses
EBCM, BATT Main 1, RADIO and PARK LP Fuses
G201
Figure 2:

Windshield Antenna


Object Number: 800870  Size: FS
Master Electrical Component List
Radio/Audio System Description and Operation
Rear Seat Audio (RSA) Controls w/ U32
Power and Ground
Headlamp and I/P Lamp Dimmer Switch
Steering Wheel Controls
Right and Left Radio Liftgate Speaker (Uplevel)
Right and Left Radio Liftgate Speaker (Base)
Right and Left Radio Liftgate Speaker (Uplevel)
Figure 3:

Rear Seat Audio (RSA) Controls w/U32


Object Number: 822275  Size: FS
Master Electrical Component List
Radio/Audio System Description and Operation
Digital Radio Receiver (U2K)
Windshield Antenna
Radio with U32
Figure 4:

Radio and Class 2 Serial Data


Object Number: 800872  Size: FS
Master Electrical Component List
Radio/Audio System Description and Operation
Right and Left Radio Liftgate Speaker (Base)
Digital Radio Receiver (U2K)
Onstar Inputs and Outputs
Video Disc Player and Rear Video/Audio/HVAC Module 2 of 2
Video Disc Player and Rear Video/Audio/HVAC Module 2 of 2
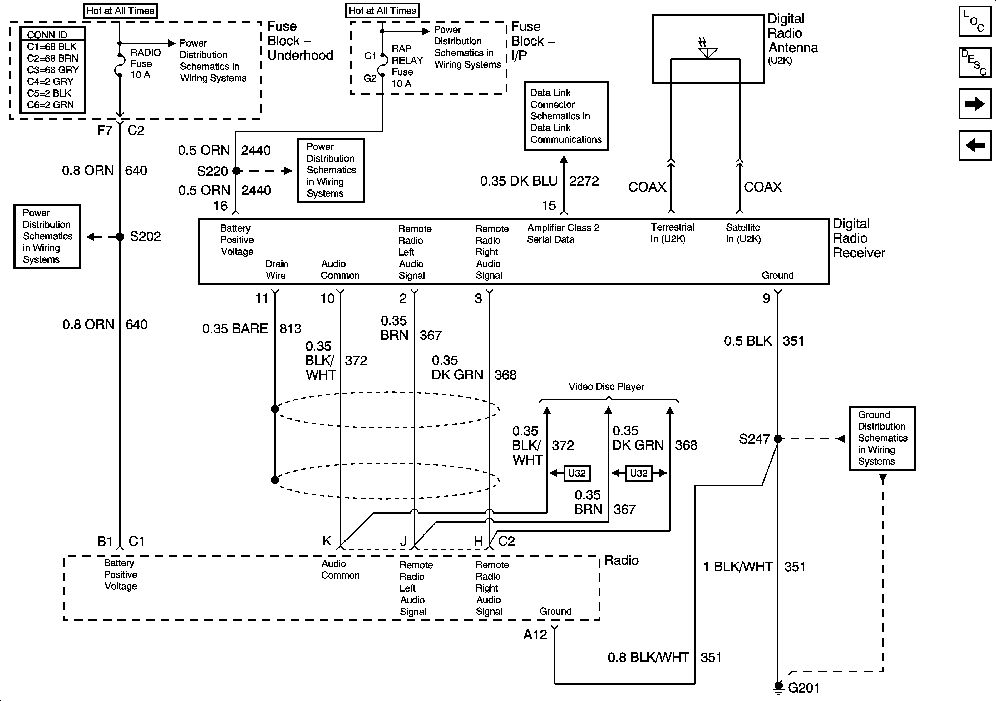
Figure 5:

Digital Radio Receiver (U2K)


Object Number: 1219525  Size: FS
Master Electrical Component List
Radio/Audio System Description and Operation
Radio and Class 2 Serial Data
Rear Seat Audio (RSA) Controls w/ U32
EBCM, BATT Main 1, RADIO and PARK LP Fuses
EBCM, BATT Main 1, RADIO and PARK LP Fuses
BATT Main 1 and Fuse Block - I/P Fuses
BATT Main 1 and Fuse Block - I/P Fuses
Data Link Connector (DLC) Schematics
Radio with U32
G201
Figure 6:

Right and Left Radio Liftgate Speaker (Base)


Object Number: 800873  Size: FS
Master Electrical Component List
Radio/Audio System Description and Operation
Right and Left Radio Liftgate Speaker (Uplevel)
Radio and Class 2 Serial Data
Windshield Antenna
Windshield Antenna
Windshield Antenna
Windshield Antenna
Figure 7:

Right and Left Radio Liftgate Speakers (Uplevel)


Object Number: 800875  Size: FS
Master Electrical Component List
Radio/Audio System Description and Operation
Right and Left Radio Liftgate Speaker (Base)
Windshield Antenna
Windshield Antenna
Windshield Antenna
Windshield Antenna
Windshield Antenna
Windshield Antenna
Headlamp and I/P Lamp Dimmer Switch