GM Service Manual Online
For 1990-2009 cars only
Makes
🢒
Chevrolet
🢒
2004
🢒
Venture Ext.
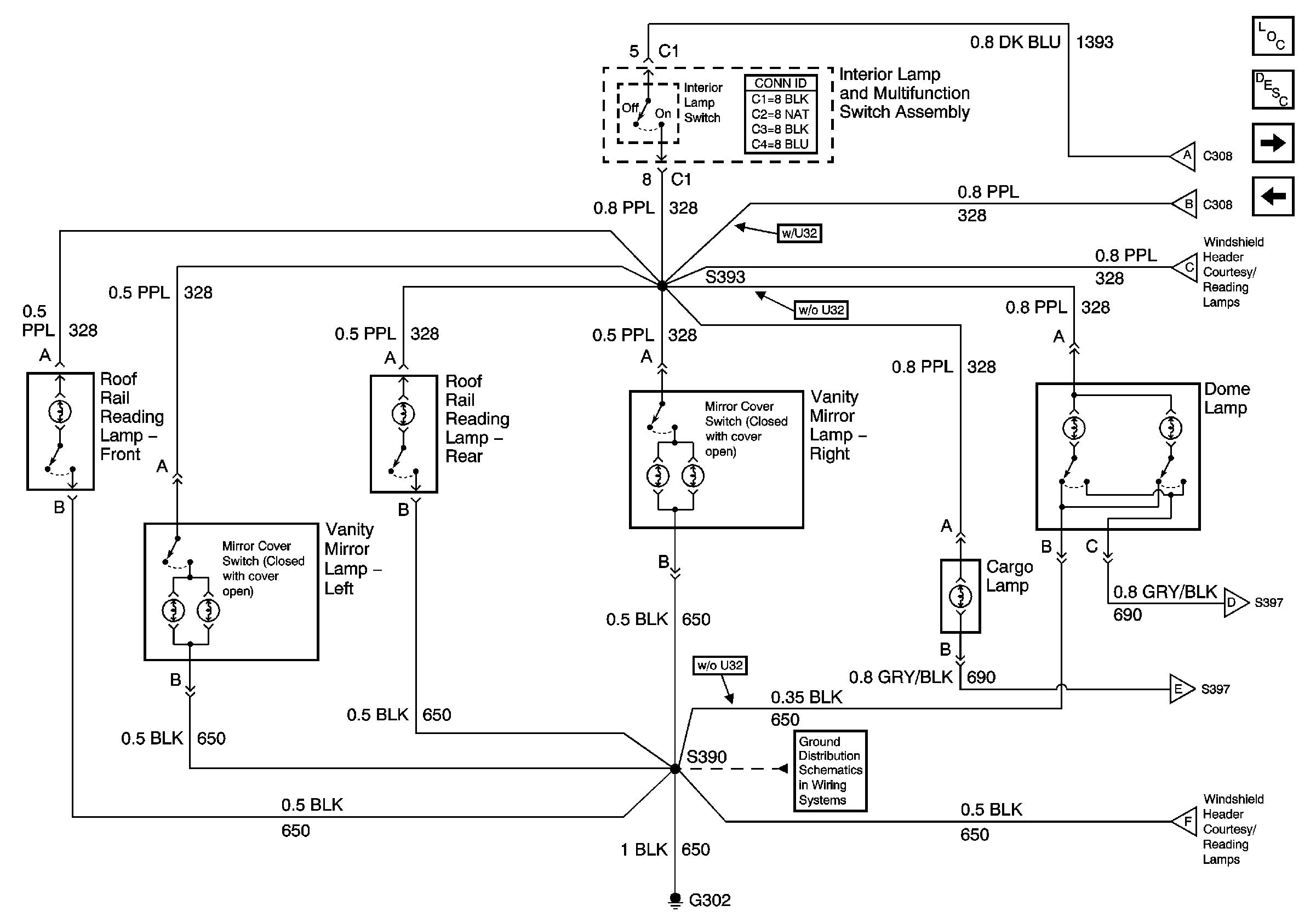
🢒 Vanity and Reading Lamps
Vanity and Reading Lamps
Vanity and Reading Lamps
Master Electrical Component List
Interior Lighting Systems Description and Operation
Windshield Header/Courtesy Reading Lamps
Door Locks, Sliding Door Jamb Switches and Liftgate Door Lock
Windshield Header/Courtesy Reading Lamps
Windshield Header/Courtesy Reading Lamps
Windshield Header/Courtesy Reading Lamps
Windshield Header/Courtesy Reading Lamps
Windshield Header/Courtesy Reading Lamps
Windshield Header/Courtesy Reading Lamps
G302, Page 1 of 3