GM Service Manual Online
For 1990-2009 cars only
Makes
🢒
Chevrolet
🢒
2005
🢒
Venture Ext.
🢒
Body
🢒
Stationary Windows
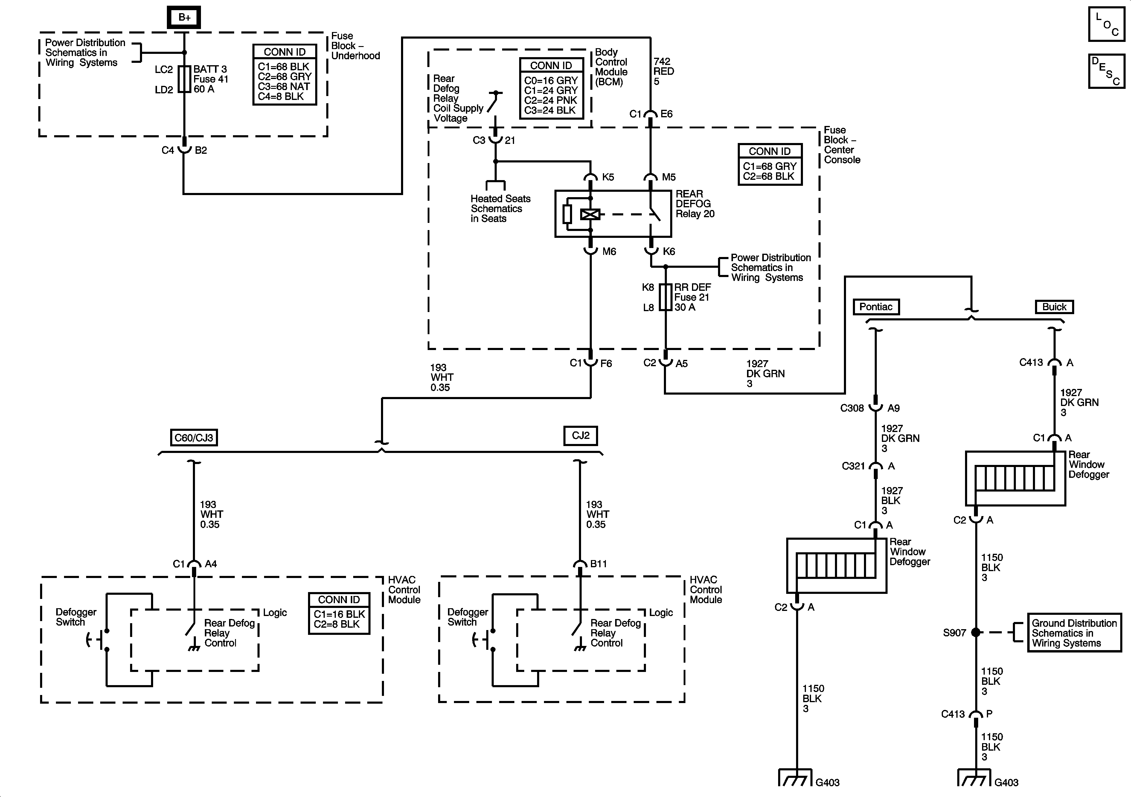
🢒 Defogger Schematics
Master Electrical Component List
Fuse Block Underhood Fuses: 42, 17, 15, 18, 23 and 14
Heated Seats Schematics
Fuse Block Underhood Fuses: 42, 17, 15, 18, 23 and 14
Ground G401, 402 and 403-Buick