GM Service Manual Online
For 1990-2009 cars only
Makes
🢒
Chevrolet
🢒
2005
🢒
Venture Ext.
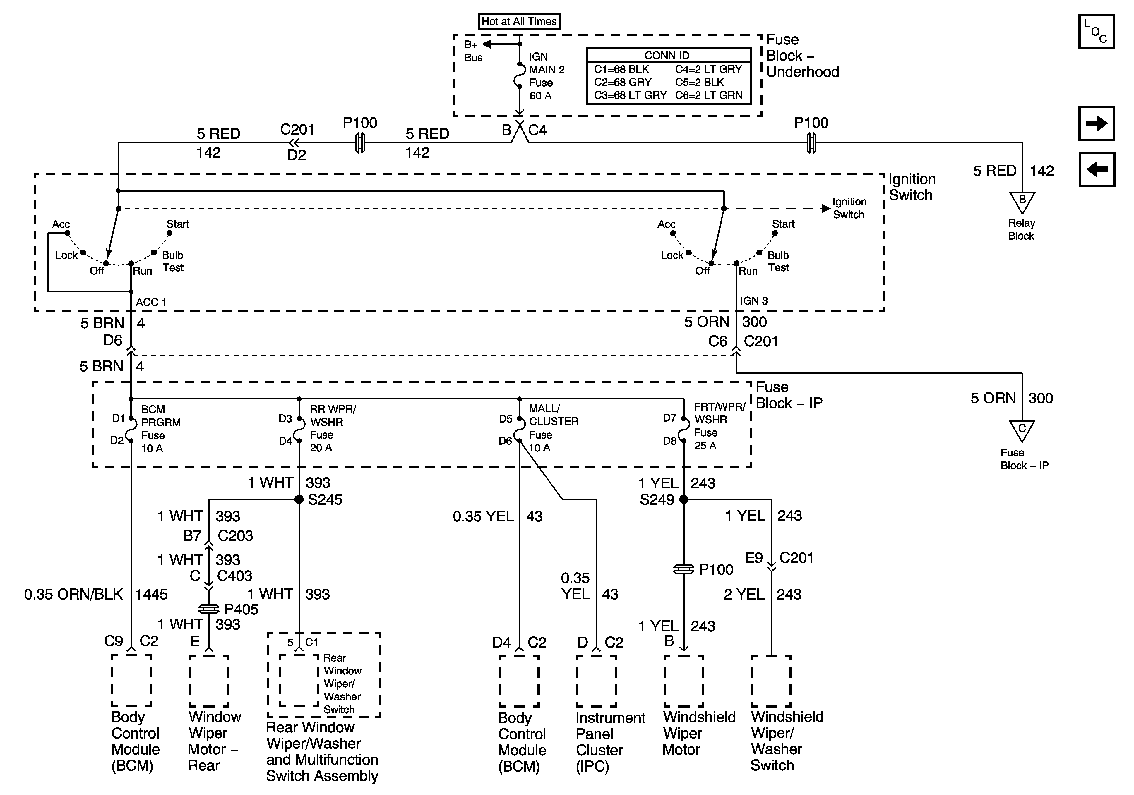
🢒 IGN Main 2, BCM PRGRM, RR WPR/WSHR, MALL/CLUSTER and FRT/WPR/WSHR Fuses
IGN Main 2, BCM PRGRM, RR WPR/WSHR, MALL/CLUSTER and FRT/WPR/WSHR Fuses
IGN Main 2, BCM PRGRM, RR WPR/WSHR, MALL/CLUSTER and FRT/WPR/WSHR Fuses
Master Electrical Component List
RAP Relay, Fuse Block - Underhood, and Fuse Block - I/P Fuses
SWC BACKLIGHT and HTD MIRROR Fuses
RAP Relay, Fuse Block - Underhood, and Fuse Block - I/P Fuses
DRL/HVAC/TEMP/HTD ST, HVAC BLOWER and RR HVAC/TEMP CONT Fuses