GM Service Manual Online
For 1990-2009 cars only
Makes
🢒
Chevrolet
🢒
2005
🢒
Venture Ext.
🢒 Power Mirrors
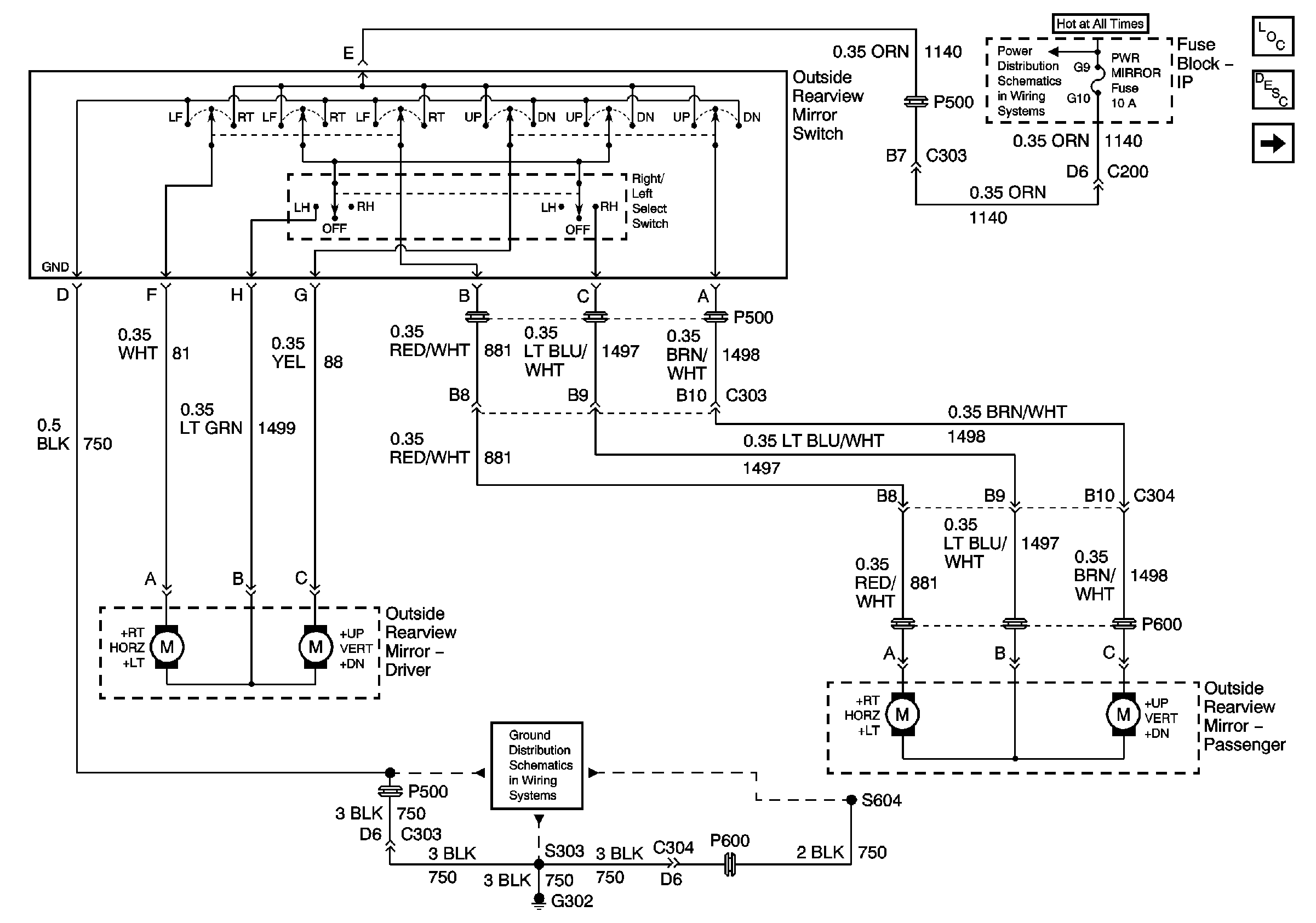
Power Mirrors
Power Mirrors
Master Electrical Component List
Outside Mirror Description and Operation
Heated Mirrors
G302, Page 2 of 3
BATT Main 1 and Fuse Block - I/P Fuses