GM Service Manual Online
For 1990-2009 cars only
Makes
🢒
Chevrolet
🢒
2005
🢒
Venture Ext.
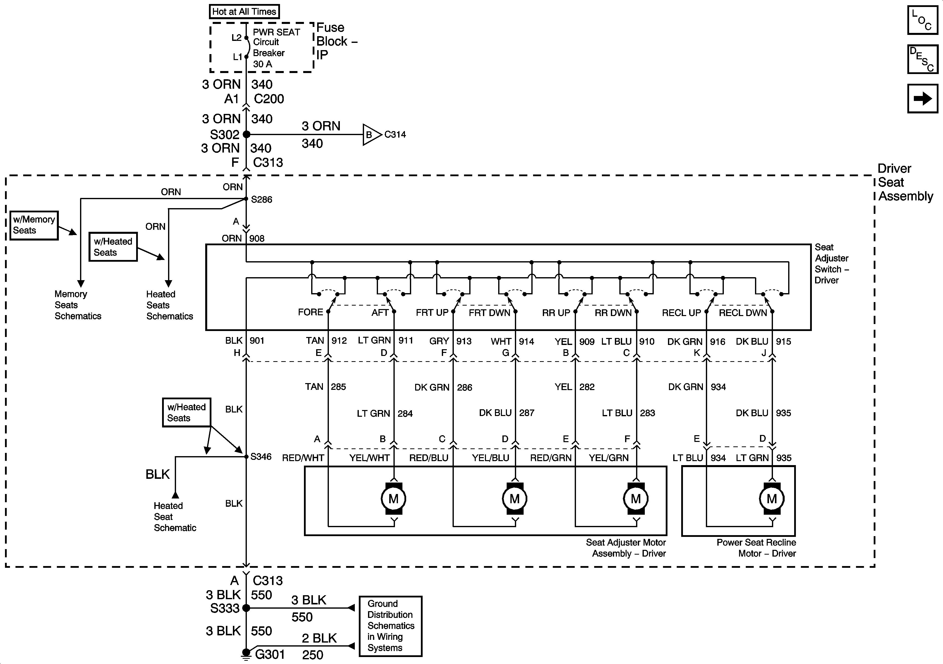
🢒 Driver Side Power Seat, Ground and Switches
Driver Side Power Seat, Ground and Switches
Driver Side Power Seat, Ground, and Switches
Master Electrical Component List
Power Seats System Description and Operation
Passenger Side Power Seat, Ground and Switches
Passenger Side Power Seat, Ground and Switches
Ground, Memory Seat Switch, and Memory Seat Module (MSM)
Heated Seats
Heated Seats
G210 and G301