GM Service Manual Online
For 1990-2009 cars only
Makes
🢒
Chevrolet
🢒
2005
🢒
Venture Ext.
🢒 Seat Belts
Seat Belts
Master Electrical Component List
SIR System Description and Operation
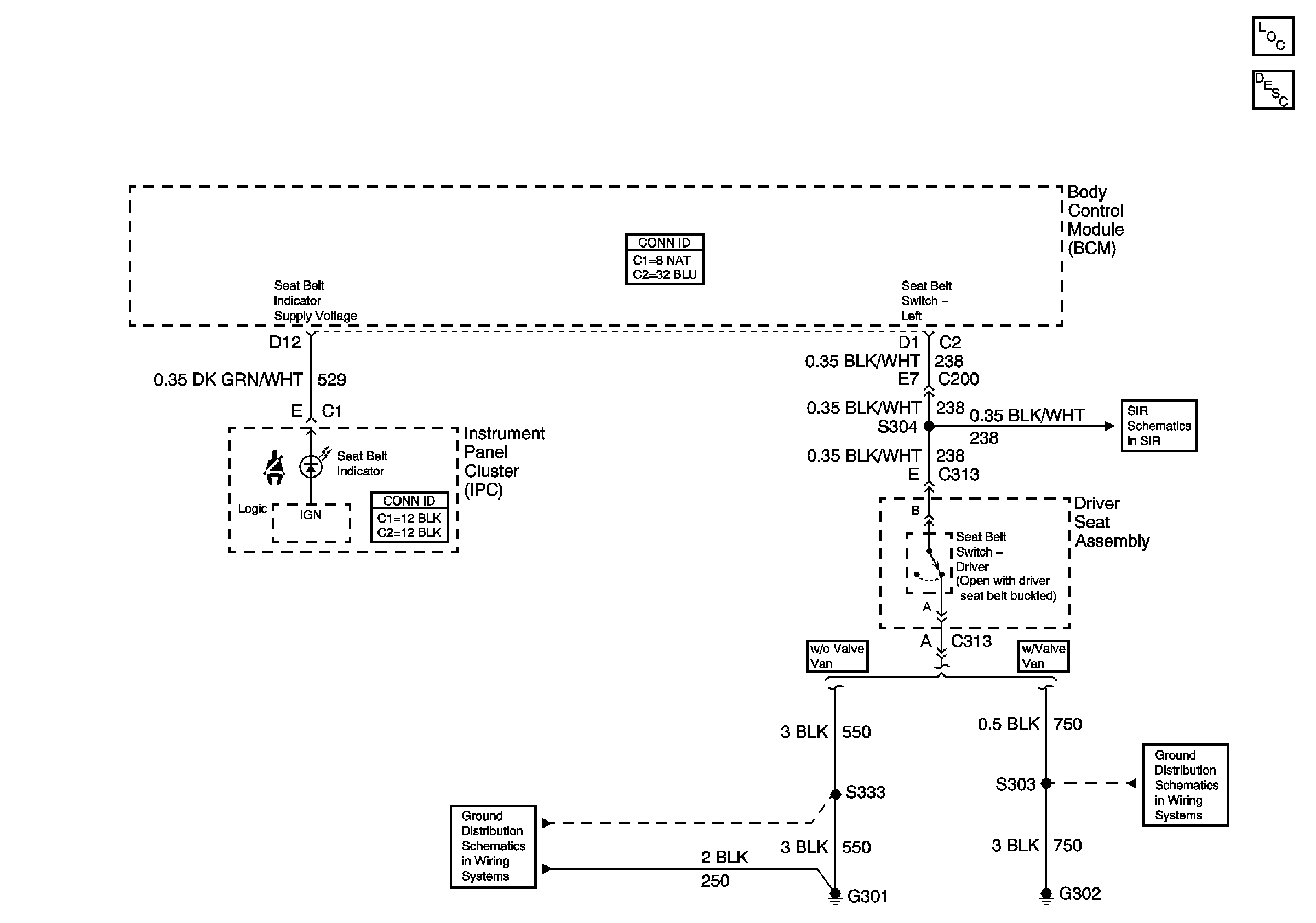
Power, Ground, DLC, and SIR Lamp
G210 and G301
G302, Page 2 of 3