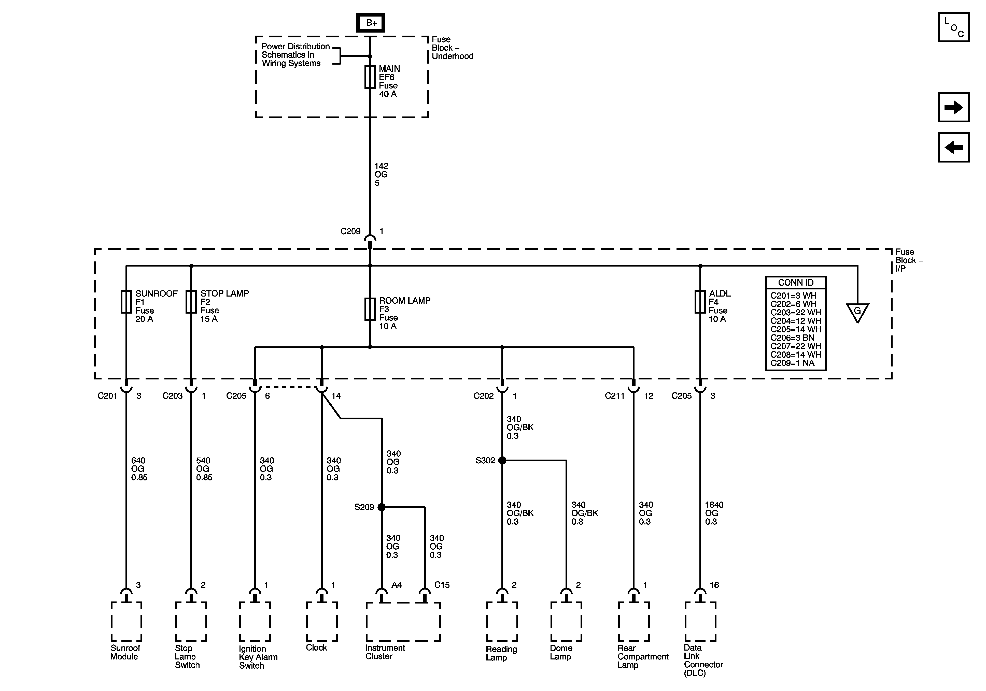
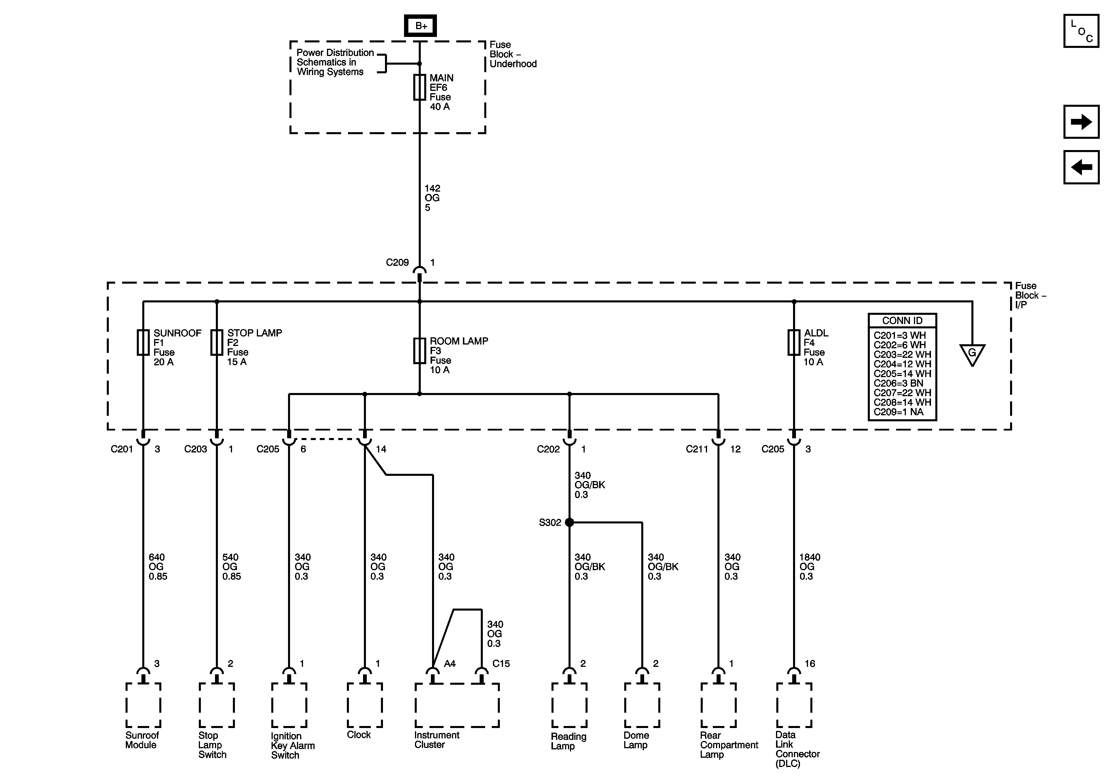
| Figure 1: |
Underhood Fuse Block - Battery Feeds
|
| Figure 2: |
Underhood Fuse Block - Battery Feeds
|
| Figure 3: |
ABS, ECM, and SIREN Fuses
|
| Figure 4: |
PARKING LAMP LH, PARKING LAMP RH Fuses, PARKING
LAMP Relay
|
| Figure 5: |
PARKING LAMP LH, PARKING LAMP RH Fuses, PARKING
LAMP Relay Continued (LHD)
|
| Figure 6: |
PARKING LAMP LH, PARKING LAMP RH Fuses, PARKING
LAMP Relay Continued (RHD)
|
| Figure 7: |
HEADLAMP Fuse and HEADLAMP Relay
|
| Figure 8: |
FRONT FOG Relay, SIREN and HORN Fuses
|
| Figure 9: |
BLOWER MOTOR, POWER WINDOW, and REAR DEFOGGER
Fuses
|
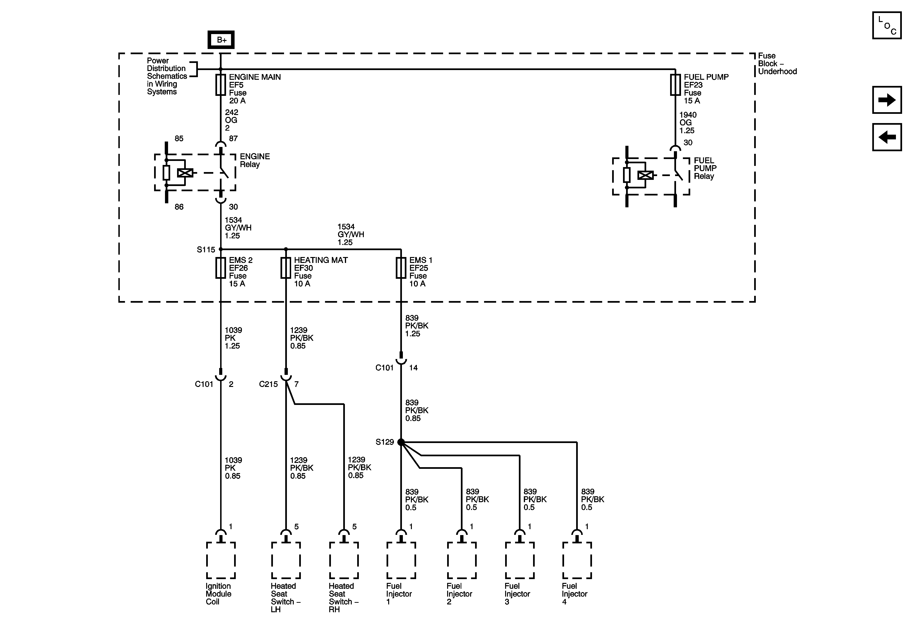
| Figure 10: |
ENGINE MAIN and FUEL PUMP Fuses (MR-140)
|
| Figure 11: |
ENGINE MAIN and FUEL PUMP Fuses (ITMS)
|
| Figure 12: |
ENGINE MAIN and FUEL PUMP Fuses (Sirius)
|
| Figure 13: |
FUEL PUMP, RADIATOR FAN HIGH, A/C COMP, and RADIATOR
FAN LOW Fuses
|
| Figure 14: |
IGNITION 1 and IGNITION 2 Fuses (MR-140)
|
| Figure 15: |
IGNITION 1 and IGNITION 2 Fuses (ITMS-6F)
|
| Figure 16: |
IGNITION 1 and IGNITION 2 Fuses (Sirius-D4)
|
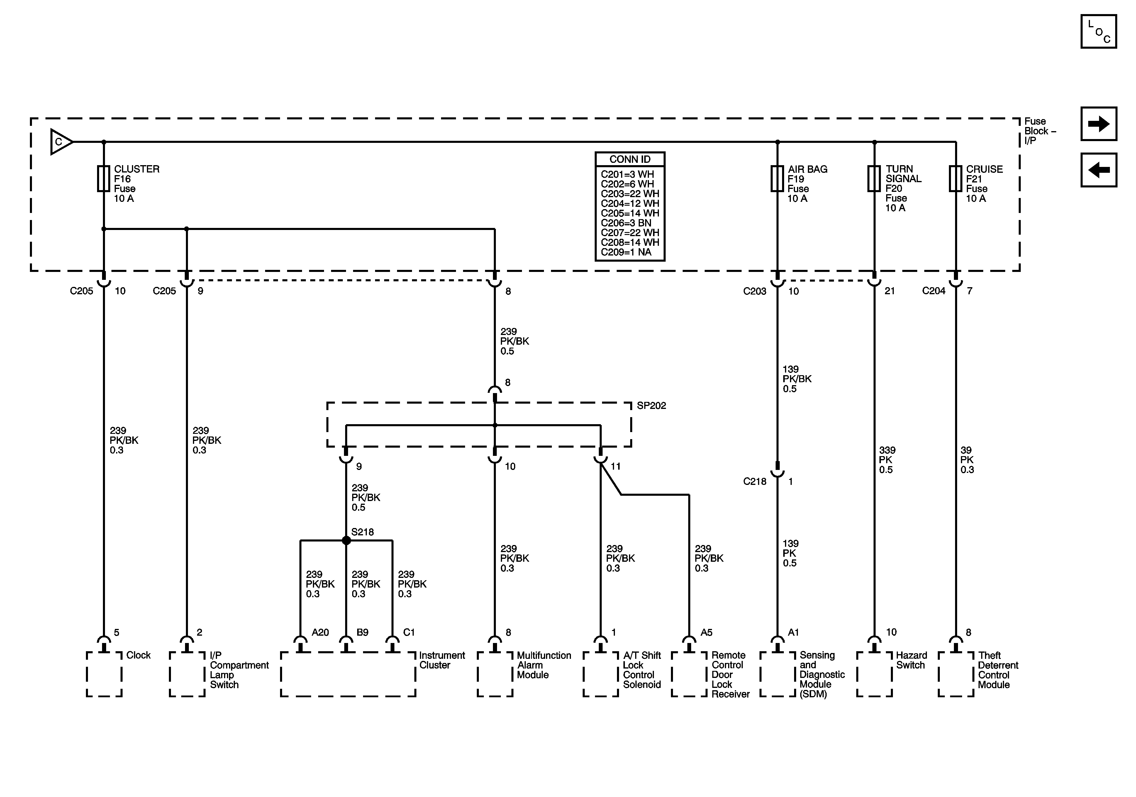
| Figure 17: |
CLUSTER, AIR BAG, TURN SIGNAL, and CRUISE Fuses
(LHD)
|
| Figure 18: |
CLUSTER, AIR BAG, TURN SIGNAL, and CRUISE Fuses
(RHD)
|
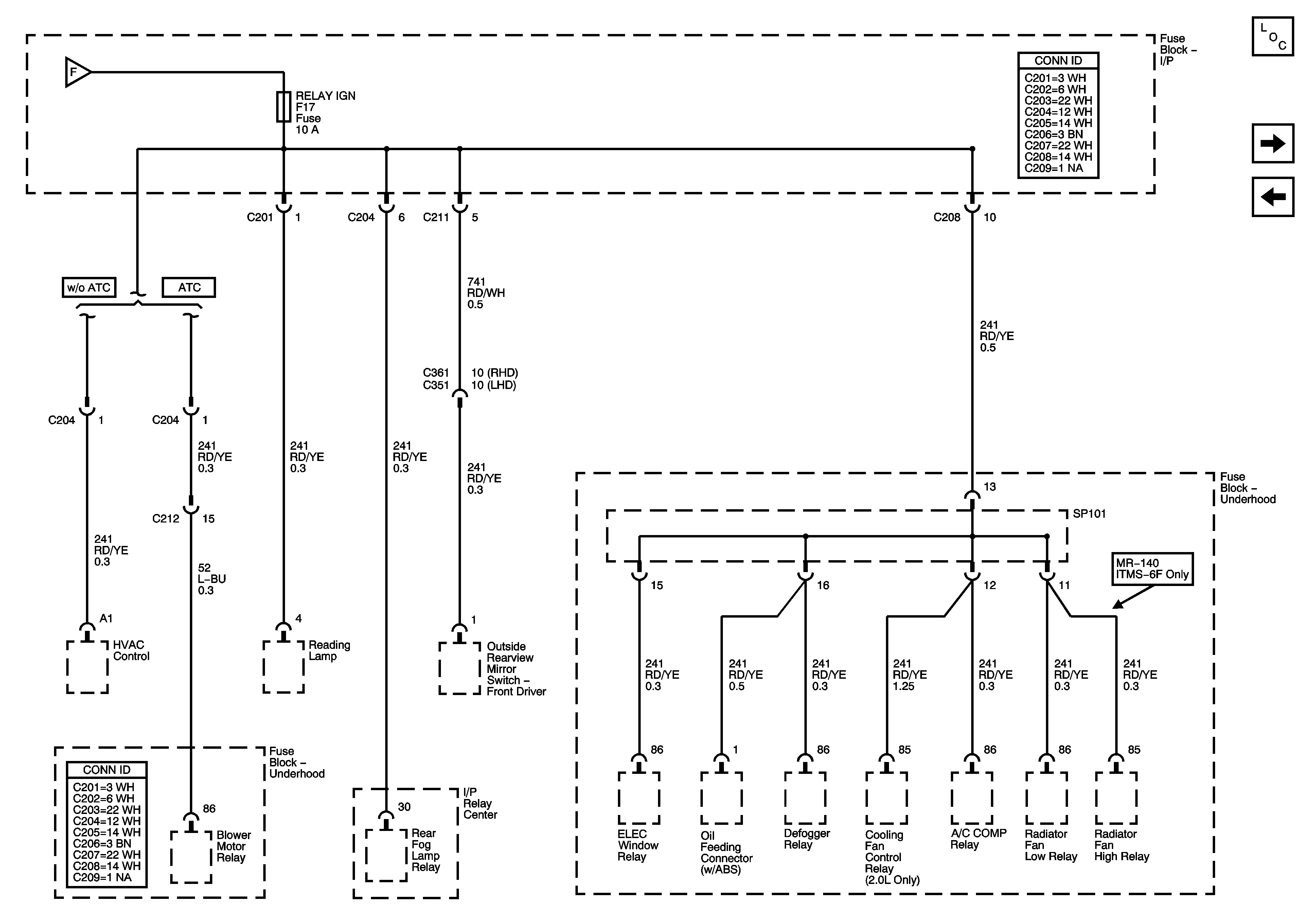
| Figure 19: |
RELAY IGN Fuse
|
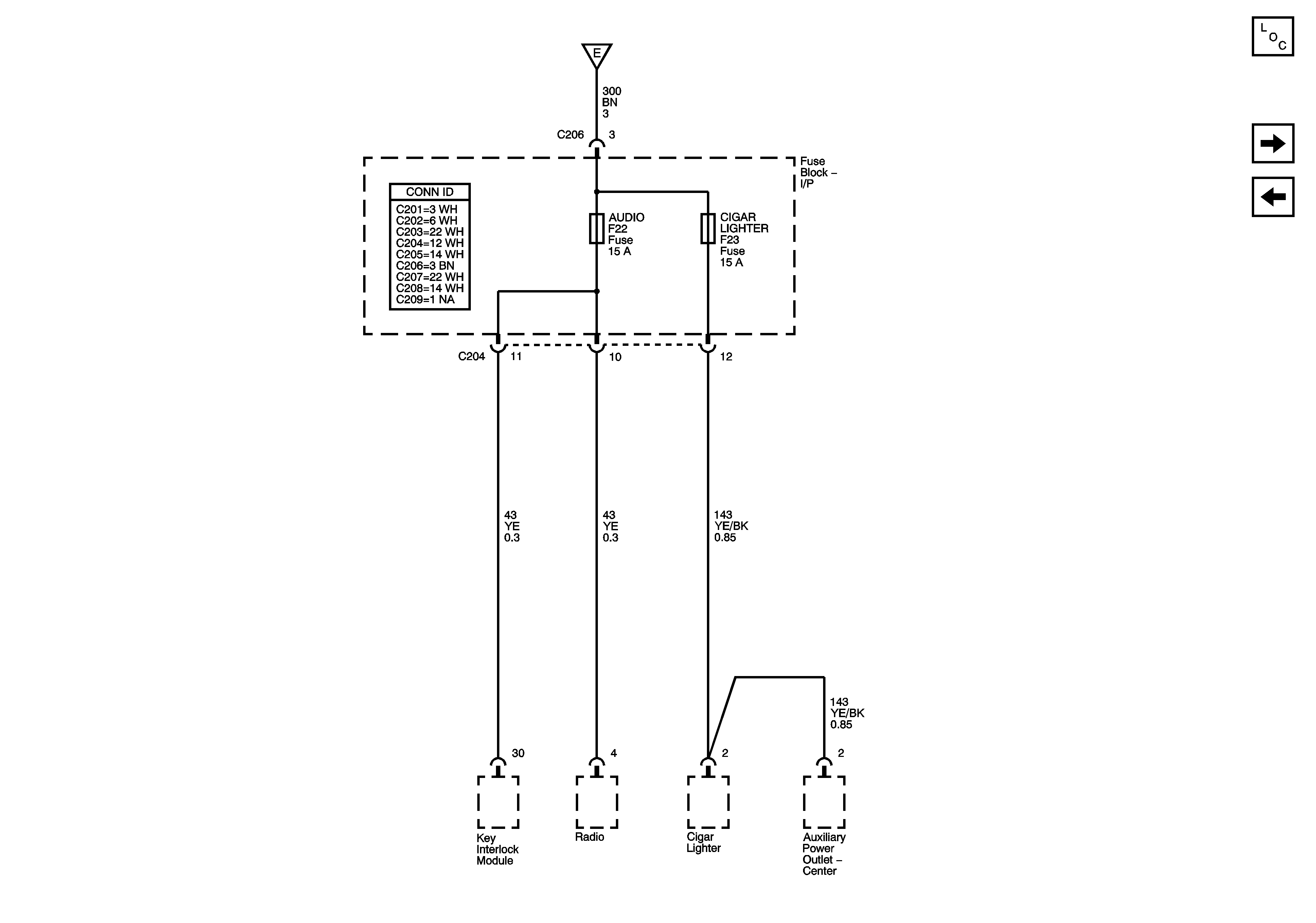
| Figure 20: |
AUDIO and CIGAR LIGHTER Fuses (LHD)
|
| Figure 21: |
AUDIO and CIGAR LIGHTER Fuses (RHD)
|
| Figure 22: |
MAIN Fuse (LHD)
|
| Figure 23: |
MAIN Fuse (RHD)
|
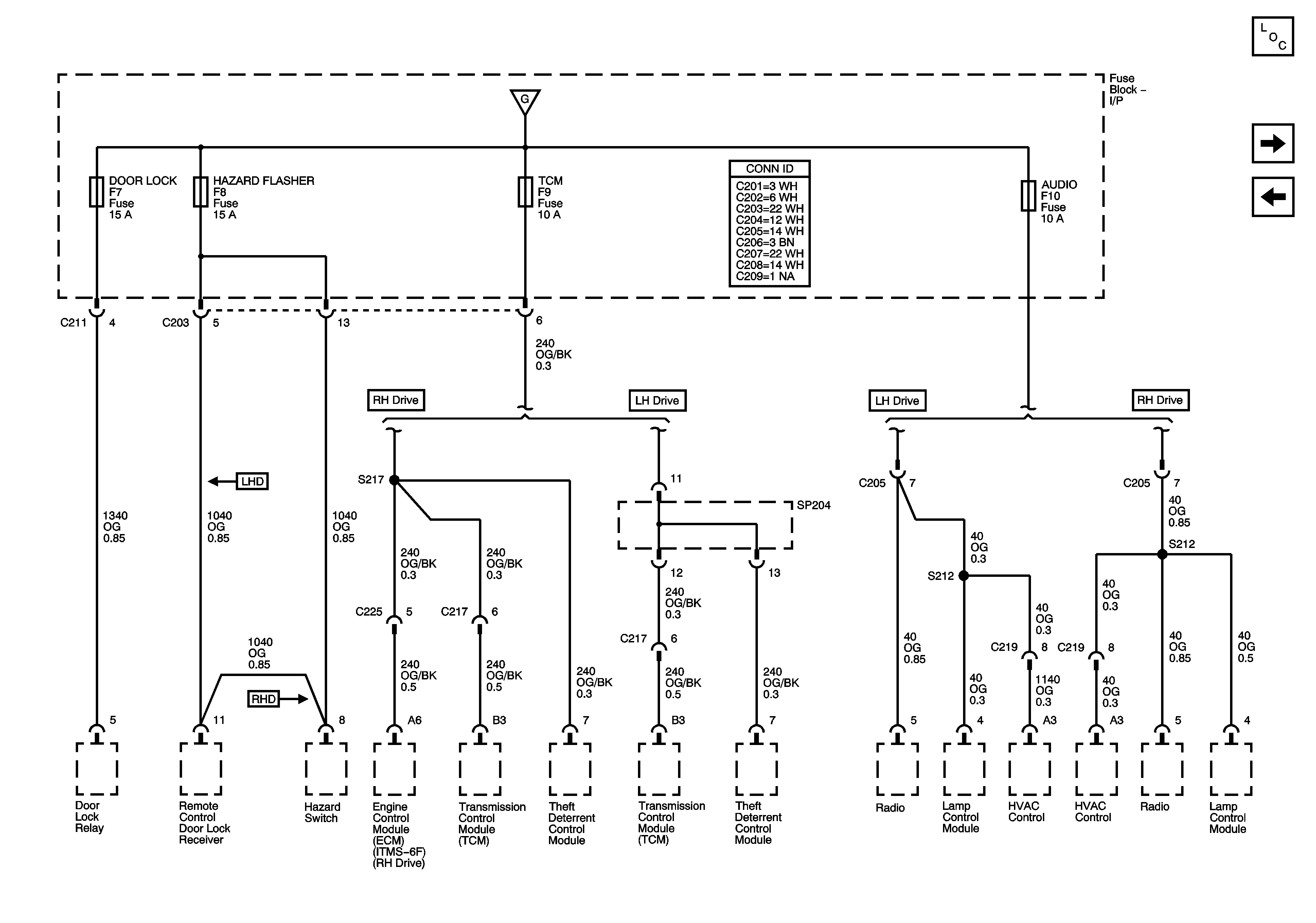
| Figure 24: |
DOOR LOCK, HAZARD FLASHER, TCM, and AUDIO Fuses
|
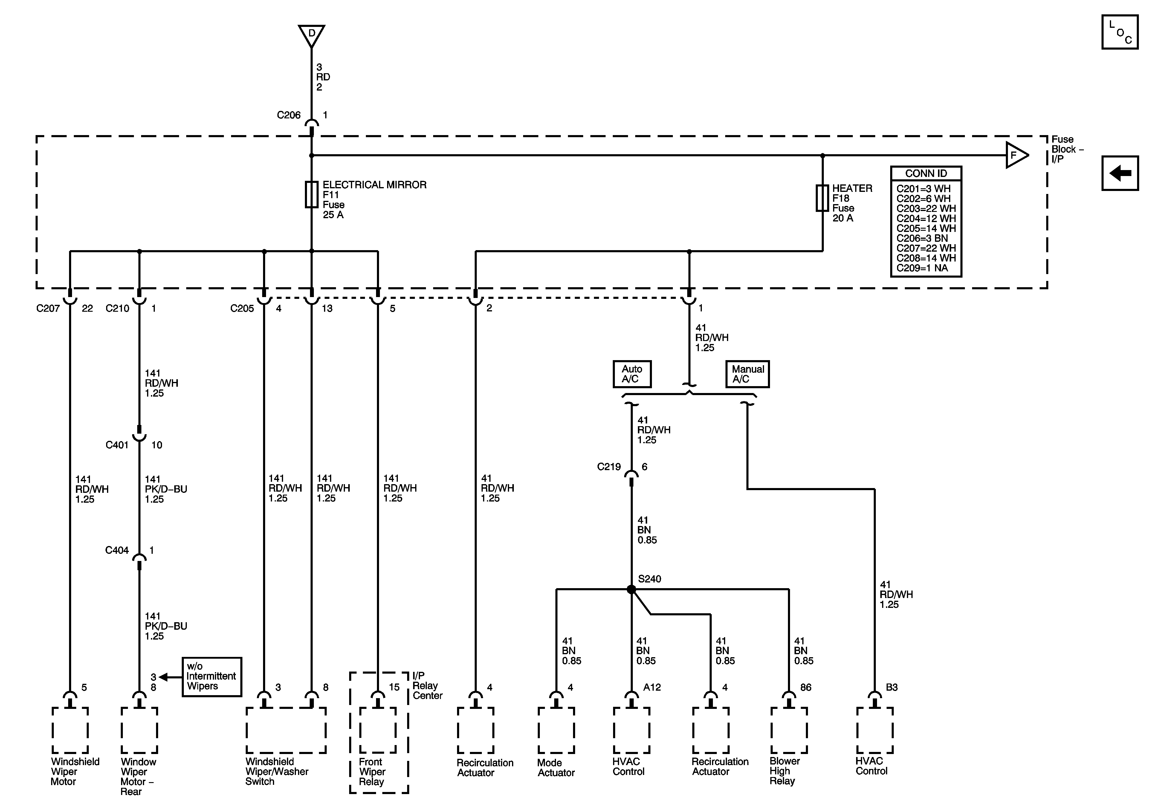
| Figure 25: |
ELECTRICAL MIRROR and HEATER Fuses (RHD)
|
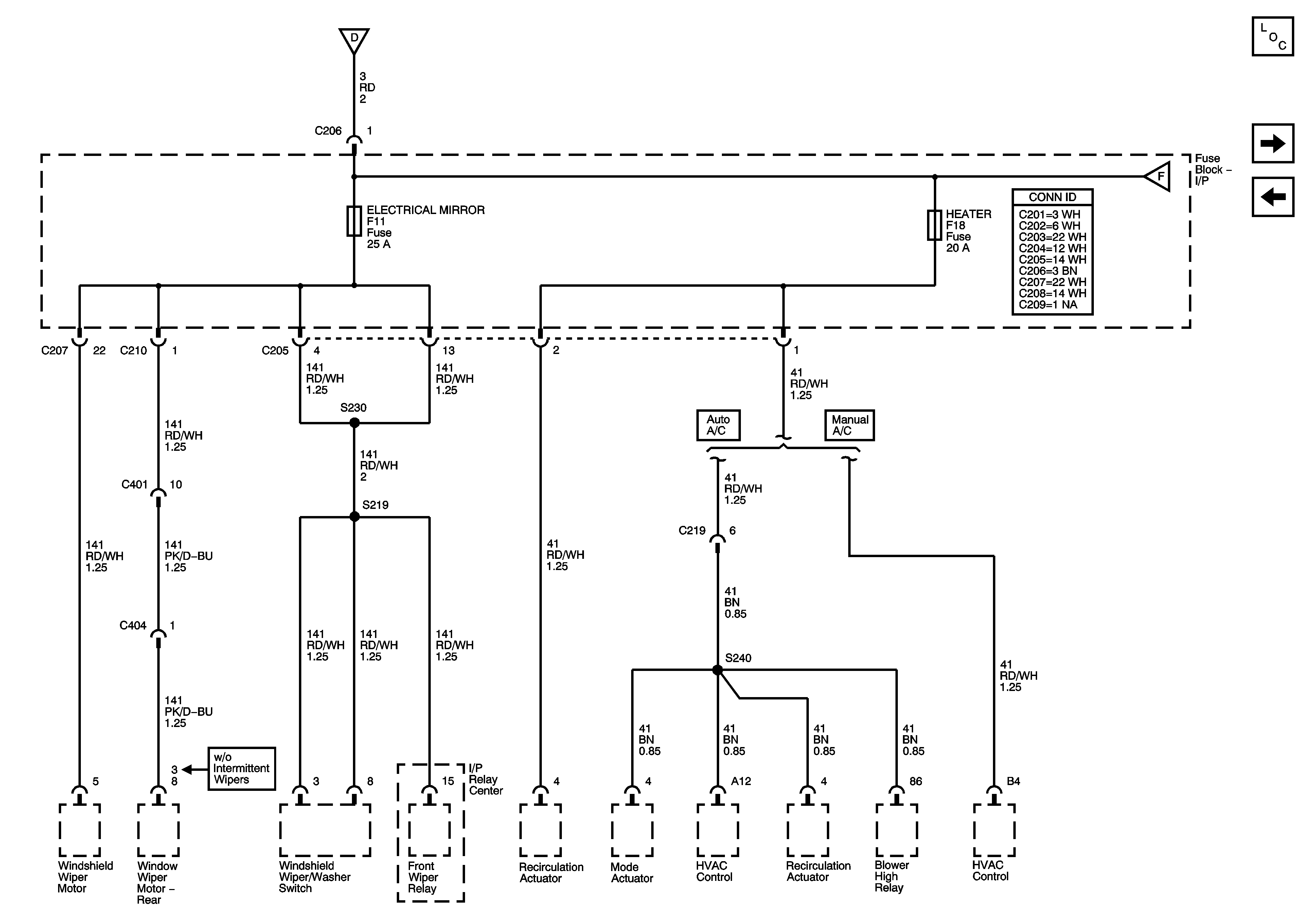
| Figure 26: |
ELECTRICAL MIRROR and HEATER Fuses (LHD)
|