GM Service Manual Online
For 1990-2009 cars only
Makes
🢒
Chevrolet
🢒
2004
🢒
Vivant
🢒
Transmission/Transaxle
🢒
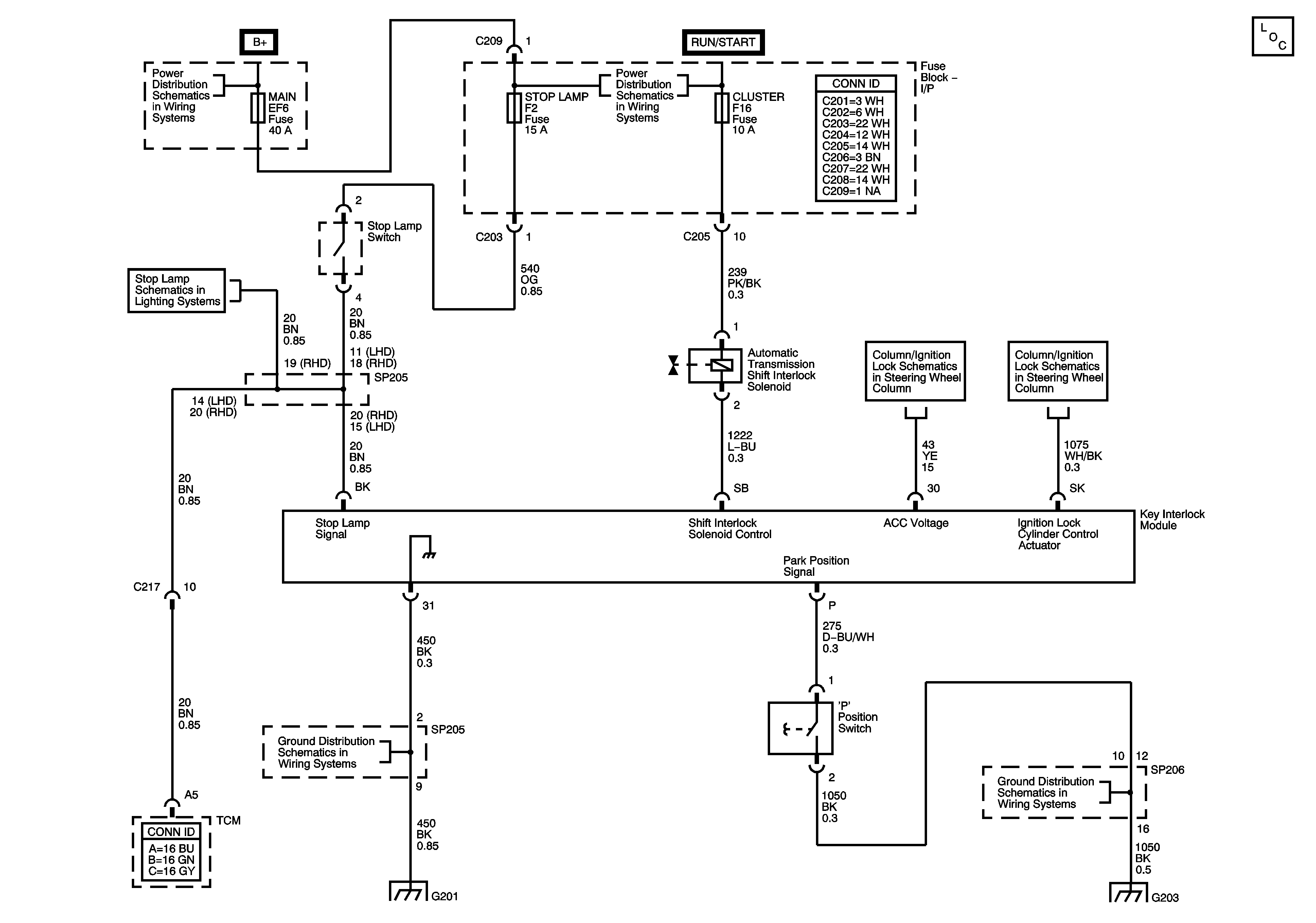
Shift Lock Control
🢒 Shift Lock Control Schematics
BTSI Solenoid
Master Electrical Component List
MAIN Fuse (LHD)
Stop Lamps and Backup Lamps
MAIN Fuse (LHD)
G201, G202 (LHD)
Steering Lock Control
Steering Lock Control
G203