GM Service Manual Online
For 1990-2009 cars only
Makes
🢒
Chevrolet
🢒
2005
🢒
Vivant
🢒
Suspension
🢒
Rear Suspension
🢒 Rear Suspension Components
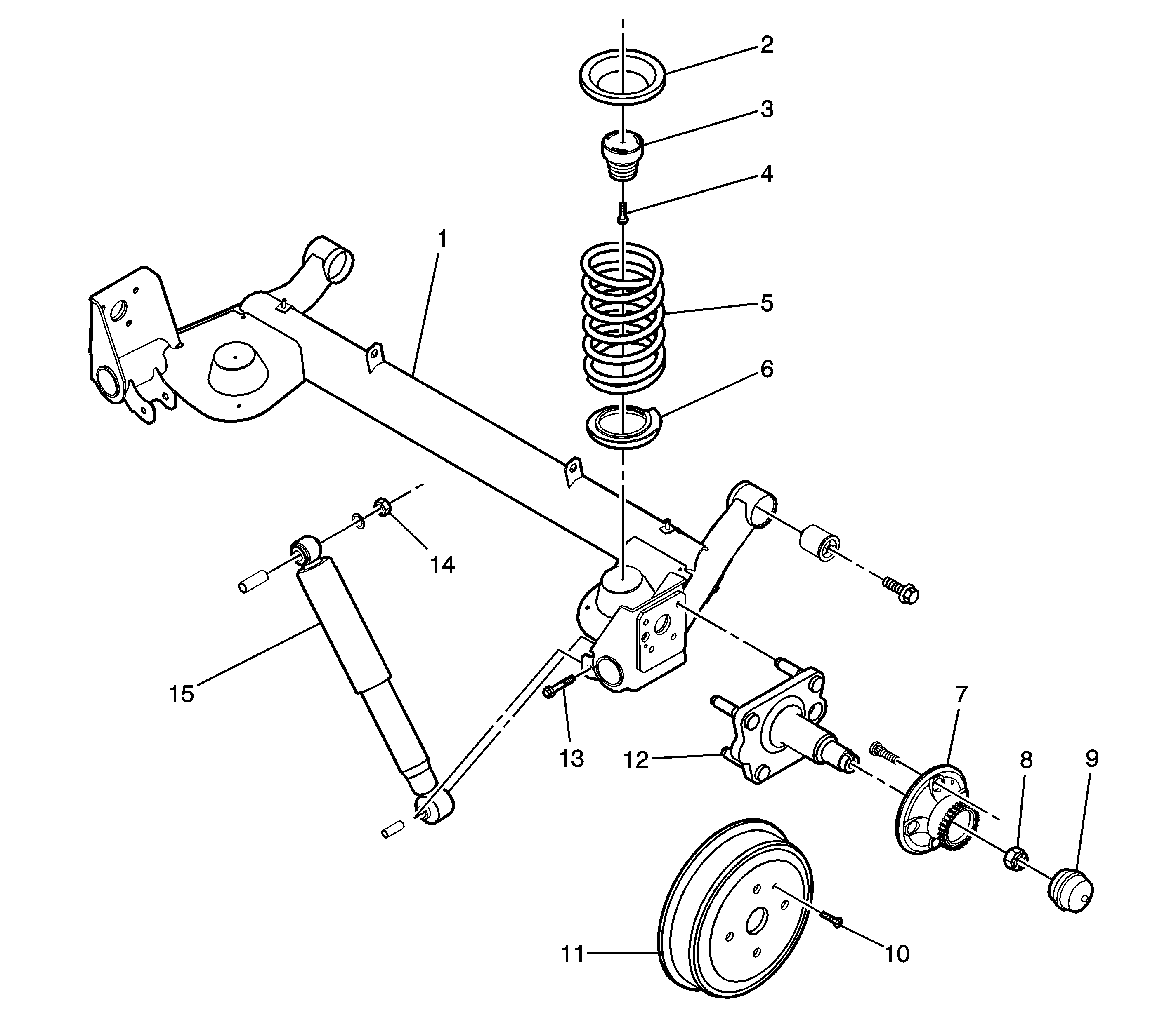
(1)
Rear Axle
(2)
Upper Spring Insulator
(3)
Hollow Bumper
(4)
Hollow Bumper Bolt
(5)
Coil Spring
(6)
Lower Spring Insulator
(7)
Hub
(8)
Caulking Nut
(9)
Spindle Cap
(10)
Brake Drum Screw
(11)
Brake Drum
(12)
Wheel Bearing Spindle
(13)
Shock Absorber Lower Mounting Bolt
(14)
Shock Absorber Upper Mounting Nut
(15)
Shock Absorber