GM Service Manual Online
For 1990-2009 cars only
Makes
🢒
Chevrolet
🢒
2005
🢒
Vivant
🢒 Brake Warning System
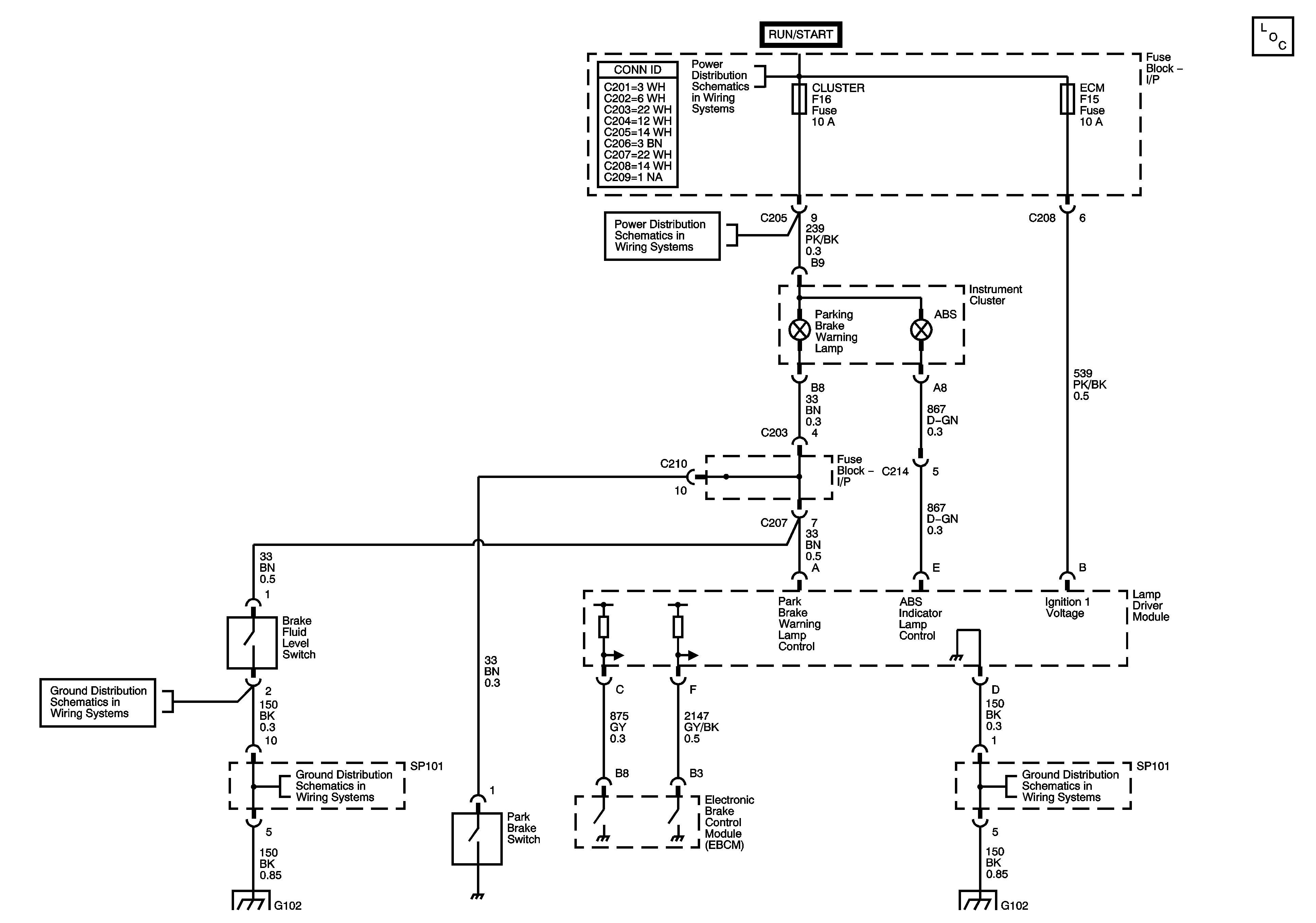
Brake Warning System
Master Electrical Component List
IGNITION 1 and IGNITION 2 Fuses (MR-140)
CLUSTER, AIR BAG, TURN SIGNAL, and CRUISE Fuses (LHD)
G102, G101, G106
G102, G101, G106