GM Service Manual Online
For 1990-2009 cars only
Makes
🢒
Chevrolet
🢒
2007
🢒
Vivant
🢒
Body Systems
🢒
Lighting
🢒 Headlights Schematics
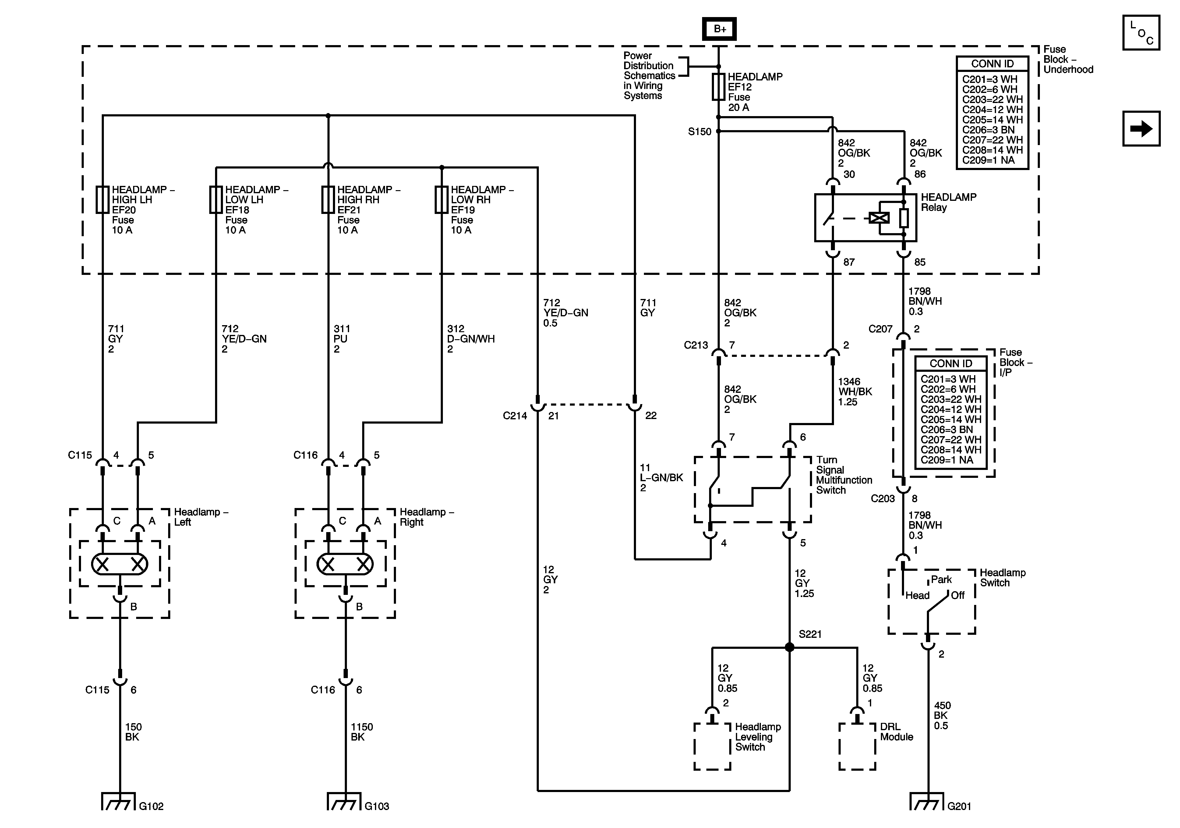
Figure
1:
Headlights (LHD)
Master Electrical Component List
Headlights (RHD)
Engine Main and Fuel Pump Fuses (MR-140)
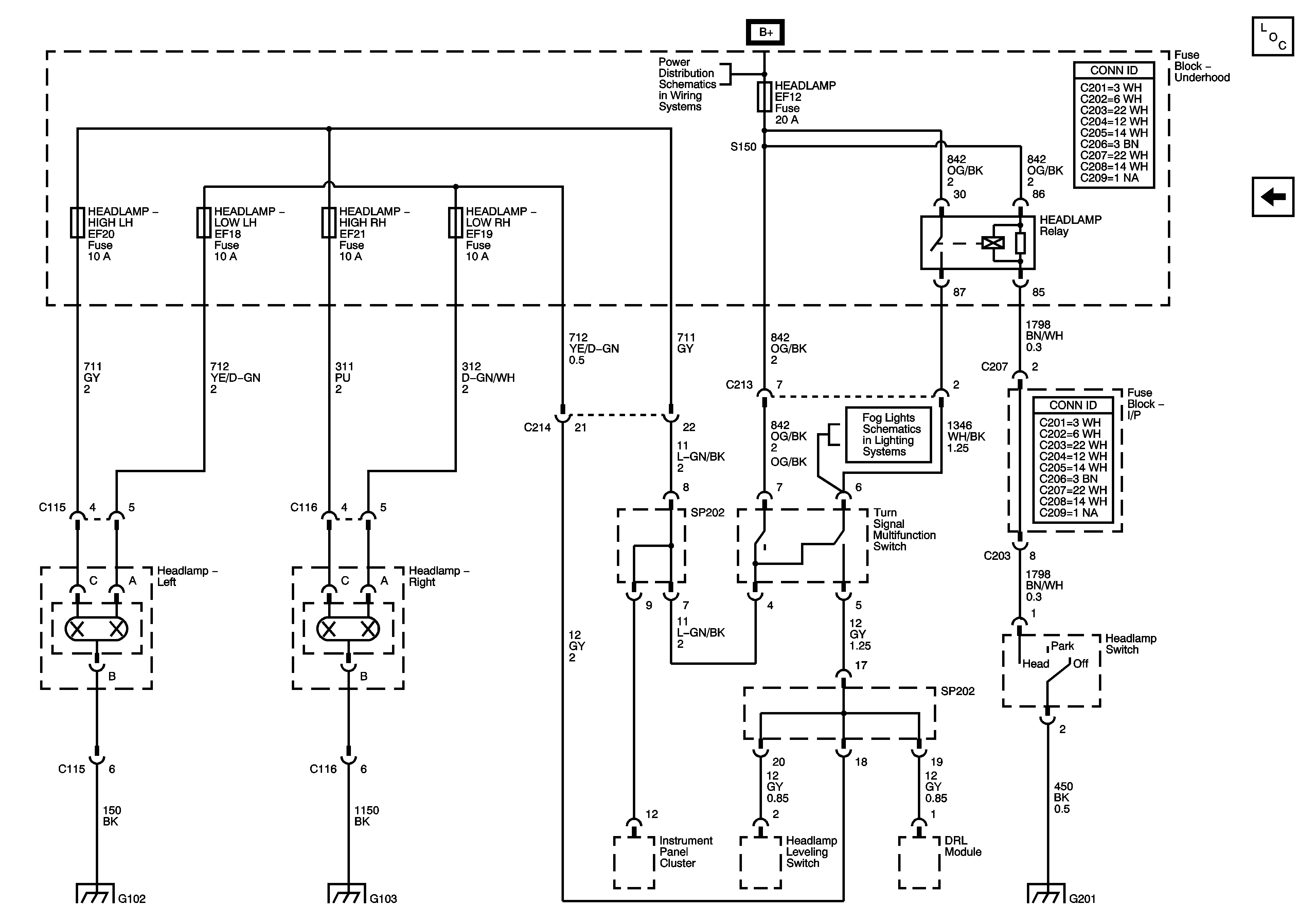
Figure
2:
Headlights (RHD)
Master Electrical Component List
Headlights (LHD)
Engine Main and Fuel Pump Fuses (MR-140)
Front Fog Lamps