GM Service Manual Online
For 1990-2009 cars only
Makes
🢒
Chevrolet
🢒
2007
🢒
Vivant
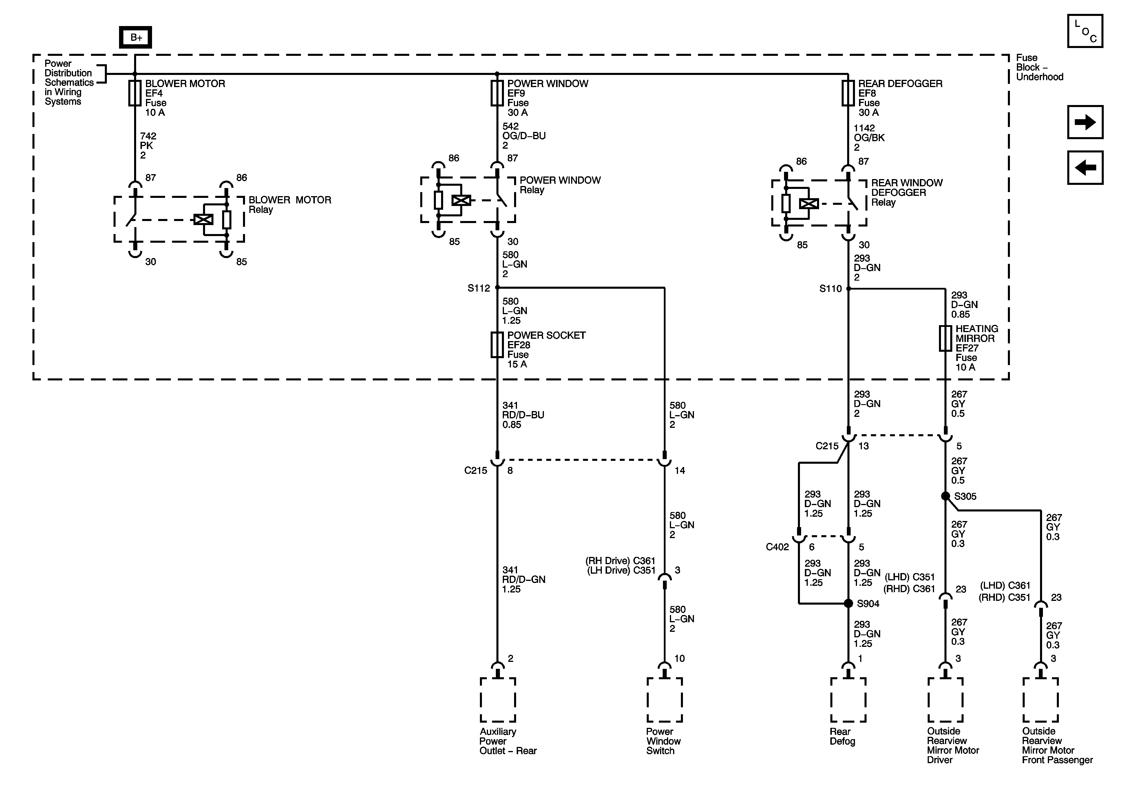
🢒 BLOWER MOTOR, POWER WINDOW, and REAR DEFOGGER Fuses
BLOWER MOTOR, POWER WINDOW, and REAR DEFOGGER Fuses
BLOWER MOTOR, POWER WINDOW, and REAR DEFOGGER Fuses
Master Electrical Component List
ENGINE MAIN and FUEL PUMP Fuses (MR-140)
FRONT FOG Relay, SIREN and HORN Fuses