GM Service Manual Online
For 1990-2009 cars only
Makes
🢒
Chevrolet
🢒
2007
🢒
Vivant
🢒 Power, Ground, Serial Data, Malfunction Indicator Lamp (MIL)
Power, Ground, Serial Data, Malfunction Indicator Lamp (MIL)
Power, Ground, Serial Data, Malfunction Indicator Lamp (MIL)
Master Electrical Component List
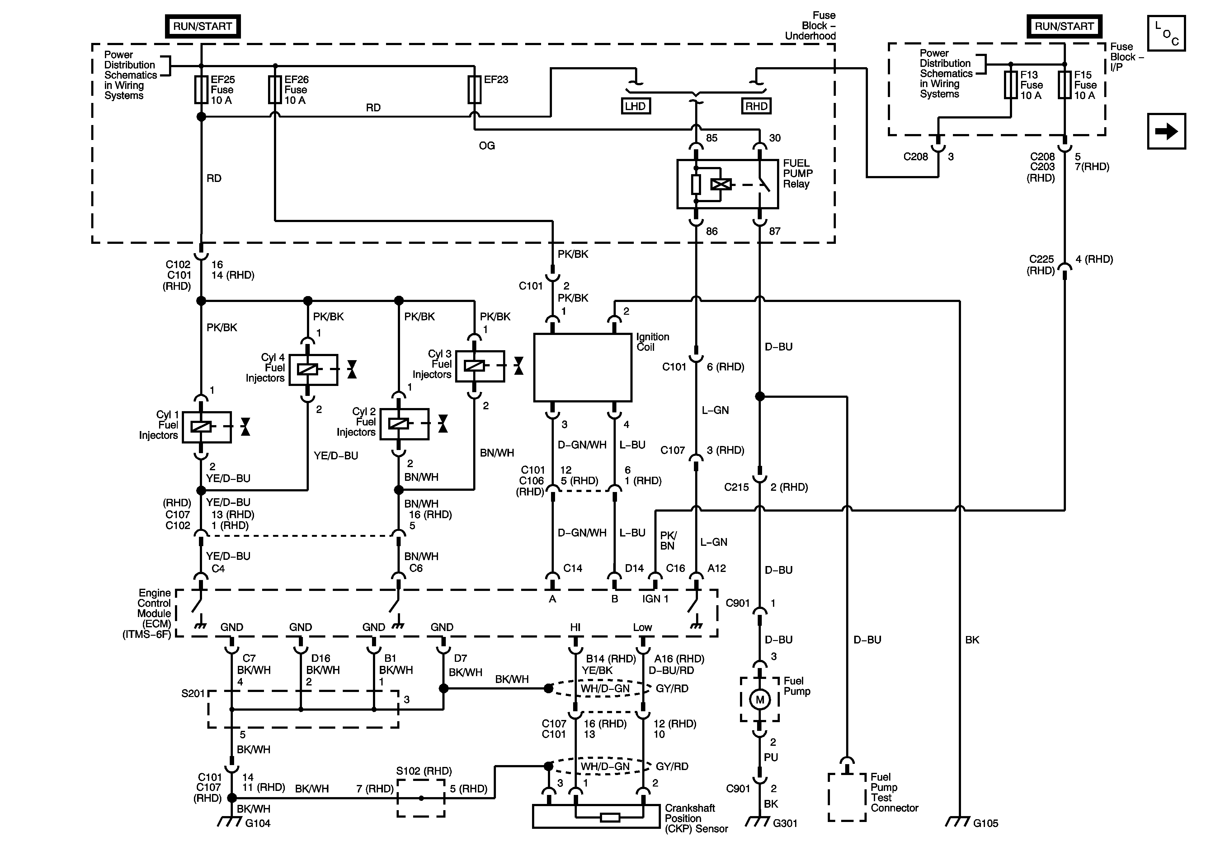
Engine Data Sensors
Underhood Fuse Block - Battery Feeds
CLUSTER, AIR BAG, TURN SIGNAL, and CRUISE Fuses (LHD)
Underhood Fuse Block - Battery Feeds
CLUSTER, AIR BAG, TURN SIGNAL, and CRUISE Fuses (LHD)
CLUSTER, AIR BAG, TURN SIGNAL, and CRUISE Fuses (LHD)
MR 140 LHD