GM Service Manual Online
For 1990-2009 cars only
Makes
🢒
Chevrolet
🢒
2007
🢒
Vivant
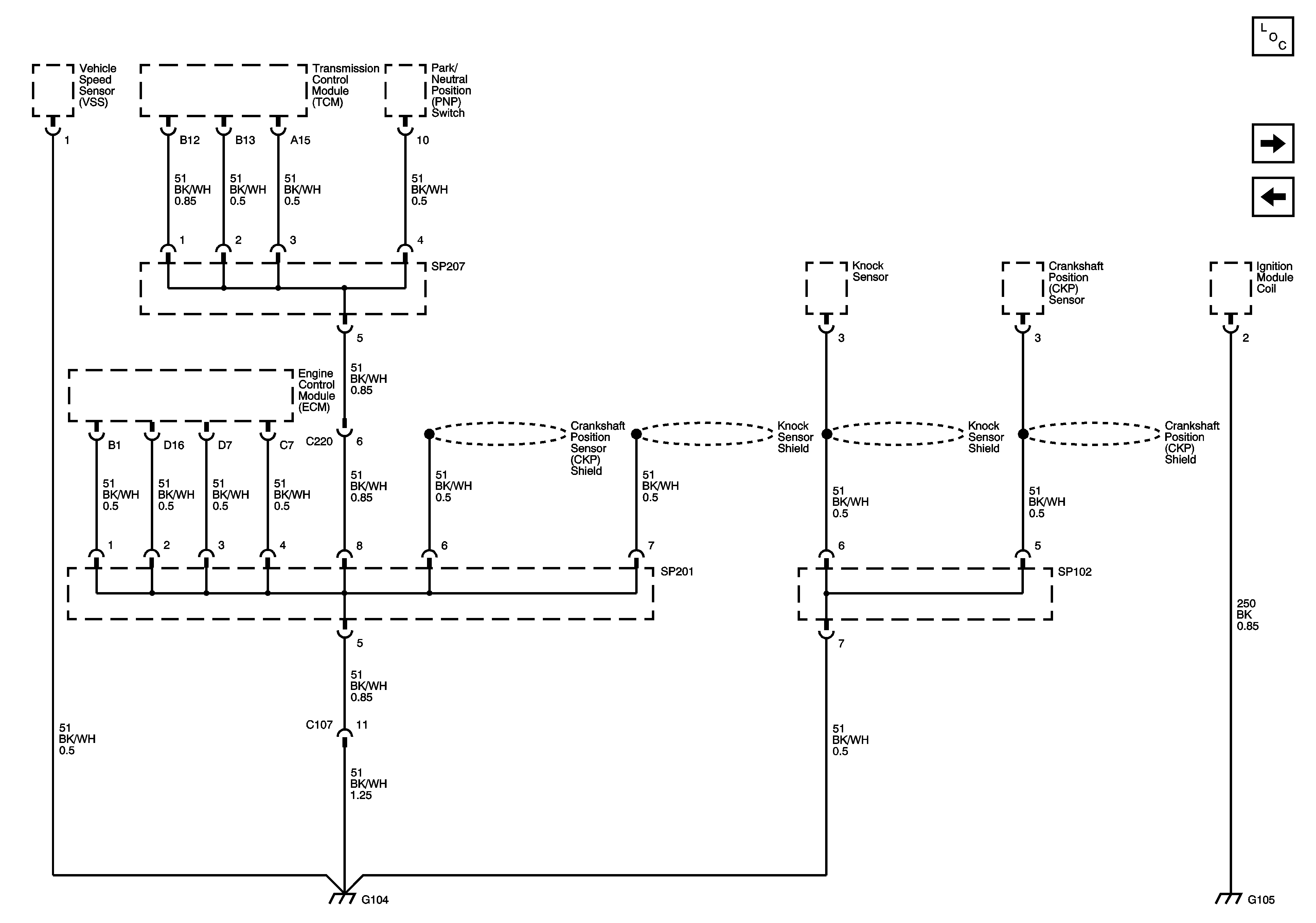
🢒 G104, G105 (ITMS-6F)
G104, G105 (ITMS-6F)
G104,G105 (ITMS-6F)
Master Electrical Component List
G105 (Sirius)
G104 (MR-140)