GM Service Manual Online
For 1990-2009 cars only
Makes
🢒
Chevrolet
🢒
2007
🢒
Vivant
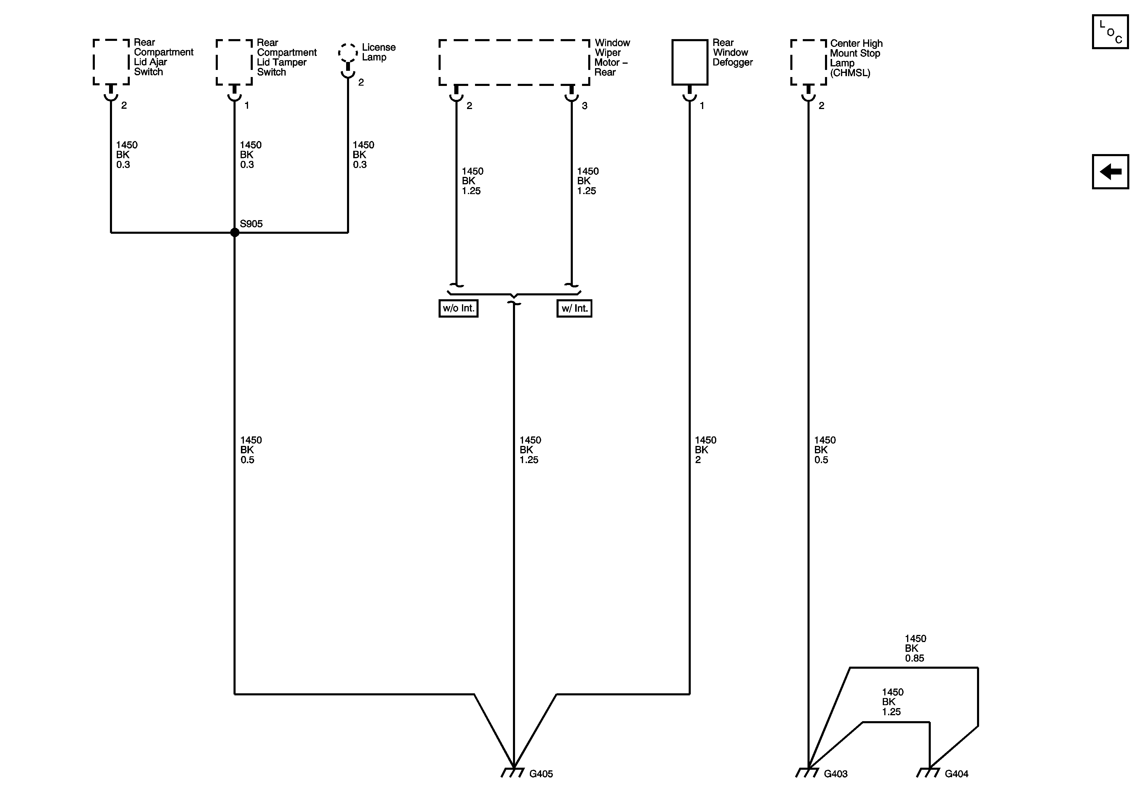
🢒 G403, G404, G405
G403, G404, G405
G403, G404, G405
Master Electrical Component List
G401, G402