GM Service Manual Online
For 1990-2009 cars only
Makes
🢒
Chevrolet
🢒
2007
🢒
Vivant
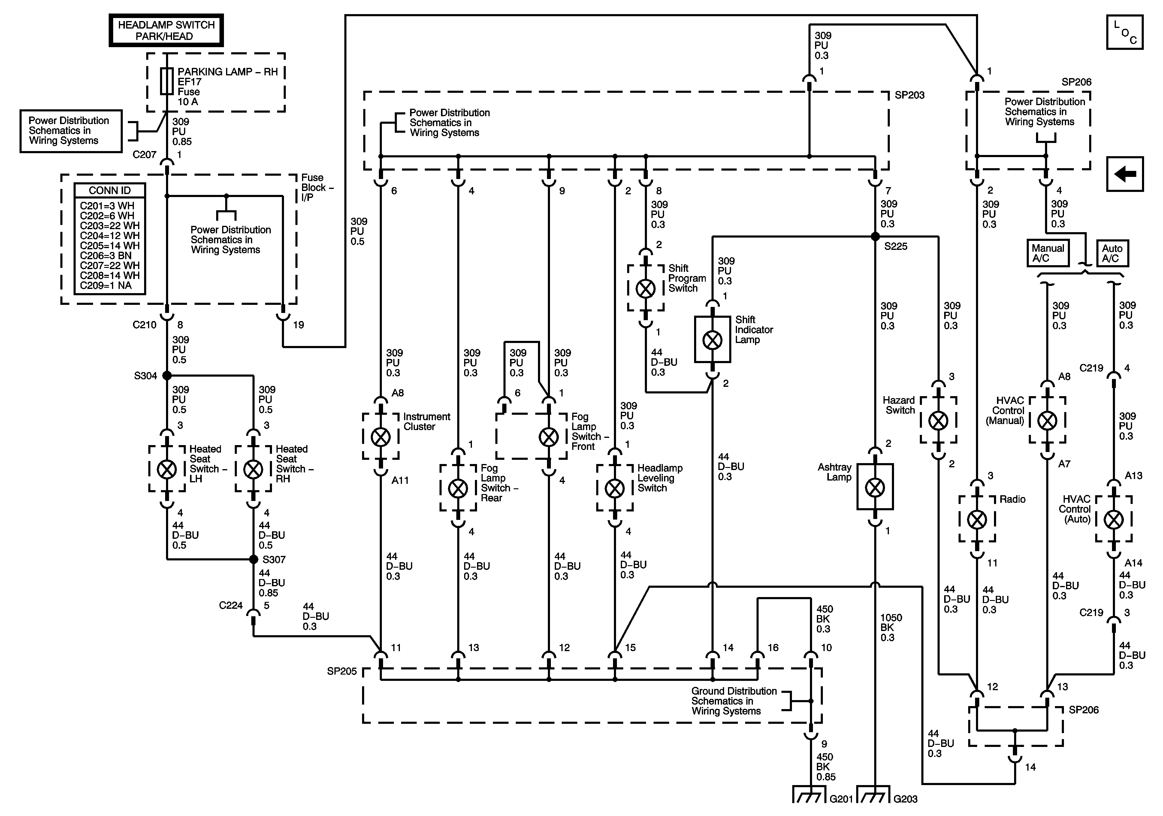
🢒 IP Illumination (w/o Dimming (RHD))
IP Illumination (w/o Dimming (RHD))
IP Illumination (w/o Dimming (RHD))
Master Electrical Component List
IP Illumination (w/ Dimming (RHD))
PARKING LAMP LH, PARKING LAMP RH Fuses, PARKING LAMP Relay
PARKING LAMP LH, PARKING LAMP RH Fuses, PARKING LAMP Relay
PARKING LAMP LH, PARKING LAMP RH Fuses, PARKING LAMP Relay
PARKING LAMP LH, PARKING LAMP RH Fuses, PARKING LAMP Relay
G201, G202 (LHD)