GM Service Manual Online
For 1990-2009 cars only
Makes
🢒
Chevrolet
🢒
2007
🢒
Vivant
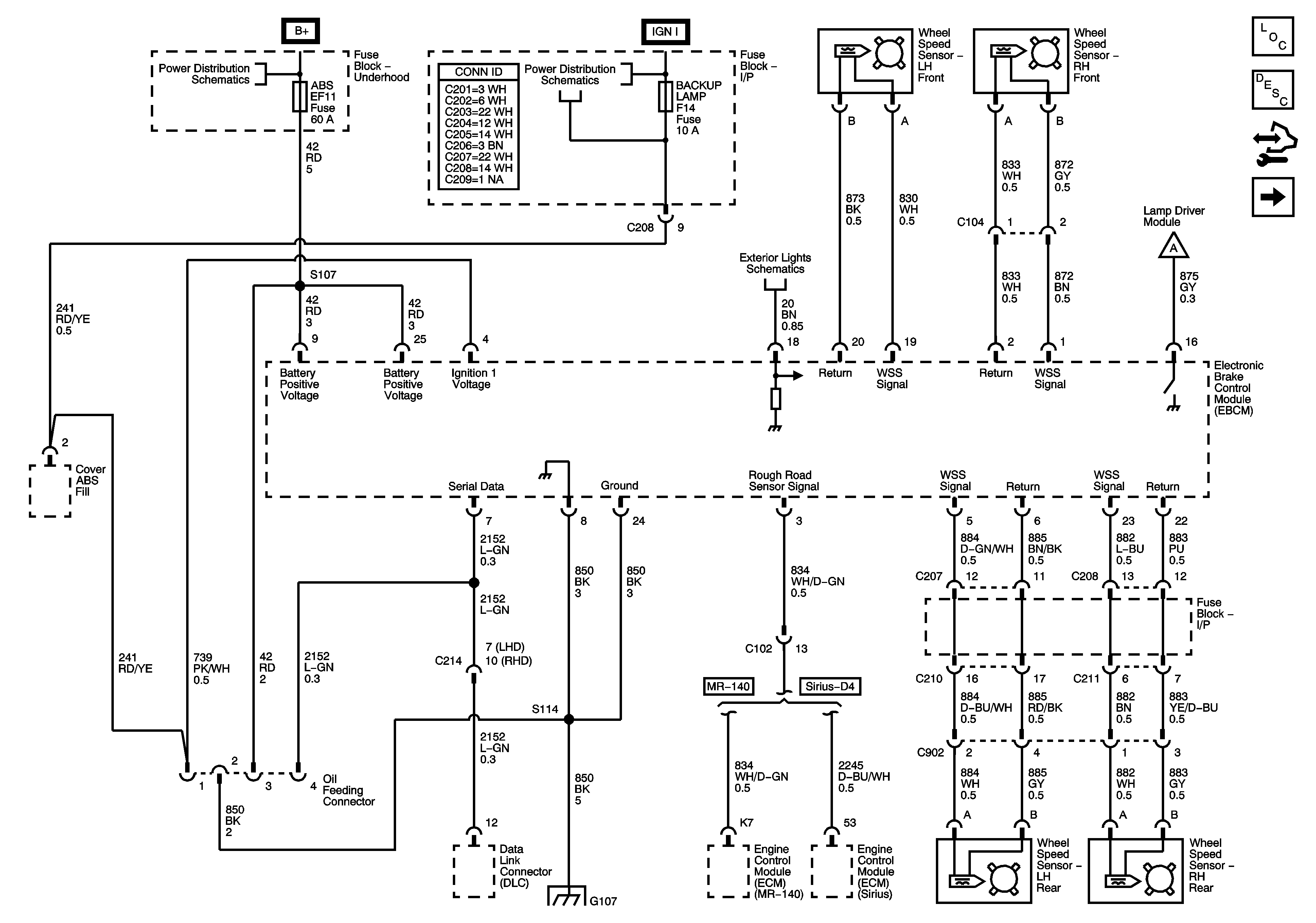
🢒 ABS
ABS
Power, Ground, Serial Data and Wheel Speed Sensors