GM Service Manual Online
For 1990-2009 cars only
Makes
🢒
Chevrolet
🢒
2007
🢒
Vivant
🢒 Shift and Pressure Control Solenoids
Shift and Pressure Control Solenoids
Shift and Pressure Control Solenoids
Master Electrical Component List
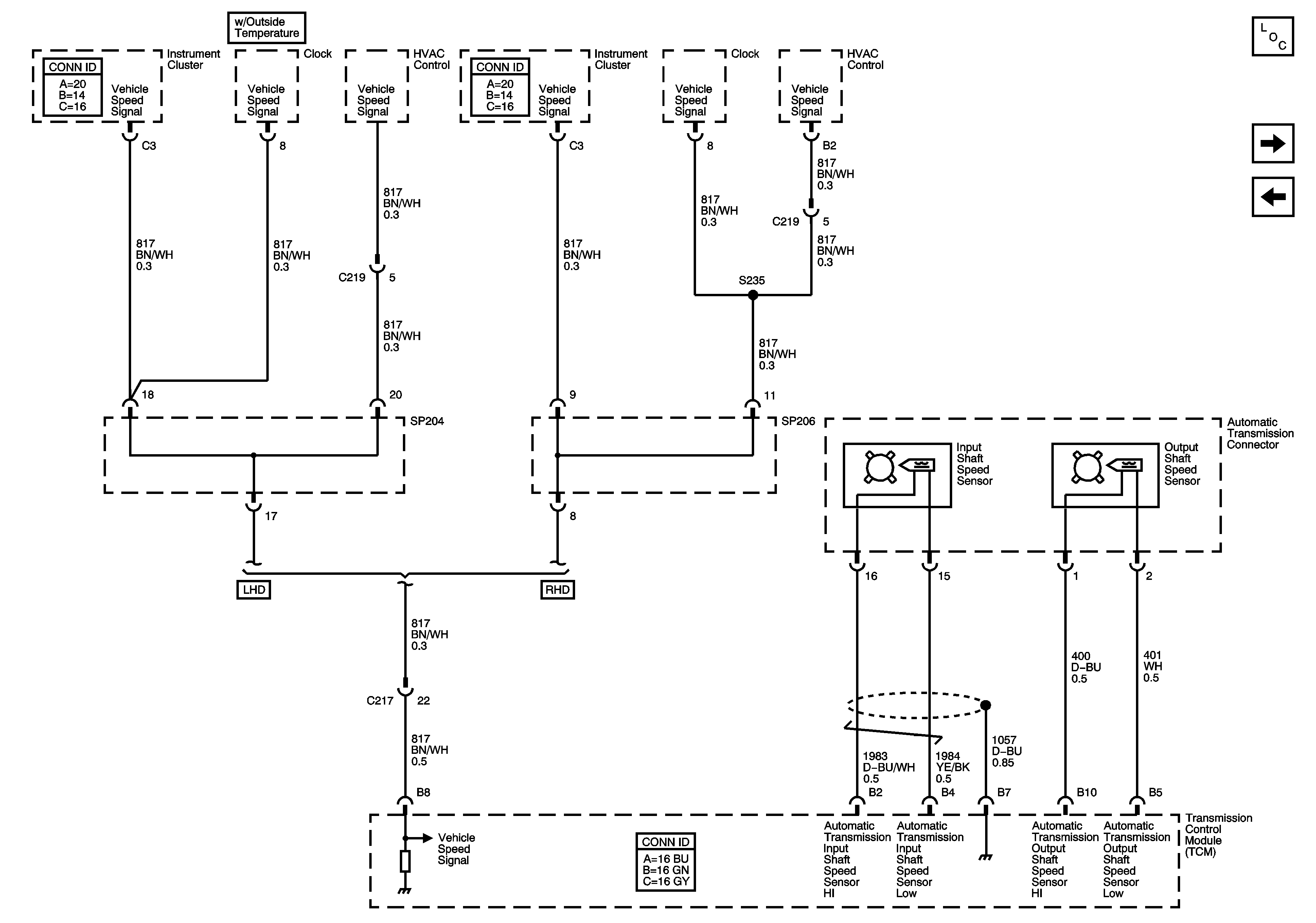
Vehicle Speed Signal
TCM, ECM