GM Service Manual Online
For 1990-2009 cars only

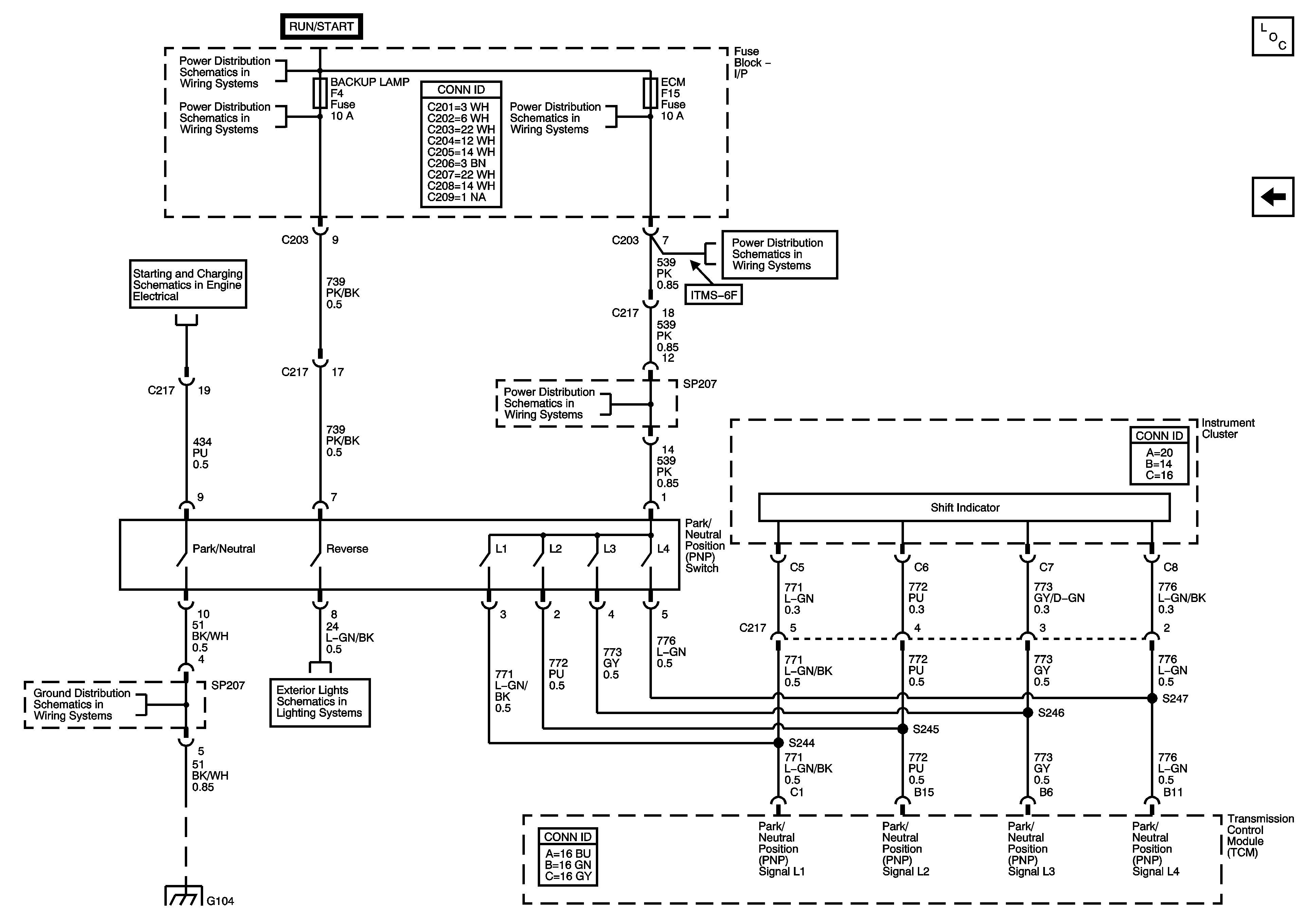
PNP Switch

Park/Neutral Position (PNP) Switch


Object Number: 1507849  Size: FS
Master Electrical Component List
Vehicle Speed Signal
Cluster, Air Bag, Turn Signal and Cruise Fuses (LHD)
Relay Ignition Fuse
ABS, ECM and Siren Fuses
ABS, ECM and Siren Fuses
Generator
G104 (MR-140)
Blower Main, Power Window and Rear Defogger Fuses